电脑桌面
添加小米粒文库到电脑桌面
安装后可以在桌面快捷访问

CA6140型普通车床电气控制线路故障检修实训教材

CA6140型普通车床电气控制线路故障检修实训教材_第1页
1/21
CA6140型普通车床电气控制线路故障检修实训教材_第2页
2/21
CA6140型普通车床电气控制线路故障检修实训教材_第3页
3/21
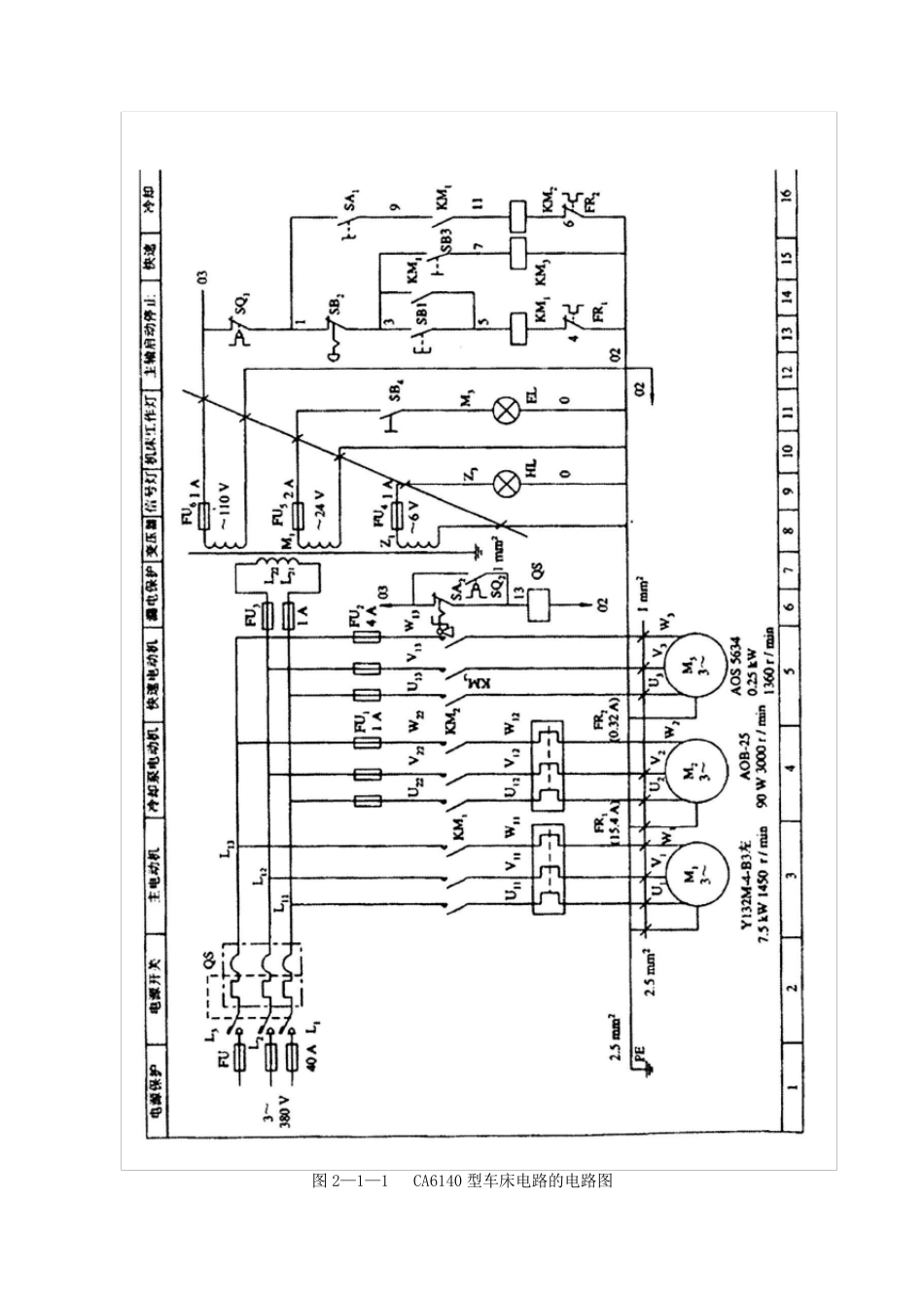
单元二 常用生产机械电气控制线路故障检修 项目一 CA6140 型普通车床电气控制线路故障检修 1、熟悉机床电气电路检修的一般步骤。 2、了解机床电气检修常用方法的原理及注意事项。 3、熟悉掌握CA6130 型车床控制电路原理,能对信号灯、指示灯和断电保护电路的典型故障进行理论分析。 4、能对主轴电动机、冷却泵电动机、刀架的快速移动电动控制电路的典型故障进行理论分析。 5、能按照机床电气检修的一般步骤分析和排除一些简单控制电路故障。 1、CA6140 型车床主轴电动机回路的故障排除。 2、CA6140 型车床电气线路冷却泵电动机回路的故障排除。 一、CA6140 型车床电路的电路图(见图2—1—1) CA6140 型卧式车床电气控制电路由三台电动机拖动,全部单方向旋转,主轴旋转方向的改变、进给方向的改变、快速移动方向的改变都靠机械传动关系来实现。它具有完善的人身安全保护环节:设有带钥匙的电源断路器 QS、机床床头皮带罩处的安全开关 SQ1、机床控制配电箱门上的安全开关 SQ2 等。 图2—1—1 CA6140 型车床电路的电路图 二 、 CA6140 型 车 床 电 路 的 工 作 原 理 : ( 一 ) 主 电 路 分 析 主 电 路 中 共 有 三 台 电 动 机 , 图 中 M1 为 主 轴 电 动 机 , 用 以 实 现 主 轴 旋 转 和 进 给 运 动 ; M2 为冷 却 泵 电 动 机 ; M3 为 溜 板 快 速 移 动 电 动 机 。 M1、 M2、 M3 均 为 三 相 异 步 电 动 机 , 容 量 均 小 于 10kW,全 部 采 用 全 压 直 接 起 动 皆 有 交 流 接 触 器 控 制 单 向 旋 转 。 M1 电 动 机 由 起 动 按 钮 SB1,停 止 按 钮 SB2 和 接 触 器 KM1 构 成 电 动 机 单 向 连 续 运 转 控 制 电 路 。主 轴 的 正 反 转 由 摩 擦 离 合 器 改 变 传 动 来 实 现 。 M2 电 动 机 是 在 主 轴 电 动 机 起 动 之 后 , 扳 动 冷 却 泵 控 制 开 关 SA1 来 控 制 接 触 器 KM2 的 通 断 ,实 现 冷 却 泵 电 动 机 的 起 动 与 停 止 。 由 于 SA1 开 关 具 有 定 位 功 能 , 故 不 需 自 锁 。 M3 电 动 机 由 装 在 溜 板 箱 上 的 快 慢 速 进 给 手 柄 内 的 快 速 移 动 按 钮SB3 来...

1、当您付费下载文档后,您只拥有了使用权限,并不意味着购买了版权,文档只能用于自身使用,不得用于其他商业用途(如 [转卖]进行直接盈利或[编辑后售卖]进行间接盈利)。
2、本站所有内容均由合作方或网友上传,本站不对文档的完整性、权威性及其观点立场正确性做任何保证或承诺!文档内容仅供研究参考,付费前请自行鉴别。
3、如文档内容存在违规,或者侵犯商业秘密、侵犯著作权等,请点击“违规举报”。

碎片内容

CA6140型普通车床电气控制线路故障检修实训教材

确认删除?
VIP
微信客服
  • 扫码咨询
会员Q群
  • 会员专属群点击这里加入QQ群
客服邮箱
回到顶部