电脑桌面
添加小米粒文库到电脑桌面
安装后可以在桌面快捷访问

CA6140车床几何精度检测项目

CA6140车床几何精度检测项目_第1页
1/12
CA6140车床几何精度检测项目_第2页
2/12
CA6140车床几何精度检测项目_第3页
3/12
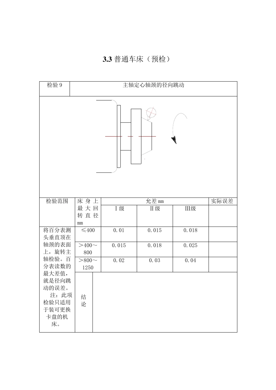
3 .1 普通车床(预检) 检验5 溜板移动对主轴中心线的不平行度 检验范围 床身上最大回转直径mm 允差mm 实际误差 Ⅰ级 Ⅱ级 Ⅲ级 用百分表和检验棒,移动溜板分别在a上母线和b侧母线上检验。将主轴旋转180°,在同样检验一次,两次测量结果的代数和之半,就是不平行度的误差。 L=200 <400 a 0.02 0.03 0.04 b 0.01 0.015 0.02 L=300 >400~800 a 0.03 0.045 0.06 b 0.015 0.023 0.03 L=500 >800~1250 a 0.08 0.12 0.16 b 0.03 0.045 0.06 检验棒伸出的一端,只许向上偏,向前偏。 结 论 3 .2 普通车床(预检) 检验4 主轴锥孔中心线的径向跳动 检验范围 床身上最大回转直径mm 允差mm 实际误差 Ⅰ级 Ⅱ级 Ⅲ级 用百分表检验棒,旋转主轴分别在a,b 两处检验。检验棒对主轴锥孔间隔90°插入一次。共检验四次a,b 的误差分别计算。从相对两位置测量结果的平均值,取其最大值就是径向跳动的误差 L=200 <320 a 0.01 0.015 0.02 b 0.015 0.023 0.03 L=300 >320~400 a 0.01 0.015 0.02 b 0.02 0.03 0.04 >400~800 a 0.015 0.023 0.03 b 0.025 0.038 0.05 L=500 >800~1250 a 0.02 0.03 0.04 b 0.04 0.06 0.08 结 论 3 .3 普通车床(预检) 检验9 主轴定心轴颈的径向跳动 检验范围 床身上最大回转直径mm 允差mm 实际误差 Ⅰ级 Ⅱ级 Ⅲ级 将百分表测头垂直顶在轴颈的表面上,旋转主轴检验。百分表读数的最大差值,就是径向跳动的误差。 注:此项检验只适用于装可更换卡盘的机床。 ≤400 0.01 0.015 0.018 >400~800 0.015 0.018 0.025 >800~1250 0.02 0.03 0.04 结 论 3 .4 普通车床(预检) 检验8 主轴轴向支承面的跳动 检验范围 床身上最大回转直径mm 允差mm 实际误差 Ⅰ级 Ⅱ级 Ⅲ级 用百分表分别在相隔180°的a,b两处,旋转主轴检验。百分表两次读数中的最大差值,尤是支承跳动的最大误差。 注:此次检验只适用于装可更换卡盘的机床 ≤400 0.02 0.025 0.03 >400~800 0.025 0.03 0.04 >800~1250 0.03 0.04 0.05 结 论 3 .5 普通车床(预检) 检验7 主轴的轴向窜动 检验范围 床身上最大回转直径mm 允差mm 实际误差 Ⅰ级 Ⅱ级 Ⅲ级 用百分表,检验棒及钢球,旋转主轴检验。百分表读数的最大差值,就是轴向窜动的误差。 ≤400 0.01 0.015 0.02 >400~800...

1、当您付费下载文档后,您只拥有了使用权限,并不意味着购买了版权,文档只能用于自身使用,不得用于其他商业用途(如 [转卖]进行直接盈利或[编辑后售卖]进行间接盈利)。
2、本站所有内容均由合作方或网友上传,本站不对文档的完整性、权威性及其观点立场正确性做任何保证或承诺!文档内容仅供研究参考,付费前请自行鉴别。
3、如文档内容存在违规,或者侵犯商业秘密、侵犯著作权等,请点击“违规举报”。

碎片内容

CA6140车床几何精度检测项目

确认删除?
VIP
微信客服
  • 扫码咨询
会员Q群
  • 会员专属群点击这里加入QQ群
客服邮箱
回到顶部