电脑桌面
添加小米粒文库到电脑桌面
安装后可以在桌面快捷访问

D1危险源(危害因数)辨识、风险评价(LEC法)

D1危险源(危害因数)辨识、风险评价(LEC法)_第1页
1/12
D1危险源(危害因数)辨识、风险评价(LEC法)_第2页
2/12
D1危险源(危害因数)辨识、风险评价(LEC法)_第3页
3/12
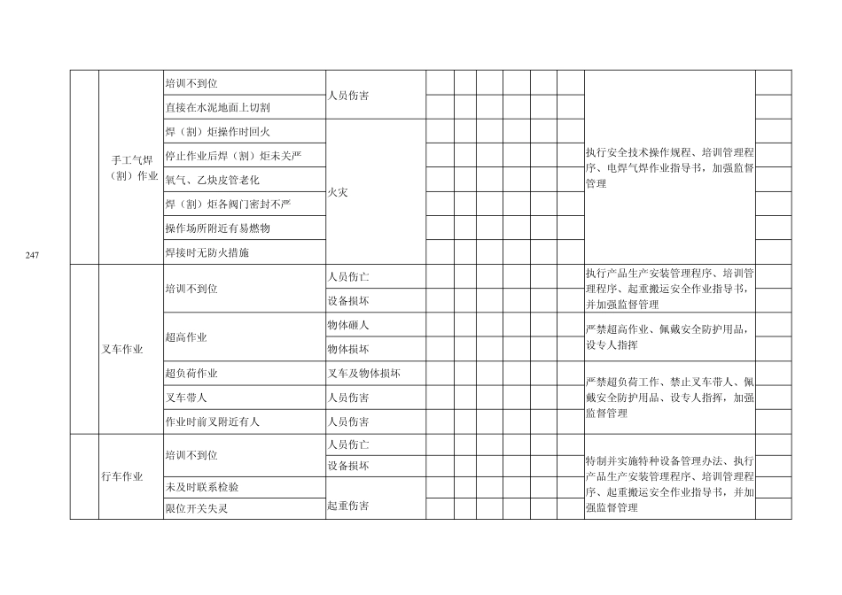
246 附件D1 文件编号:NSD/ZHA-JL-4.3.1A-01A 受控状态:受 控 危险源(危害因数)辨识、风险评价(LEC 法)一览表 单位:公司 填表日期:2010 年 5 月 28 日 序号 作业 活动 危险源(危害因素) 可能的事故、后果 判别 依据 作业条件危险性评价(LEC) 控制措施 不可容许风险 L E C D 风险级别 1 电焊作业 培训不到位 人员伤害 D 3 2 15 90 3 执行产品生产安装管理程序、培训管理程序、安全技术操作规程、电焊气焊作业指导书,加强监督管理 1 电线破损老化 触电 D 1 2 15 30 2 0 无漏电保护器 D 3 2 15 90 3 1 外壳带电 D 1 2 15 30 2 0 未穿戴防护服 D 3 2 15 90 3 1 焊钳绝缘不好 D 1 2 15 30 2 0 操作场所附近有易燃物 火灾 D 3 1 15 45 2 0 焊接时无防火措施 D 3 1 15 45 2 0 焊接时产生弧光 眼睛伤害 D 3 2 3 18 1 0 焊接时产生有毒气体 中毒 D 1 2 3 6 1 0 电焊火花 烫伤 D 6 2 3 36 2 0 2 4 7 2 手工气焊(割)作业 培训不到位 人员伤害 D 3 2 15 90 3 执行安全技术操作规程、培训管理程序、电焊气焊作业指导书,加强监督管理 1 直接在水泥地面上切割 D 3 2 3 18 1 0 焊(割)炬操作时回火 火灾 D 3 6 3 54 2 0 停止作业后焊(割)炬未关严 D 3 3 7 63 2 0 氧气、乙炔皮管老化 D 3 6 7 126 3 1 焊(割)炬各阀门密封不严 D 3 6 3 54 2 0 操作场所附近有易燃物 D 3 1 15 45 2 0 焊接时无防火措施 D 3 1 15 45 2 0 3 叉车作业 培训不到位 人员伤亡 D 3 2 15 90 3 执行产品生产安装管理程序、培训管理程序、起重搬运安全作业指导书,并加强监督管理 1 设备损坏 D 3 1 15 45 2 0 超高作业 物体砸人 D 10 1 1 10 1 严禁超高作业、佩戴安全防护用品,设专人指挥 0 物体损坏 D 10 1 1 10 1 0 超负荷作业 叉车及物体损坏 D 10 1 1 10 1 严禁超负荷工作、禁止叉车带人、佩戴安全防护用品、设专人指挥,加强监督管理 0 叉车带人 人员伤害 D 3 2 7 42 2 0 作业时前叉附近有人 人员伤害 D 3 2 7 42 2 0 4 行车作业 培训不到位 人员伤亡 D 3 2 15 90 3 特制并实施特种设备管理办法、执行产品生产安装管理程序、培训管理程序、起重搬运安全作业指导书,并加强...

1、当您付费下载文档后,您只拥有了使用权限,并不意味着购买了版权,文档只能用于自身使用,不得用于其他商业用途(如 [转卖]进行直接盈利或[编辑后售卖]进行间接盈利)。
2、本站所有内容均由合作方或网友上传,本站不对文档的完整性、权威性及其观点立场正确性做任何保证或承诺!文档内容仅供研究参考,付费前请自行鉴别。
3、如文档内容存在违规,或者侵犯商业秘密、侵犯著作权等,请点击“违规举报”。

碎片内容

D1危险源(危害因数)辨识、风险评价(LEC法)

确认删除?
VIP
微信客服
  • 扫码咨询
会员Q群
  • 会员专属群点击这里加入QQ群
客服邮箱
回到顶部