电脑桌面
添加小米粒文库到电脑桌面
安装后可以在桌面快捷访问

DF铂系列氧分析仪应用方案

DF铂系列氧分析仪应用方案_第1页
1/19
DF铂系列氧分析仪应用方案_第2页
2/19
DF铂系列氧分析仪应用方案_第3页
3/19
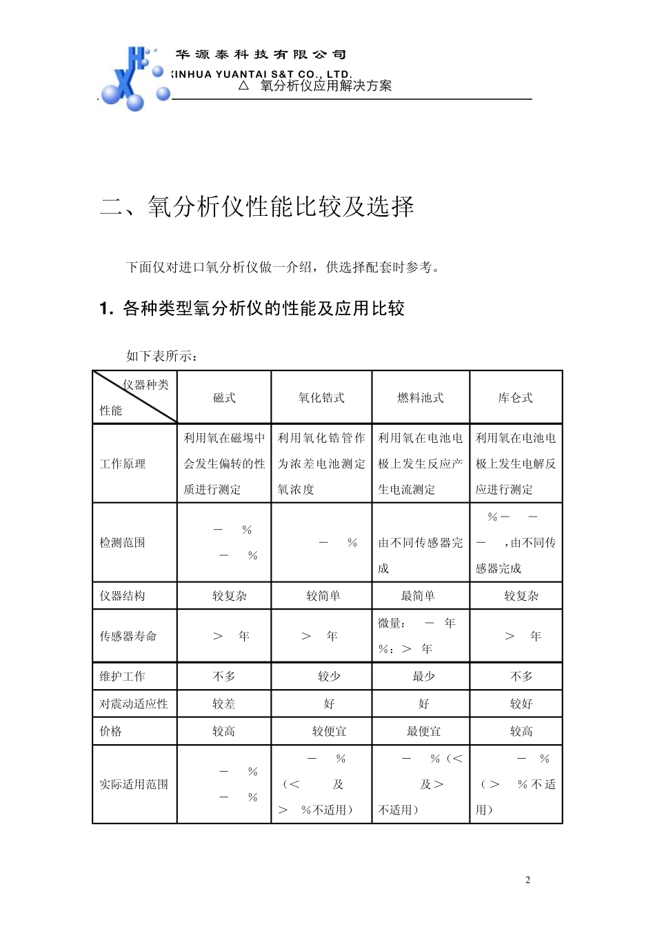
DELTA F 氧分析仪 应用 解决方案 北京 鑫 华 源 泰 科 技 有 限 公 司 BEIJING XINHUA YUANTAI S&T CO., LTD. △F氧分析仪应用解决方案 1 一、概述 在各种气体分析仪器当中,氧分析仪是非常重要的一大类。氧分析仪对气体生产和气体应用有着非常重要的作用。一般来说,氧分析仪根据工作原理及应用范围的不同而分成四个类别,即磁式,氧化锆式,燃料池式及库仑式。由于不同种氧分析仪工作原理不同,性能也不同,适用于不同的场合,因此,了解各种氧分析仪性能及应用对于正确选型及使用就是非常重要的问题。 对于某些重要客户来说,要求对气体中氧含量精确检测,得到准确的含量数据,这样就必须要求一种技术先进,功能较完善,适用范围宽广,同时能够完成高精度测量的氧分析仪器。而库仑电解式氧分析仪就是一种比较理想的首选仪器。美国 DELTA F公司氧分析仪系列正是这类产品中最为经典的应用。 本次选择美国△F公司 310E铂系列 H10000微量氧分析仪,检测高纯气体的微量氧含量。同时由于其为非消耗型标准机型,可用于其他种类同(或类似)范围氧分析仪的校验比对。 北京 鑫 华 源 泰 科 技 有 限 公 司 BEIJING XINHUA YUANTAI S&T CO., LTD. △F氧分析仪应用解决方案 2 二、氧分析仪性能比较及选择 下面仅对进口氧分析仪做一介绍,供选择配套时参考。 1 . 各种类型氧分析仪的性能及应用比较 如下表所示: 仪器种类 性能 磁式 氧化锆式 燃料池式 库仑式 工作原理 利用氧在磁埸中会发生偏转的性质进行测定 利用氧化锆管作为浓差电池测定氧浓度 利用氧在电池电极上发生反应产生电流测定 利用氧在电池电极上发生电解反应进行测定 检测范围 0-100% 98-100% 0.01ppm-100% 0.01ppm-100% 由不同传感器完成 30%-ppm-ppb-ppt,由不同传感器完成 仪器结构 较复杂 较简单 最简单 较复杂 传感器寿命 >10年 >10年 微量: 4-5年 %:>2年 >10年 维护工作 不多 较少 最少 不多 对震动适应性 较差 好 好 较好 价格 较高 较便宜 最便宜 较高 实际适用范围 98-100% 0-100% 10ppm-100% (<10ppm及 >99%不适用) 1ppm-100%(<0.1ppm及>99%不适用) 50ppt-30% ( > 30% 不 适用) 北京 鑫 华 源 泰 科 技 有 限 公 司 BEIJING XINHUA YUANTAI S&T CO., LTD. △F氧分析仪应用解决方案 3 在国外应...

1、当您付费下载文档后,您只拥有了使用权限,并不意味着购买了版权,文档只能用于自身使用,不得用于其他商业用途(如 [转卖]进行直接盈利或[编辑后售卖]进行间接盈利)。
2、本站所有内容均由合作方或网友上传,本站不对文档的完整性、权威性及其观点立场正确性做任何保证或承诺!文档内容仅供研究参考,付费前请自行鉴别。
3、如文档内容存在违规,或者侵犯商业秘密、侵犯著作权等,请点击“违规举报”。

碎片内容

DF铂系列氧分析仪应用方案

小辰4+ 关注
实名认证
内容提供者

出售各种资料和文档

确认删除?
VIP
微信客服
  • 扫码咨询
会员Q群
  • 会员专属群点击这里加入QQ群
客服邮箱
回到顶部