电脑桌面
添加小米粒文库到电脑桌面
安装后可以在桌面快捷访问

室外消防管道施工方案

室外消防管道施工方案_第1页
1/14
室外消防管道施工方案_第2页
2/14
室外消防管道施工方案_第3页
3/14
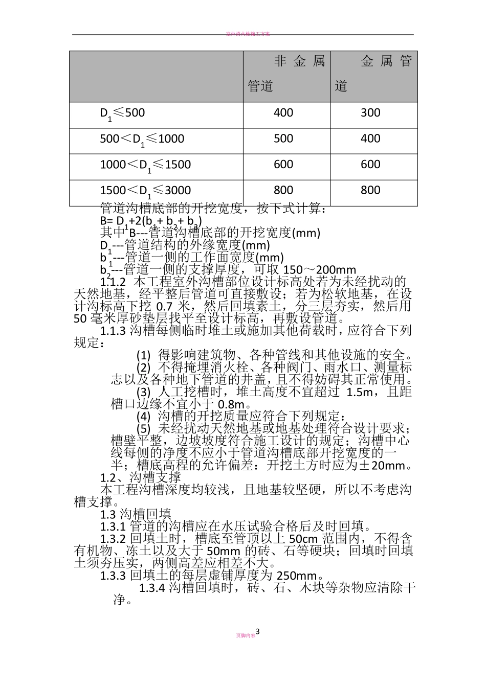
室外消火栓施工方案室外消防管道施工方案编制单位:编制人:审核人审批人:页脚内容1室外消火栓施工方案一、沟槽开挖和回填:1.1 沟槽开挖1.1.1 本工程室外消防管线大部分埋地敷设,地质大部分为坚石地基,沟槽采用人工、机械开挖相接合的方式。由于现场场地较大,将开挖的管沟土石方就地堆放。沟底宽度满足以下要求:管道一侧的工作面宽度(mm)管道结构的外缘宽度 D1b1管道一侧的工作面宽度页脚内容2室外消火栓施工方案非 金 属管道D1≤500500<D1≤10001000<D1≤1500400500600道金 属 管3004006008008001500<D1≤3000管道沟槽底部的开挖宽度,按下式计算:B= D1+2(b1+ b2+ b3)其中 B---管道沟槽底部的开挖宽度(mm)D1---管道结构的外缘宽度(mm)b 1---管道一侧的工作面宽度(mm)b2---管道一侧的支撑厚度,可取 150~200mm1.1.2 本工程室外沟槽部位设计标高处若为未经扰动的天然地基,经平整后管道可直接敷设;若为松软地基,在设计沟标高下挖 0.7 米,然后回填素土,分三层夯实,然后用50 毫米厚砂垫层找平至设计标高,再敷设管道。1.1.3 沟槽每侧临时堆土或施加其他荷载时,应符合下列规定:(1) 得影响建筑物、各种管线和其他设施的安全。(2) 不得掩埋消火栓、各种阀门、雨水口、测量标志以及各种地下管道的井盖,且不得妨碍其正常使用。(3) 人工挖槽时,堆土高度不宜超过 1.5m,且距槽口边缘不宜小于 0.8m。(4) 沟槽的开挖质量应符合下列规定:(5) 未经扰动天然地基或地基处理符合设计要求;槽壁平整,边坡坡度符合施工设计的规定;沟槽中心线每侧的净度不应小于管道沟槽底部开挖宽度的一半;槽底高程的允许偏差:开挖土方时应为±20mm。1.2、沟槽支撑本工程沟槽深度均较浅,且地基较坚硬,所以不考虑沟槽支撑。1.3 沟槽回填1.3.1 管道的沟槽应在水压试验合格后及时回填。1.3.2 回填土时,槽底至管顶以上 50cm 范围内,不得含有机物、冻土以及大于 50mm 的砖、石等硬块;回填时回填土须夯压实,两侧高差应相差不大。1.3.3 回填土的每层虚铺厚度为 250mm。1.3.4 沟槽回填时,砖、石、木块等杂物应清除干净。页脚内容3室外消火栓施工方案1.3.5 回填土或其它回填材料运入槽内时不得损伤管节及其接口,并应符合下列规定:(1) 根据一层虚铺厚度的用量将回填材料运至槽内,且不得在影响压实的范围内堆料。(2) 管道两侧和管顶以上 50cm 范围内的回填材料,应有沟槽两侧对称运入槽内,不得直接扔在管道上;回填...

1、当您付费下载文档后,您只拥有了使用权限,并不意味着购买了版权,文档只能用于自身使用,不得用于其他商业用途(如 [转卖]进行直接盈利或[编辑后售卖]进行间接盈利)。
2、本站所有内容均由合作方或网友上传,本站不对文档的完整性、权威性及其观点立场正确性做任何保证或承诺!文档内容仅供研究参考,付费前请自行鉴别。
3、如文档内容存在违规,或者侵犯商业秘密、侵犯著作权等,请点击“违规举报”。

碎片内容

室外消防管道施工方案

您可能关注的文档

确认删除?
VIP
微信客服
  • 扫码咨询
会员Q群
  • 会员专属群点击这里加入QQ群
客服邮箱
回到顶部