电脑桌面
添加小米粒文库到电脑桌面
安装后可以在桌面快捷访问

常规项目检测计划与方案

常规项目检测计划与方案_第1页
1/8
常规项目检测计划与方案_第2页
2/8
常规项目检测计划与方案_第3页
3/8
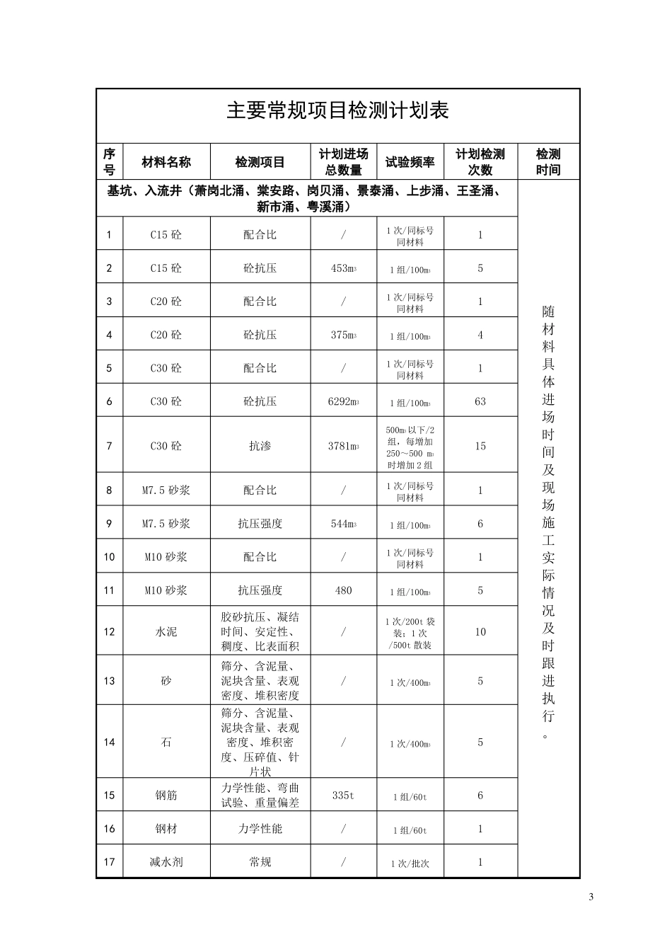
常规项目检测计划与方案工程名称 :大坦沙污水处理系统管网工程 —石井河干流(石井河、新市涌)截污渠箱(新市涌段)建设单位:广州市净水有限公司工程地点:广州市石井河干流(新市涌段)沿线编制单位:广州市建筑设备安装工程质量检测站编写日期:二 O 一七年五月四日编写:林浩涛审核:批准:建设单位设计单位监理单位施工单位监督单位广州市净水有限公司广州市市政工程设计研究总院广州市珠江工程建设监理有限公司广东省基础工程集团有限公司广州市水务工程质量安全监督站广州市建筑设备安装工程质量检测站二 O 一七年五月四日1一、工程概况大坦沙污水处理系统管网工程—石井河干流(石井河、新市涌)截污渠箱(新市涌段),本工程拟沿新市涌底建设DN3000截管道及B×H=4.0×3.0、B×H=4.0×4.0截污渠箱,截污管渠总长约6.7km。管道主要采用顶管的施工方法,局部采用涌底和岸上明挖施工。依据《给排水管道施工验收规范》GB50268-2008及其它相关规范、规程,本工程主要常规检测项目包括:水泥、砂、石、钢筋、混凝土配合比及抗压、抗渗试验、管道闭水试验、压实度等、低应变、桩抽芯、平板载荷试验、原位测试等。二、编制依据1、给排水管道施工验收规范 GB50268-20082、土工试验方法标准 GB/T50123-19993、普通混凝土力学性能试验方法标准 GB/T50081-20024、普通混凝土长期性能和耐久性能试验方法标准 GBT 50082-20095、金属材料 拉伸试验 第 1 部分:室温试验方法 GB/T 228.1-20106、金属材料 弯曲试验方法 GB/T232-20107、通用硅酸盐水泥 GB175-20078、公路工程沥青及沥青混合料试验规程 JTG E20-20119、建筑地基基础检测规范 DBJ15-60-200810、建筑地基处理技术规范 DBJ15-38-200511、岩土工程勘察规范 GB 50021-2001(2009 版)三、 试验检测计划与人员配备根据本项目的检测任务,拟定何沛同志为项目负责人,林浩涛、唐世文、林志鹏、曾青海等为试验检测员,以上人员均持有相关的上岗证,我司依据现场检测任务,及时增减检测人员,保证检测工作顺利进行,本工程主要进行的试验项目:水泥、砂、石、钢筋、混凝土配合比及抗压、抗渗试验、管道闭水试验、压实度、桩抽芯、平板载荷试验、动力触探等。2主要常规项目检测计划表序号材料名称检测项目计划进场总数量试验频率计划检测次数检测时间基坑、入流井(萧岗北涌、棠安路、岗贝涌、景泰涌、上步涌、王圣涌、新市涌、粤溪涌)123456C15 砼C15 砼C20 砼C20 砼...

1、当您付费下载文档后,您只拥有了使用权限,并不意味着购买了版权,文档只能用于自身使用,不得用于其他商业用途(如 [转卖]进行直接盈利或[编辑后售卖]进行间接盈利)。
2、本站所有内容均由合作方或网友上传,本站不对文档的完整性、权威性及其观点立场正确性做任何保证或承诺!文档内容仅供研究参考,付费前请自行鉴别。
3、如文档内容存在违规,或者侵犯商业秘密、侵犯著作权等,请点击“违规举报”。

碎片内容

常规项目检测计划与方案

确认删除?
VIP
微信客服
  • 扫码咨询
会员Q群
  • 会员专属群点击这里加入QQ群
客服邮箱
回到顶部