电脑桌面
添加小米粒文库到电脑桌面
安装后可以在桌面快捷访问

双钢筋叠合板钢筋绑扎交底记录

双钢筋叠合板钢筋绑扎交底记录_第1页
1/9
双钢筋叠合板钢筋绑扎交底记录_第2页
2/9
双钢筋叠合板钢筋绑扎交底记录_第3页
3/9
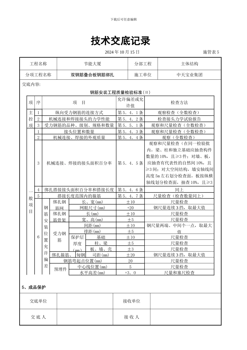
下载后可任意编辑技术交底记录2024 年 10 月 15 日施管表 5工程名称节能大厦分部工程主体结构分项工程名称双钢筋叠合板钢筋绑扎施工单位中天宝业集团交底内容:1、依据标准:《建筑工程施工质量验收统一标准》 GB50300-2001《钢筋混凝土结构工程施工质量验收法律规范》 GB50204-2024《高层建筑混凝土技术规程》 JGJ3 -20242、施工准备2.1 材料及主要机具:2.1.1 钢筋:钢筋的级别、直径必须符合设计要求,应无老锈和油污。钢筋要有出厂质量证明书及复试报告。2.1.2 绑扎铁丝:20~22 号火烧丝。2.1.3 垫块:用水泥浆制成 50mm×50mm,厚度等于保护层设计厚度。2.1.4 主要机具:电焊机、钢筋扳子、钢筋钩等。2.2 作业条件2.2.1 叠合板已吊装完毕,梁钢筋已绑扎完毕,叠合层模板已安装完毕,墙体伸出的搭接筋等已按图纸要求检查整修完毕,并将其锈皮及水泥浆等污垢清理洁净。以上诸项已分别办完隐检或预检手续。2.2.2 加工成型的叠合层钢筋进场,按设计要求检查其规格、型状、尺寸和数量是否正确,并按施工平面图中指定的位置,按规格、部位和编号分别加设垫木堆放。3、操作工艺3.1 工艺流程:清理板面及板缝,并整理板甩出的筋→绑扎板缝筋→绑扎吊环双向筋→绑扎支座负弯矩筋→质量检验。3.2 清理叠合板面及板缝的杂物,按图纸要求事理叠合底板的甩出筋。3.3 绑扎拼接板缝 5 通长筋。为用 φ5 冷拔低碳钢丝平焊成型的双钢筋,绑扎板缝配筋的级别分为Ⅳ级,按图纸设计执行,绑扎拼板缝的要求。3.4 绑扎吊环双向筋时,沿吊环的两个方向均用通长的 φ8 筋双向连接,伸入邻跨 400mm,端头加 180°交底单位接收单位交 底 人接 收 人技术交底记录下载后可任意编辑2024 年 10 月 15 日施管表 5工程名称节能大厦分部工程主体结构分项工程名称双钢筋叠合板钢筋绑扎施工单位中天宝业集团交底内容:钩。与吊环直交向穿越吊环,另一向置直交筋下并与之绑扎,如图 4-26(三拼为例)。3.5 绑扎支座负弯矩筋,其保护层保证不大于 20mm,其与架立筋每扣均绑扎,负弯矩筋下加设钢筋马凳,以保证负弯矩筋正确的空间位置。4、质量标准钢筋加工质量检验标准(I)项 序项 目允许偏差或允许值检查方法主控项目1 力学性能检验第 5.2.1 条检查产品合格证和复验报告(按进厂的批次和产品的抽样检验方案确定)2 抗震用钢筋强度实测值第 5.2.2 条检查钢筋复试报告(按进厂的批次和产品的抽样检验方案确定)3 化学成分等...

1、当您付费下载文档后,您只拥有了使用权限,并不意味着购买了版权,文档只能用于自身使用,不得用于其他商业用途(如 [转卖]进行直接盈利或[编辑后售卖]进行间接盈利)。
2、本站所有内容均由合作方或网友上传,本站不对文档的完整性、权威性及其观点立场正确性做任何保证或承诺!文档内容仅供研究参考,付费前请自行鉴别。
3、如文档内容存在违规,或者侵犯商业秘密、侵犯著作权等,请点击“违规举报”。

碎片内容

双钢筋叠合板钢筋绑扎交底记录

确认删除?
VIP
微信客服
  • 扫码咨询
会员Q群
  • 会员专属群点击这里加入QQ群
客服邮箱
回到顶部