电脑桌面
添加小米粒文库到电脑桌面
安装后可以在桌面快捷访问

基于PLC的料仓自动取料气动装置设计

基于PLC的料仓自动取料气动装置设计_第1页
1/4
基于PLC的料仓自动取料气动装置设计_第2页
2/4
基于PLC的料仓自动取料气动装置设计_第3页
3/4
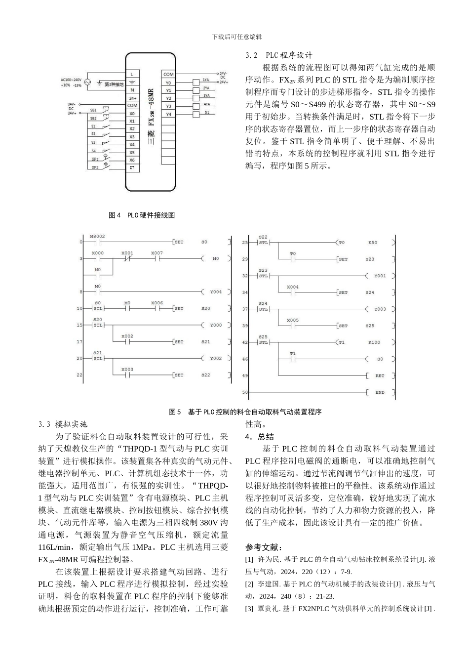
下载后可任意编辑基于 PLC 的料仓自动取料气动装置设计郝屏 仵征(河南化工职业学院 机械电子系,河南 郑州 450042)摘 要:新设计的料仓自动取料系统采纳 PLC 控制,以气压传动作为系统工作动力。通过模拟运行,新的装置系统具有动作灵活多变,运动定位准确的特点,能较好地实现流水线的自动化控制,降低劳动强度。关键词:取料装置 气动系统 PLC 控制系统中图分类号:TH138 文献标识码:BDesign of PLC Automatic Fetching Device Based on Pneumatic BunkerHAO Ping WU Zheng(Department of Machinery and Electronics ,Henan Vocational College of Chemical Technology ,Henan Zhengzhou 450042)Abstract: Bin automatic extracting system of new design adopts PLC control in pneumatic system, and with pneumatic drive as system power. By simulating the operation of device, new system has the characteristics of motion moves flexible, accurate positioning, to achieve line automation control effectively, reduce the labor intensity.Key Words: take out device, Pneumatic system , PLC control system引言 气压传动具有气源容易获得、工作速度快、动作频率高、工程实现容易等优点。PLC 是一种功能强、编程简单、可靠性高的自动控制产品。两者在工业生产上都得到了广泛的应用,用气动自动化控制技术实现生产过程自动化,是工业自动化的一种重要技术手段,也是一种低成本自动化技术[1]。基于以上考虑,为提高生产效率,提高自动化程度,现设计一料仓自动取料装置。本文设计的料仓自动取料装置通过气压传动来传递动力,通过 PLC 来控制从料仓中取出物料,并把物料推下滑槽,使物料自动进入包装箱中,实现节约人力、提高了工作效率的目的。1.料仓自动取料装置的控制过程料仓自动取料装置是由两个单杆双作用式气缸的气动控制回路组成,通过四个磁性开关完成物料位置的检测,用 PLC 程序进行动作控制。料仓自动取料装置的结构原理如图 1 所示。料仓自动取料装置的工作过程如下:按下系统的启动按钮,当光电传感器 SP1 检测到包装箱运送到位后,气缸 A 伸出,将工件从料仓底部推出。当磁性开关 S1 检测到缸 A 伸出到位后,气缸 B 才能伸出将工件推入输送滑槽,工件完成自动装箱。当磁性开关 S2 检测...

1、当您付费下载文档后,您只拥有了使用权限,并不意味着购买了版权,文档只能用于自身使用,不得用于其他商业用途(如 [转卖]进行直接盈利或[编辑后售卖]进行间接盈利)。
2、本站所有内容均由合作方或网友上传,本站不对文档的完整性、权威性及其观点立场正确性做任何保证或承诺!文档内容仅供研究参考,付费前请自行鉴别。
3、如文档内容存在违规,或者侵犯商业秘密、侵犯著作权等,请点击“违规举报”。

碎片内容

基于PLC的料仓自动取料气动装置设计

您可能关注的文档

文旅传媒+ 关注
实名认证
内容提供者

传播文化,成就未来

确认删除?
VIP
微信客服
  • 扫码咨询
会员Q群
  • 会员专属群点击这里加入QQ群
客服邮箱
回到顶部