电脑桌面
添加小米粒文库到电脑桌面
安装后可以在桌面快捷访问

级配碎石底基层施工方案70564

级配碎石底基层施工方案70564_第1页
1/11
级配碎石底基层施工方案70564_第2页
2/11
级配碎石底基层施工方案70564_第3页
3/11
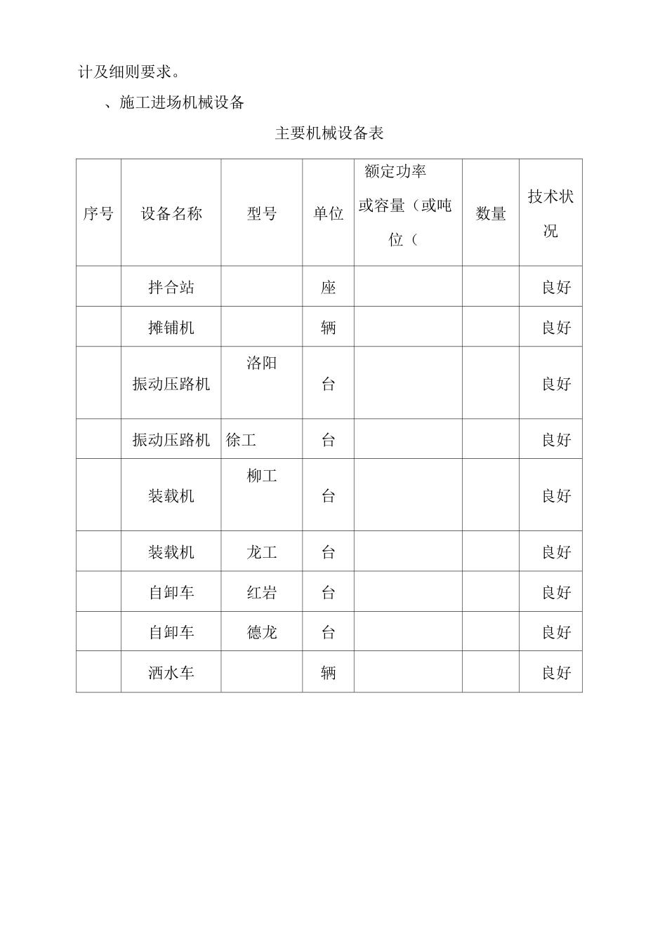
上关至鹤庆高速公路路面第 1 合同段(K0+000~K28+116.98)级配碎石底基层施工方案项目总工:项目经理:云南公投建设集团有限公司云南上鹤高速公路路面一合同项目经理部上关至鹤庆高速公路路面第一合同段级配碎石底基层施工技术方案一、工程概况本合同段起讫桩号~,路基长米()、桥长米,隧道长米,短链一处长。路线全长,全线采用沥青混凝土路面,路面宽度整体式。为双向四车道加硬路肩的高速公路。主要施工内容:路面级配碎石底基层、水泥稳定碎石基层、沥青混凝土面层及路面附属工程(路面排水、路肩、路缘石)等工程施工。二、开工准备情况、施工放样准备⑴ 路床的复测级配碎石底基层施工前检查确认路床表面是否平整、坚实、无坑洞,高程及路拱符合设计及规范要求。⑵ 测量放样根据线路中桩,放出控制摊铺厚度及摊铺机走向的固定桩。为确保标高与横坡的精度,放样时,纵向每隔打入一铁桩,曲线每隔打入一铁桩,横向两边打桩,均挂钢丝基准线,钢丝的高度要比底基层高出。、材料试验及供应试验室已完成原材料检验、配合比组成设计、混合料的最佳含水率及最大干密度等试验,均符合设计及细则要求,原材料已进场,检测各项指标符合设计及细则要求。、施工进场机械设备主要机械设备表序号设备名称型号单位额定功率或容量(或吨位(数量技术状况拌合站座良好摊铺机辆良好振动压路机洛阳台良好振动压路机徐工台良好装载机柳工台良好装载机龙工台良好自卸车红岩台良好自卸车德龙台良好洒水车辆良好⑤ 在摊铺机后配名工人,消■除粗细集料离析现象,铲除局部压实度试验其他小型机具良好三、施工进度安排底基层施工进度:年月日〜年月日。四、施工方案:1、施工流程施工中米用:“整理下承层 f 测量放样 f 集料拌和 f 闷料 f 集料运输一集料摊铺一碾压一检验(合格)f 成型验收”的流程施工,工艺框图如下:① 摊铺前应将路槽适 运 当洒水湿润 。② 摊铺前应检杳摊铺机各部分运转情况。③ 车辆倒料时严格按已布好的倾倒④ 摊铺时严格控制厚度和高程保证路拱横坡满足设计要求。料“窝”,并用混合料填补⑥ 检杳含水率■,若水量低于最佳含水率,则用洒水车采用雾喷法对集料进行喷水,喷水分钟后方可碾压((或采用胶轮压路机补水碾压一遍),若水分超过最佳含水率的百分之二检进入下道工序施工()级配碎石底基层的碾压在铺筑级配碎石底基层时,采用摊铺机一次成型。摊铺成型后,当混合料的含水率等于或略大于最佳含水率的〜时及时进行碾压。...

1、当您付费下载文档后,您只拥有了使用权限,并不意味着购买了版权,文档只能用于自身使用,不得用于其他商业用途(如 [转卖]进行直接盈利或[编辑后售卖]进行间接盈利)。
2、本站所有内容均由合作方或网友上传,本站不对文档的完整性、权威性及其观点立场正确性做任何保证或承诺!文档内容仅供研究参考,付费前请自行鉴别。
3、如文档内容存在违规,或者侵犯商业秘密、侵犯著作权等,请点击“违规举报”。

碎片内容

级配碎石底基层施工方案70564

确认删除?
VIP
微信客服
  • 扫码咨询
会员Q群
  • 会员专属群点击这里加入QQ群
客服邮箱
回到顶部