电脑桌面
添加小米粒文库到电脑桌面
安装后可以在桌面快捷访问

隧道施工平面布置及图

隧道施工平面布置及图_第1页
1/9
隧道施工平面布置及图_第2页
2/9
隧道施工平面布置及图_第3页
3/9
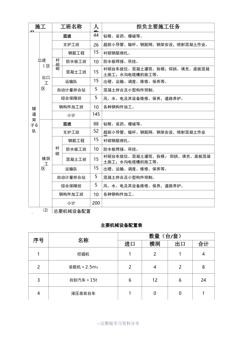
--完整版学习资料分享程里口进IIIJ--II—Iml8I1±口,进InLIIIL南2.3.1.2 施工组织及进度计划本隧道按进口、出口、横洞3 个工区四个断面组织施工,施工组织平面示意详见下图;施工进度安排总工期29 个月,其中施工准备 3 个月,隧道主体工程贯通工期25 个月,无咋轨道铺设工期 2 个月,贯通里程为DK183+235,施工进度指标详见下页表;隧道各工区施工范围详见下页表及施工进度详见下页图。遂林隧道各工区施工作业面平面示意图龙岩LLLLLLLLLLLLLLLLLLLLLLLLLLLLLLLLLLLLLLL开挖进度进度指标表X项目指标(m/月)Xn级围岩皿级围岩IV级围岩V级围岩超前预注浆V级围岩V级围岩进出口施工正常施工16013065403020正洞无砟整体2000LLLLLLLLLLLLLILLLLL 出口 l590JH|-|++^横洞正洞 2199^ +++++++++--完整版学习资料分享道床施工双车道横洞双向施丄止洞正常施工14512065403020横洞洞身施工28022015090--隧道各工区施工范围一览表工区里程范围长度(m)合计(m)工期(月)进口工区正洞施工DK181+122.82-2112.182112.1825无砟轨道施工DK181+122.82-3522.183522.182横洞工区小里程方向DK184+381~DK185+6401259219916大里程方向DK185+640~DK186+58094016正洞施工DK183+235-DK184+381114627369出口工区DK186+580~DK188+170159016无砟轨道施工DK184+645~DK188+170352535252施工进度横道图项目名称2013年2014 年2015 年2016 年4123412341234施工准备进口工区出口工区横洞工区无砟轨道铺设—⑴ 任务分配及劳动力配置见下表。任务分配及劳动力配置表--完整版学习资料分享施工队工班名称人数担负主要施工任务隧道架子 6队进口丨区出口工区掘进工班44钻眼、装药、爆破等。支护工班26超前小导管、锚杆、钢筋网、钢架安设,喷射混凝土作业。钢筋工程15衬砌钢筋绑扎。衬砌防水板工班10防水板焊接、吊挂。砌混凝土工班15衬砌台车就位、混凝土灌筑、拆模;仰拱、填充、底板混凝土施工;水沟电缆槽的施工等。运输队15出磴、运输、调度、维修、保养等。自动计量拌合站5混凝土拌合及小型构件预制。综合保障班5风、水、电及其设备维修、保养,道路养护。钢构件加工班10各种钢构件加工。小计145横洞工区掘进工班88钻眼、装药、爆破等。支护工班52超前小导管、锚杆、钢筋网、钢架安设,喷射混凝土作业等。衬砌钢筋工程15衬砌钢筋绑扎。防水板工班10防水板焊接、吊挂。混凝土工班15衬砌台车就位、混凝土灌筑、拆模;仰拱、填充、底板混凝土施工;水沟电缆槽的施工等。运...

1、当您付费下载文档后,您只拥有了使用权限,并不意味着购买了版权,文档只能用于自身使用,不得用于其他商业用途(如 [转卖]进行直接盈利或[编辑后售卖]进行间接盈利)。
2、本站所有内容均由合作方或网友上传,本站不对文档的完整性、权威性及其观点立场正确性做任何保证或承诺!文档内容仅供研究参考,付费前请自行鉴别。
3、如文档内容存在违规,或者侵犯商业秘密、侵犯著作权等,请点击“违规举报”。

碎片内容

隧道施工平面布置及图

您可能关注的文档

确认删除?
VIP
微信客服
  • 扫码咨询
会员Q群
  • 会员专属群点击这里加入QQ群
客服邮箱
回到顶部