电脑桌面
添加小米粒文库到电脑桌面
安装后可以在桌面快捷访问

建筑行业质量管理手册

建筑行业质量管理手册_第1页
1/79
建筑行业质量管理手册_第2页
2/79
建筑行业质量管理手册_第3页
3/79
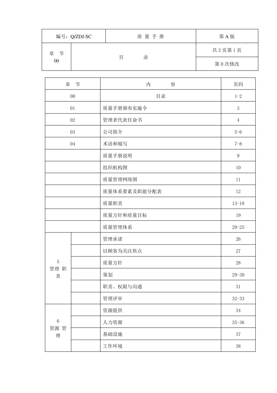
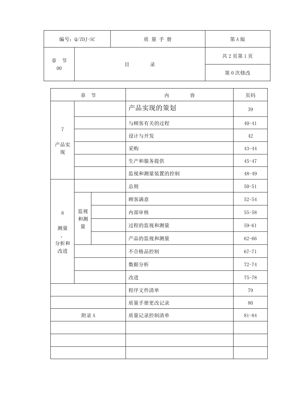
编号:Q/ZDJ-SC章节00质 量 手 册第 A 版共 2 页第 1 页目录第 0 次修改章节0001020304质量手册颁布实施令管理者代表任命书公司简介术语和缩写质量手册说明组织机构图质量管理网络图质量体系要素及职能分配表质量职责质量方针和质量目标质量管理体系管理承诺以顾客为关注焦点质量方针策划职责、权限与沟通管理评审资源提供人力资源基础设施工作环境内容目录页码1-2345-67-8910111213-181920-2526272829-303132-333435-3637385管理 职责6资源 管理编号:Q/ZDJ-SC质 量 手 册第 A 版共 2 页第 1 页章节00目录第 0 次修改章节内容页码3940-414243-4445-4748-4950-5152-5455-5859-6162-6667-7172-7475-78798081-84产品实现的策划与顾客有关的过程设计与开发采购生产和服务提供监视和测量装置的控制总则顾客满意内部审核过程的监视和测量产品的监视和测量不合格品控制数据分析改进程序文件清单质量手册更改记录质量记录控制清单7产品实现8测量、分析和改进监视和测量附录 A编号:Q/ZDJ-SC质 量 手 册第 A 版共 1 页第 1 页章节01质量手册颁布实施令质量手册颁布实施令第 0 次修改本手册是依据 GB/T19001﹕2000 标准,结合集团公司所付诸的管理方式和有效管理经验编制而成。它是实施与保持质量体系有效运行的纲领性文件和企业法规,手册覆盖了本集团公司涉及贯标的公路工程项目,通过手册的贯彻落实,以确保集团公司质量方针、质量目标的实现,增强全员质量意识,提高质量管理水平,进一步促进集团公司的全面发展。经审核,质量手册完全符合所选用质量保证模式的要求,现批准予以发布并于 2003 年 8 月 18日执行我保证,从发布之日起,不作出与质量手册相违背的指令和行动。董事长:2003 年 3 月 8 日聘書表聘期兹 聘 请贰年号金江东聘字( 5 )任管理者代特授予此证二○○二年一月一日编号:Q/ZDJ-SC质 量 手 册第 A 版共 2 页第 1 页章节03公司简介第 0 次修改浙江登峰交通集团有限公司是一家立足道路、桥梁、交通基础工程施工为主,多元化经营的股份制集团企业,具有国家公路一级资质,是浙江省公路施工的骨干企业。集团有限公司源于萧山市交通工程公司和萧山市临浦公路建设工程公司强强联合组建,公司经过8 年的创业,逐步发展到目前占地19 万平方米,总资产 5 亿元,员工 1200 人(其中工程技术人员 225 人),2000、2001、2002 年三年分别完成工程总产值亿元、亿元和亿元...

1、当您付费下载文档后,您只拥有了使用权限,并不意味着购买了版权,文档只能用于自身使用,不得用于其他商业用途(如 [转卖]进行直接盈利或[编辑后售卖]进行间接盈利)。
2、本站所有内容均由合作方或网友上传,本站不对文档的完整性、权威性及其观点立场正确性做任何保证或承诺!文档内容仅供研究参考,付费前请自行鉴别。
3、如文档内容存在违规,或者侵犯商业秘密、侵犯著作权等,请点击“违规举报”。

碎片内容

建筑行业质量管理手册

确认删除?
VIP
微信客服
  • 扫码咨询
会员Q群
  • 会员专属群点击这里加入QQ群
客服邮箱
回到顶部