电脑桌面
添加小米粒文库到电脑桌面
安装后可以在桌面快捷访问

强条执行计划表

强条执行计划表_第1页
1/27
强条执行计划表_第2页
2/27
强条执行计划表_第3页
3/27
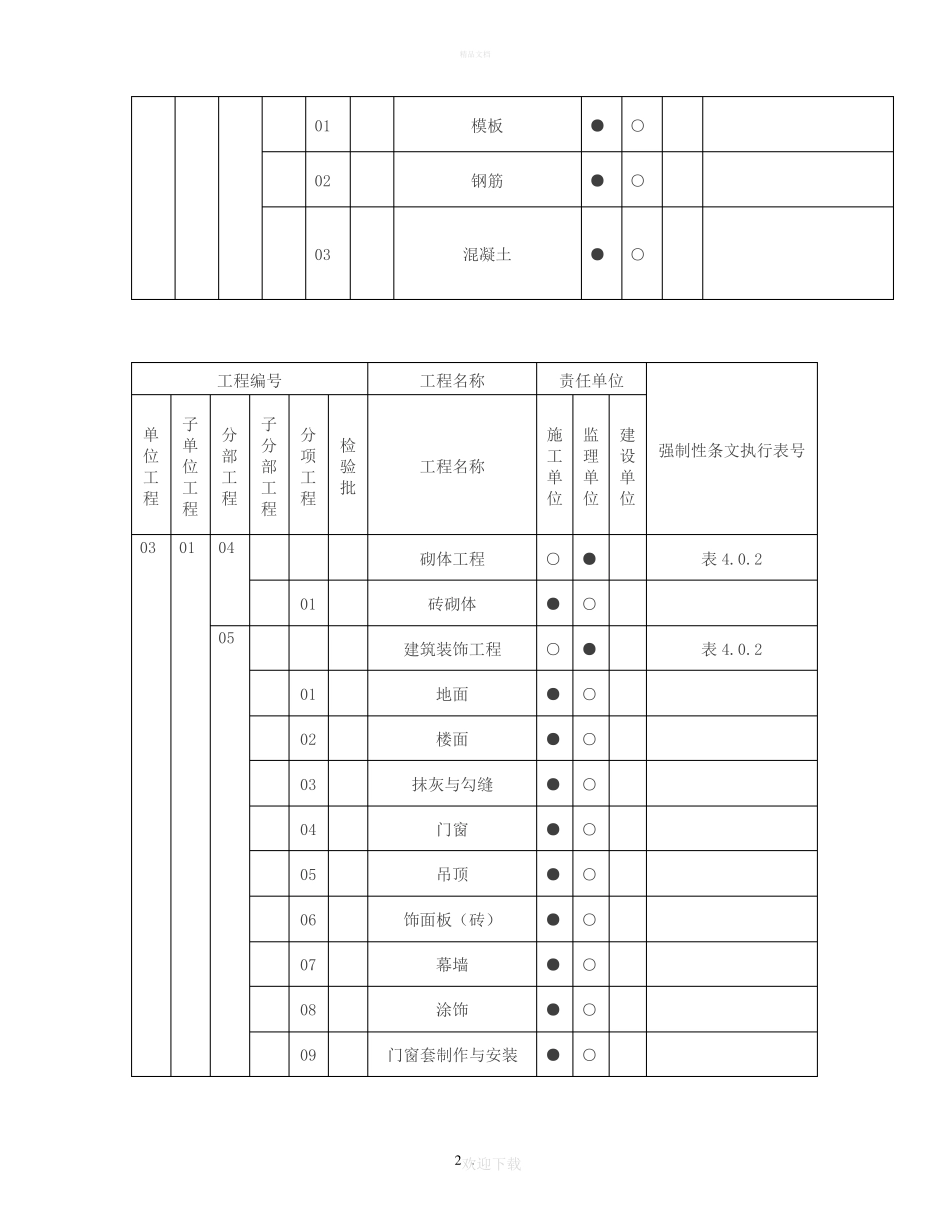
精品文档表 3.0.2 变电站建筑工程施工强制性条文执行计划表工程编号责任单位单位工程子单位工程分部工程子分部工程分项工程检验批工程名称施工单位监理单位建设单位强制性条文执行表号0301010203主体结构○●01020304建筑混凝土基础垫层基础模板基础钢筋基础混凝土○●010203地基与基础定位及高层控制土石方开挖土方回填○●综控楼工程○○●升压站土建工程表 4.0.2●○●○●○表 4.0.2●○●○●○●○表 4.0.2。1欢迎下载精品文档0102模板钢筋●○●○工程编号子单单位位工工程程子分分部部工工程程05分检项验工批程工程名称责任单位施工单位监理单位建设强制性条文执行表号单位03混凝土●○工程名称03010401010203040506070809砌体工程砖砌体建筑装饰工程地面楼面抹灰与勾缝门窗吊顶饰面板(砖)幕墙涂饰门窗套制作与安装○●●○○●●○●○●○●○●○●○●○●○●○表 4.0.2表 4.0.2。2欢迎下载精品文档06100102030405护栏与扶手制作安装●○建筑屋面屋面找平层屋面保温层屋面卷材防水层金属板材屋面屋面工程细部构造○●●○●○●○●○●○表 4.0.2工程编号子单位工程01子分部工程080903责任单位单位工程03分部工程07分项工程检验批工程名称施工单位监理单位建设单位强制性条文执行表号01020301020301建筑给水与排水室内给水系统室内排水系统卫生器具安装建筑电气○●●○●○●○○●表 4.0.2表 4.0.2电气动力、照明安装●○防雷与接地装置安装●○盘、柜基础型钢安装●○其他工程民用建筑工程室内环境污染控制工程配电室土建工程○●●○表 4.0.2。3欢迎下载精品文档020101020301020304配电室工程地基与基础定位及高层控制土石方开挖土方回填建筑混凝土基础垫层基础模板基础钢筋基础混凝土○○●○●●○●○●○○●●○●○●○●○表 4.0.202表 4.0.2工程编号子单单位位工工程程子分分部部工工程程04分检项验工批程责任单位施工单位监理单位建设强制性条文执行表号单位工程名称030203主体结构模板钢筋混凝土砌石工程砌体工程砖砌体○●●○●○●○●○○●●○表 4.0.20102030401表 4.0.2。4欢迎下载精品文档050102030405060708091001建筑装饰工程地面楼面抹灰与勾缝门窗吊顶饰面板(砖)幕墙涂饰门窗套制作与安装○●●○●○●○●○●○●○●○●○●○表 4.0.2护栏与扶手制作安装●○建筑屋面屋面找平层工程名称○●●○06表 4.0.2工程编号子单单位位工工程程子分分部部工工程程分检项验工批程责任单位...

1、当您付费下载文档后,您只拥有了使用权限,并不意味着购买了版权,文档只能用于自身使用,不得用于其他商业用途(如 [转卖]进行直接盈利或[编辑后售卖]进行间接盈利)。
2、本站所有内容均由合作方或网友上传,本站不对文档的完整性、权威性及其观点立场正确性做任何保证或承诺!文档内容仅供研究参考,付费前请自行鉴别。
3、如文档内容存在违规,或者侵犯商业秘密、侵犯著作权等,请点击“违规举报”。

碎片内容

强条执行计划表

确认删除?
VIP
微信客服
  • 扫码咨询
会员Q群
  • 会员专属群点击这里加入QQ群
客服邮箱
回到顶部