电脑桌面
添加小米粒文库到电脑桌面
安装后可以在桌面快捷访问

FX系列PLC的基本控制指令VIP专享

FX系列PLC的基本控制指令_第1页
1/36
FX系列PLC的基本控制指令_第2页
2/36
FX系列PLC的基本控制指令_第3页
3/36
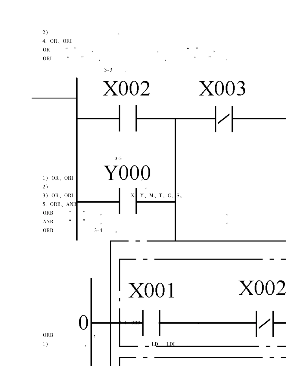
59 第 三 章FX 系列 PLC 的基本控制指令PLC 的指令有基本指令和功能指令之分, 我们以三菱 FX2N 系列为例来学习。FX2N系列 PLC 共有基本指令 27 条, 如表 3-1 所示。表 3-1 三菱 FX 系列 PLC 基本指令助记符指令名称功能助记符指令名称功能取指令与输出指令块操作指令LD取指令运算开始, 常开触点ANB块与指令电路块串联LDI取反指令运算开始, 常闭触点ORB块或指令电路块并联LDP取上升沿指令上升沿检出运算开始置位与复位指令LDF取下降沿指令下降沿检出运算开始SET置位指令线圈动作并保持OUT输出指令对线圈进行驱动RST复位指令解除线圈动作触点串联指令微分指令AND与指令串联连接常开触点PLS上升沿微分指令上升沿输出脉冲ANI与非指令串联连接常闭触点PLF下降沿微分指令下降沿输出脉冲ANDP上升沿与指令上升沿检出串联主控指令ANDF下降沿与指令下降沿检出串联MC主控指令产生临时左母线触点并联指令MCR主控复位指令取消临时左母线OR或指令并联连接常开触点堆栈指令ORI或非指令并联连接常闭触点MPS进栈指令运算存储ORP上升沿或指令上升沿检出并联MRD读栈指令存储读出ORF下降沿或指令下降沿检出并联MPP出栈指令存储读出和复位INV取反指令运算结果取反NOP空操作指令无动作END结束指令程序结束60 第一节 基本逻辑指令一、 基本的连接与驱动指令1. LD、 LDILD 称为 “ 取”指令, 用于单个常开触点与左母线的连接。LDI 称为 “ 取反”指令, 用于单个常闭触点与左母线的连接。2. OUTOUT 称为 “ 驱动”指令, 是用于对线圈进行驱动的指令。“ 取”指令与 “ 驱动”指令的使用如图 3-1 所示。图 3-1 “ 取”指令与 “ 驱动”指令的使用指令使用说明:1) LD 和 LDI 指令可以用于软元件 X、 Y、 M、 T、 C 和 S。2) LD 和 LDI 指令还可以与 ANB、 ORB 指令配合, 用于分支电路的起点处。3) OUT 指令可以用于 Y、 M、 T、 C 和 S, 但是不能用于输入继电器 X。4) 对于定时器和计数器, 在 OUT 指令之后应设置常数 K 或数据寄存器 D。3. AND、 ANIAND 称为 “ 与”指令, 用于单个常开触点的串联, 完成逻辑 “ 与”的运算。ANI 称为 “ 与非”指令, 用于单个常闭触点的串联, 完成逻辑 “ 与非”的运算。触点串联指令的使用如图 3-2 所示。图 3-2 触点串联指令的使用指令使用说明:1) AND、 ANI 的目标元件可以是 X、 Y、 M、 T、 C 和 S。61 2)...

1、当您付费下载文档后,您只拥有了使用权限,并不意味着购买了版权,文档只能用于自身使用,不得用于其他商业用途(如 [转卖]进行直接盈利或[编辑后售卖]进行间接盈利)。
2、本站所有内容均由合作方或网友上传,本站不对文档的完整性、权威性及其观点立场正确性做任何保证或承诺!文档内容仅供研究参考,付费前请自行鉴别。
3、如文档内容存在违规,或者侵犯商业秘密、侵犯著作权等,请点击“违规举报”。

碎片内容

FX系列PLC的基本控制指令

确认删除?
VIP
微信客服
  • 扫码咨询
会员Q群
  • 会员专属群点击这里加入QQ群
客服邮箱
回到顶部