电脑桌面
添加小米粒文库到电脑桌面
安装后可以在桌面快捷访问

消声器制作与安装施工交底记录

消声器制作与安装施工交底记录_第1页
1/11
消声器制作与安装施工交底记录_第2页
2/11
消声器制作与安装施工交底记录_第3页
3/11
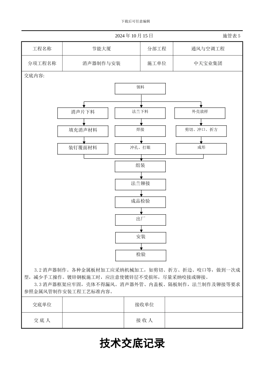
下载后可任意编辑技术交底记录2024 年 10 月 15 日施管表 5工程名称节能大厦分部工程通风与空调工程分项工程名称消声器制作与安装施工单位中天宝业集团交底内容:1、依据标准:《建筑工程施工质量验收统一标准》 GB50300-2001《通风与空调工程施工质量验收法律规范》 GB50243-20242、施工准备2.1 材料要求及主要机具:2.1.1 各种板材、型钢应具有出厂合格证明书或质量鉴定文件。2.1.2 除上述证明文件外,应进行外观检查。板材表面应平整,厚度均匀,无凸凹及明显压伤现象,并不得有裂纹、分层、麻点及锈蚀情况。型钢应等型,不应有裂纹、划痕、麻点及其它影响质量的缺陷。2.1.3 吸声材料应严格根据设计要求选用,并满足对防火、防潮和耐腐蚀性能的要求。2.1.4 其它材料不能因具有缺陷而导致成品强度的降低或影响其使用效果。2.1.5 龙门剪板机、振动式曲线剪板机、手动电动剪、倒角机、咬口机、折方机、咬口压实机、合缝机、型钢切割机、冲孔机、台钻、手电钻、液压铆钉钳、电动拉铆枪、空气压缩机、油漆喷枪、钢直尺、角尺、量角器、划规、划针、洋冲、铁锤、木锤、拍板、滑轮、倒链、绳索、活动扳手、钢丝钳、螺丝刀、钢锯、线锤、钢卷尺、水平尺等。2.2 作业条件:2.2.1 应具有宽敞、明亮、地面平整、洁净的厂房。2.2.2 作业地点要有满足加工工艺要求的机具、设施、电源、安全防护装置及消防器材。2.2.3 消声器制作应根据设计图纸和标准图的要求进行,并有施工员书面的质量、技术、安全交底。2.2.4 消声器制作所运用的材料,应符合设计规定的防火、防腐、防潮和卫生的要求。3、操作工艺3.1 工艺流程:交底单位接收单位交 底 人接 收 人技术交底记录下载后可任意编辑2024 年 10 月 15 日施管表 5工程名称节能大厦分部工程通风与空调工程分项工程名称消声器制作与安装施工单位中天宝业集团交底内容:3.2 消声器制作。各种金属板材加工应采纳机械加工,如剪切、折方、折边、咬口等,做到一次成型,减少手工操作。镀锌钢板施工时,应注意使镀锌层不受损坏,尽量采纳咬接或铆接。3.3 消声器框架应牢固,壳体不得漏风。消声器外管、内盖板、隔板制作,法兰制作及铆接等要求参照金属风管制作安装工程工艺标准内容。交底单位接收单位交 底 人接 收 人技术交底记录领料法兰下料外壳放样焊接消声片下料填充消声材料冲孔、打眼成形剪切、冲口、折方装钉覆面材料检验安装出厂成品检验法兰铆接组装下载后可任意编辑2024 年...

1、当您付费下载文档后,您只拥有了使用权限,并不意味着购买了版权,文档只能用于自身使用,不得用于其他商业用途(如 [转卖]进行直接盈利或[编辑后售卖]进行间接盈利)。
2、本站所有内容均由合作方或网友上传,本站不对文档的完整性、权威性及其观点立场正确性做任何保证或承诺!文档内容仅供研究参考,付费前请自行鉴别。
3、如文档内容存在违规,或者侵犯商业秘密、侵犯著作权等,请点击“违规举报”。

碎片内容

消声器制作与安装施工交底记录

确认删除?
VIP
微信客服
  • 扫码咨询
会员Q群
  • 会员专属群点击这里加入QQ群
客服邮箱
回到顶部