电脑桌面
添加小米粒文库到电脑桌面
安装后可以在桌面快捷访问

GB500932013自动化仪表工程施工及质量验收规范配套表格

GB500932013自动化仪表工程施工及质量验收规范配套表格_第1页
1/61
GB500932013自动化仪表工程施工及质量验收规范配套表格_第2页
2/61
GB500932013自动化仪表工程施工及质量验收规范配套表格_第3页
3/61
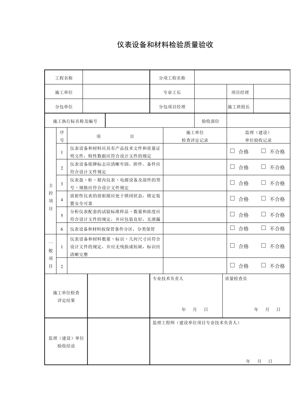
仪表设备和材料检验质量验收 工程名称 分项工程名称 施工单位 专业工长 项目经理 分包单位 分包项目经理 施工班组长 施工执行标名称及编号 验收部位 序号 项 目 施工单位 检查评定记录 监理(建设) 单位验收记录 1 仪表设备和材料应具有产品技术文件和质量证明文件,特性数据应符合设计文件的规定 □ 合格 □ 不合格 2 仪表设备铭牌标志应清晰牢固,附件、备件应符合设计文件规定 □ 合格 □ 不合格 3 仪表盘丶柜丶箱内仪表丶电源设备及部件的型号丶规格应符合设计文件规定 □ 合格 □ 不合格 4 放射性仪表的放射源应处于锁闭状态,锁定装置安全可靠 □ 合格 □ 不合格 5 分析仪表配套的试验标准样品丶数量和浓度应符合设计文件的规定,并应包装良好,无泄漏 □ 合格 □ 不合格 主控项目 6 仪表设备和材料按保管条件分区,分类保管 □ 合格 □ 不合格 1 仪表设备和材料数量丶标识丶几何尺寸应符合设计文件的规定,并应无残损或短缺,标识应清晰完整 □ 合格 □ 不合格 一般项目 2 □ 合格 □ 不合格 施工单位检查 评定结果 专业技术负责人 年 月 日 质量检查员 年 月 日 监理(建设)单位 验收结论 监理工程师(建设单位项目专业技术负责人) 年 月 日 物位取源部件安装检验批质量验收记录 工程名称 分项工程名称 施工单位 专业工长 项目经理 分包单位 分包项目经理 施工班组长 施工执行标名称及编号 验收部位 主控项目 序号 项 目 施工单位 检查评定记录 监理(建设) 单位验收记录 1 取源部件的结构尺寸、材质和安装位置应符合设计文件的规定 □ 合格 □ 不合格 2 在设备或管道上安装取源部件的开孔和焊接工作,应符合本规范第5.1.3 条的规定 □ 合格 □ 不合格 3 4 5 6 一般项目 1 取源部件安装完毕后,应随同设备和管道进行压力试验 □ 合格 □ 不合格 2 在砌体和混凝土浇筑体上安装的取源部件,埋入深度,露出长度应符合设计文件的规定,安装孔周围应用设计文件要求的材料填充密实,封堵严密 □ 合格 □ 不合格 施工单位检查 评定结果 专业技术负责人 年 月 日 监理(建设)单位 验收结论 监理工程师(建设单位项目专业技术负责人) 年 月 日 压力取源部件安装检验批质量验收记录 工程名称 分项工程名称 施工单位 专业工长 项目经理 分包单位 分包项目经理 施工班组长 施工执行...

1、当您付费下载文档后,您只拥有了使用权限,并不意味着购买了版权,文档只能用于自身使用,不得用于其他商业用途(如 [转卖]进行直接盈利或[编辑后售卖]进行间接盈利)。
2、本站所有内容均由合作方或网友上传,本站不对文档的完整性、权威性及其观点立场正确性做任何保证或承诺!文档内容仅供研究参考,付费前请自行鉴别。
3、如文档内容存在违规,或者侵犯商业秘密、侵犯著作权等,请点击“违规举报”。

碎片内容

GB500932013自动化仪表工程施工及质量验收规范配套表格

确认删除?
VIP
微信客服
  • 扫码咨询
会员Q群
  • 会员专属群点击这里加入QQ群
客服邮箱
回到顶部