电脑桌面
添加小米粒文库到电脑桌面
安装后可以在桌面快捷访问

GB501842011工业管道质量验收表格

GB501842011工业管道质量验收表格_第1页
1/37
GB501842011工业管道质量验收表格_第2页
2/37
GB501842011工业管道质量验收表格_第3页
3/37
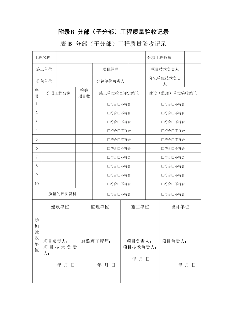
附录D 工程质量保证资料检查记录 表D 工程质量保证资料检查记录 工程名称 施工单位 分类 序号 资料名称 份 数 检查意见 检查人 质 量 管 理 1 现场质量管理制度及质量责任制 □符合□不符合 2 施工单位、检验单位资质审查 □符合□不符合 3 施工图审查 □符合□不符合 4 施工技术标准 □符合□不符合 5 施工组织设计、施工方案及审批 □符合□不符合 6 技术和安全交底 □符合□不符合 7 主要专业操作上岗证 □符合□不符合 8 监视及测量设备检定 □符合□不符合 9 现场材料、设备存放与管理 质 量 控 制 1 图纸会审、设计变更、材料代用单、协商记 □符合□不符合 2 工程开工文件 □符合□不符合 3 材料质量证明文件及检验试验报告 □符合□不符合 4 施工记录 □符合□不符合 5 施工检测、检验试验报告 □符合□不符合 6 隐蔽工程(封闭)验收记录 □符合□不符合 7 中间交接记录 □符合□不符合 8 单位、分部、分项工程质量验收记录 □符合□不符合 9 压力管道安装监督检验报告 □符合□不符合 1 0 质量事故处理记录 □符合□不符合 1 1 竣工图 □符合□不符合 结论: 施工单位项目负责人: 年 月 日 建设单位项目负责人 (总监理工程师): 年 月 日 附录C 单位(子单位)工程质量验收记录 表C 单位工程质量验收记录 工程名称 施工单位 开工日期 项目经理 项目技术负责人 竣工日期 序 号 项 目 验收记录 结 论 1 分部工程 共 分部,经检查 分部, 符合标准及设计要求 分部 2 质量控制资料 共 项,经检查符合要求项 3 综合验收结论 参 加 验 收 单 位 建设单位 监理单位 施工单位 设计单位 (公章) 项目负责人: 年 月 日 (公章) 总监理工程师: 年 月 日 (公章) 项目负责人: 年 月 日 (公章) 项目负责人: 年 月 日 附录B 分部(子分部)工程质量验收记录 表B 分部(子分部)工程质量验收记录 工程名称 分项工程数量 施工单位 项目经理 项目技术负责人 分包单位 分包单位负责人 分包单位技术负责人 序 号 分项工程名称 检验 项目数 施工单位检查评定结论 建设(监理)单位验收结论 1 □符合□不符合 □符合□不符合 2 □符合□不符合 □符合□不符合 3 □符合□不符合 □符合□不符合 4 □符合□不符合 □符合□不符合 5 □符合□不符合 ...

1、当您付费下载文档后,您只拥有了使用权限,并不意味着购买了版权,文档只能用于自身使用,不得用于其他商业用途(如 [转卖]进行直接盈利或[编辑后售卖]进行间接盈利)。
2、本站所有内容均由合作方或网友上传,本站不对文档的完整性、权威性及其观点立场正确性做任何保证或承诺!文档内容仅供研究参考,付费前请自行鉴别。
3、如文档内容存在违规,或者侵犯商业秘密、侵犯著作权等,请点击“违规举报”。

碎片内容

GB501842011工业管道质量验收表格

确认删除?
VIP
微信客服
  • 扫码咨询
会员Q群
  • 会员专属群点击这里加入QQ群
客服邮箱
回到顶部