电脑桌面
添加小米粒文库到电脑桌面
安装后可以在桌面快捷访问

GB50348验收表汇总

GB50348验收表汇总_第1页
1/7
GB50348验收表汇总_第2页
2/7
GB50348验收表汇总_第3页
3/7
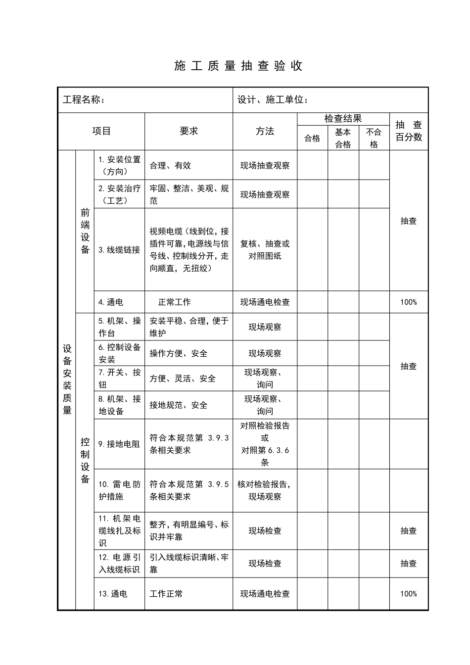
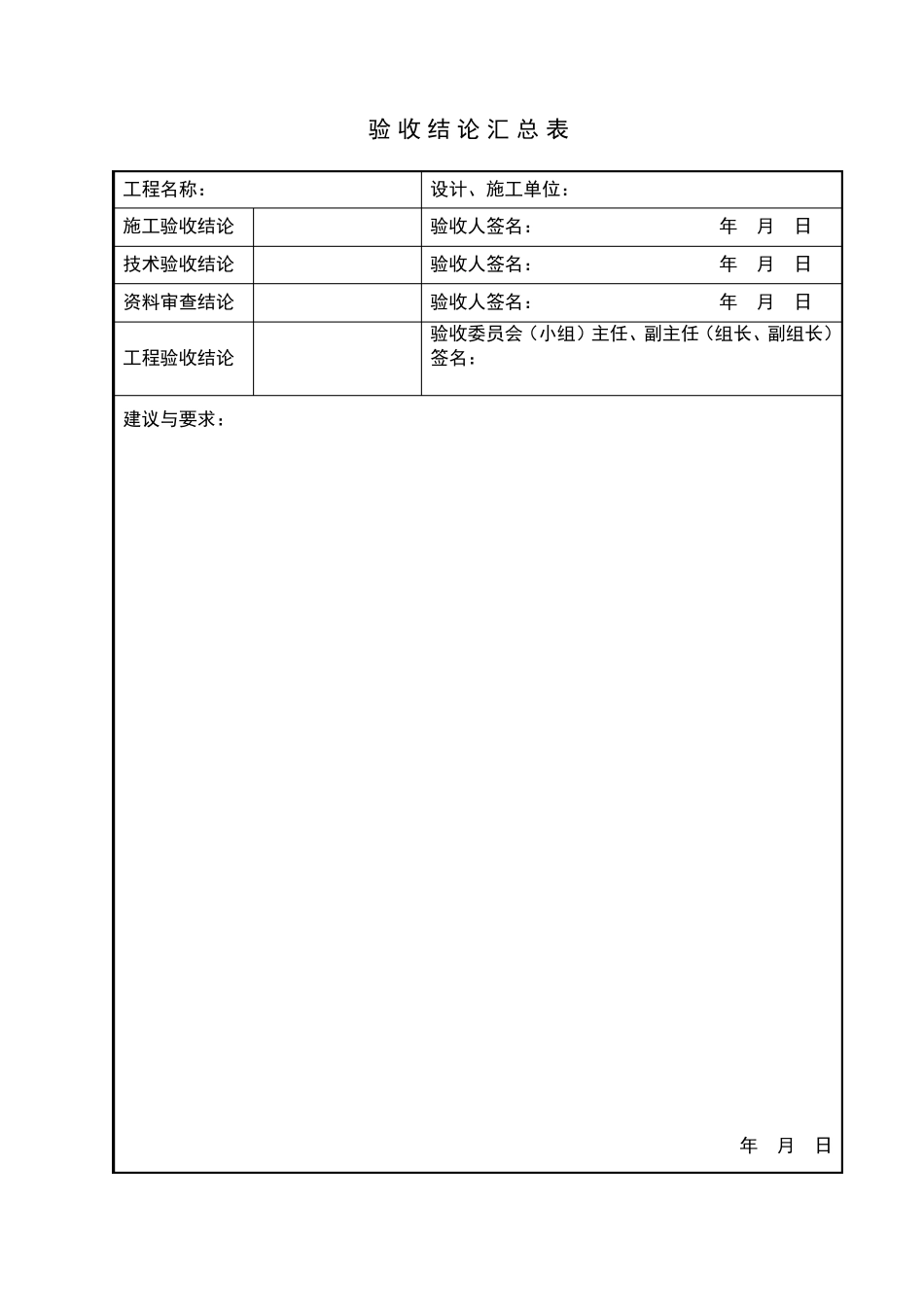
验收结论汇总表 工程名称: 设计、施工单位: 施工验收结论 验收人签名: 年 月 日 技术验收结论 验收人签名: 年 月 日 资料审查结论 验收人签名: 年 月 日 工程验收结论 验收委员会(小组)主任、副主任(组长、副组长) 签名: 建议与要求: 年 月 日 资料审查表 工程名称: 序号 审查内容 审查情况 完整性 准确性 合格 基本 合格 不合格 合格 基本 合格 不合格 1 设计任务书 2 合同(或协议书) 3 初步设计论证意见 (含评审委员会、小组人员名单) 4 通过初步设计论证的整改落实意见 5 正式设计文件和相关图纸 6 系统试运行报告 7 工程竣工报告 8 系统使用说明书 (含操作说明及日常简单维护说明) 9 售后服务条款 1 0 工程初验报告 (含隐蔽工程随工验收单) 11 工程竣工核算报告 12 工程检验报告 13 图纸绘制规范要求 合格 基本 合格 不合格 审查结 论KZ (合格率)统计 审查结论 审查组(人员)签名: 日期: 年 月 日 施工质量抽查验收 工程名称: 设计、施工单位: 项目 要求 方法 检查结果 抽 查 百分数 合格 基本 合格 不合格 设备安装质量 前端设备 1.安装位置(方向) 合理、有效 现场抽查观察 抽查 2.安装治疗(工艺) 牢固、整洁、美观、规范 现场抽查观察 3.线缆链接 视频电缆(线到位,接插件可靠,电源线与信号线、控制线分开,走向顺直,无扭绞) 复核、抽查或 对照图纸 4.通电 正常工作 现场通电检查 100% 控制设备 5.机架、操作台 安装平稳、合理,便于维护 现场观察 抽查 6.控制设备安装 操作方便、安全 现场观察 7.开关、按钮 方便、灵活、安全 现场观察、 询问 8.机架、接地设备 接地规范、安全 现场观察、 询问 9.接地电阻 符合本规范第 3.9.3条相关要求 对照检验报告或 对照第 6.3.6条 10. 雷 电 防护措施 符合本规范第 3.9.5条相关要求 核对检验报告, 现场观察 11. 机 架 电缆线扎及标识 整齐,有明显编号、标识并牢靠 现场检查 抽查 12. 电 源 引入线缆标识 引入线缆标识清晰、牢靠 现场检查 抽查 13.通电 工作正常 现场通电检查 100% 施工质量抽查验收 工程名称: 设计、施工单位: 项目 要求 方法 检查结果 抽 查 百分数 合格 基本合格 不合格 管线 敷设 质量 14. 明 敷 管线 牢固美观、与室内装饰协调,抗干扰 现场...

1、当您付费下载文档后,您只拥有了使用权限,并不意味着购买了版权,文档只能用于自身使用,不得用于其他商业用途(如 [转卖]进行直接盈利或[编辑后售卖]进行间接盈利)。
2、本站所有内容均由合作方或网友上传,本站不对文档的完整性、权威性及其观点立场正确性做任何保证或承诺!文档内容仅供研究参考,付费前请自行鉴别。
3、如文档内容存在违规,或者侵犯商业秘密、侵犯著作权等,请点击“违规举报”。

碎片内容

GB50348验收表汇总

您可能关注的文档

确认删除?
VIP
微信客服
  • 扫码咨询
会员Q群
  • 会员专属群点击这里加入QQ群
客服邮箱
回到顶部