电脑桌面
添加小米粒文库到电脑桌面
安装后可以在桌面快捷访问

GB505002008清单计价规范附录C安装(自动保存的)

GB505002008清单计价规范附录C安装(自动保存的)_第1页
1/139
GB505002008清单计价规范附录C安装(自动保存的)_第2页
2/139
GB505002008清单计价规范附录C安装(自动保存的)_第3页
3/139
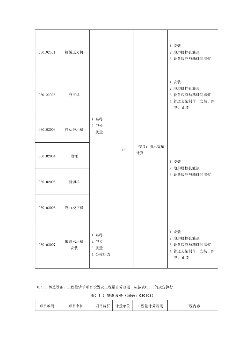
附录C 安装工程工程量清单项目及计算规则 一、实体项目 C.1 机械设备安装工程 C.1.1 切削设备。工程量清单项目设置及工程量计算规则,应按表C.1.1的规定执行。 表C.1.1 切削设备(编码:030101) 项目编码 项目名称 项目特征 计量单位 工程量计算规则 工程内容 030101001 台式及仪表机床 1.名称 2.型号 3.质量 台 按设计图示数量计算 1.安装 2.地脚螺栓孔灌浆 3.设备底座与基础间灌浆 030101002 车床 030101003 立式车床 030101004 钻床 030101005 镗床 030101006 磨床安装 030101007 铣床 030101008 齿轮加工 机床 030101009 螺纹加工 机床 030101010 刨床 030101011 插床 030101012 拉床 030101013 超声波加工机床 030101014 电加工机床 030101015 金属材料 试验机械 030101016 数控机床 030101017 木工机械 030101018 跑车带锯机 1.本体安装 2.保护罩制作、安装、除锈、刷漆 030101019 其他机床 1.安装 2.地脚螺栓孔灌浆 3.设备底座与基础间灌浆 C.1.2 锻压设备。工程量清单项目设置及工程量计算规则,应按表C.1.2的规定执行。 表C.1.2 锻压设备(编码:030102) 项目编码 项目名称 项目特征 计量单位 工程量计算规则 工程内容 030102001 机械压力机 1.名称 2.型号 3.质量 台 按设计图示数量计算 1.安装 2.地脚螺栓孔灌浆 3.设备底座与基础间灌浆 030102002 液压机 1.安装 2.地脚螺栓孔灌浆 3.设备底座与基础间灌浆 4.管道支架制作、安装、除锈、刷漆 030102003 自动锻压机 1.安装 2.地脚螺栓孔灌浆 3.设备底座与基础间灌浆 030102004 锻锤 030102005 剪切机 030102006 弯曲校正机 030102007 锻造水压机 安装 1.名称 2.型号 3.质量 4.公称压力 1.安装 2.地脚螺栓孔灌浆 3.设备底座与基础间灌浆 4.管道支架制作、安装、除锈、刷漆 C.1.3 铸造设备。工程量清单项目设置及工程量计算规则,应按表C.1.3的规定执行。 表C.1.3 铸造设备(编码:030103) 项目编码 项目名称 项目特征 计量单位 工程量计算规则 工程内容 030103001 砂处理设备 1.名称 2.型号 3.质量 台 按设计图示数量计算 1.安装 2.地脚螺栓孔灌浆 3.设备底座与基础间灌浆 4.管道支架制作、安装、除 锈、刷漆 030103002 造型设备 030103003 造芯设备 030103004 落砂设备 030103005 清理设备 030103006 金属型铸造设备 030103007...

1、当您付费下载文档后,您只拥有了使用权限,并不意味着购买了版权,文档只能用于自身使用,不得用于其他商业用途(如 [转卖]进行直接盈利或[编辑后售卖]进行间接盈利)。
2、本站所有内容均由合作方或网友上传,本站不对文档的完整性、权威性及其观点立场正确性做任何保证或承诺!文档内容仅供研究参考,付费前请自行鉴别。
3、如文档内容存在违规,或者侵犯商业秘密、侵犯著作权等,请点击“违规举报”。

碎片内容

GB505002008清单计价规范附录C安装(自动保存的)

您可能关注的文档

确认删除?
VIP
微信客服
  • 扫码咨询
会员Q群
  • 会员专属群点击这里加入QQ群
客服邮箱
回到顶部