电脑桌面
添加小米粒文库到电脑桌面
安装后可以在桌面快捷访问

GBT42002008高温作业分级

GBT42002008高温作业分级_第1页
1/6
GBT42002008高温作业分级_第2页
2/6
GBT42002008高温作业分级_第3页
3/6
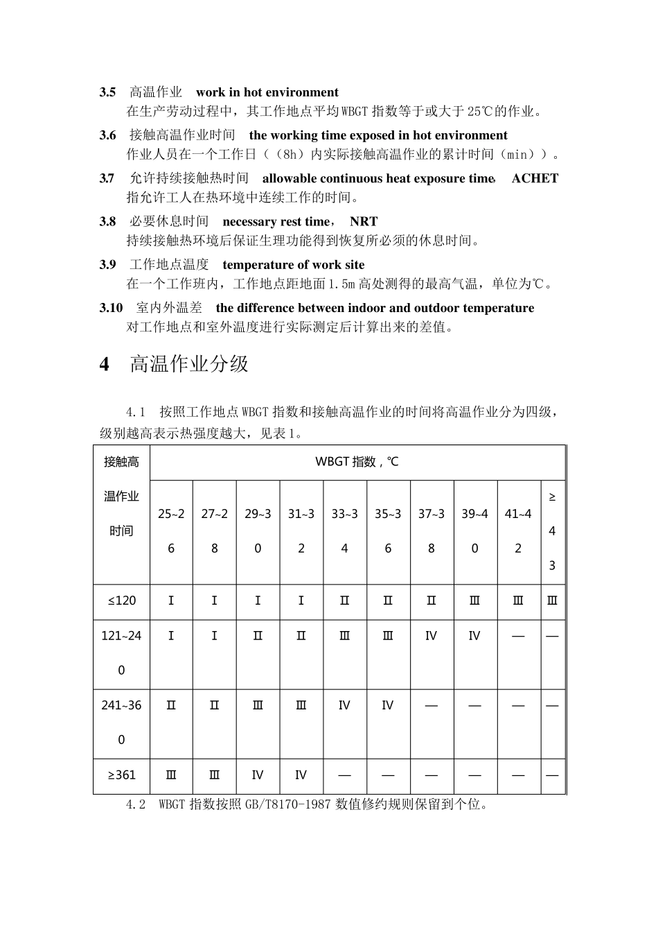
高温作业分级 国 家 质 量 监 督 检 验 检 疫 总 局 国 家 标 准 化 管 理 委 员 会 2008 年 10 月 30 日 以 GB/T4200-2008 发布自 2009 年 6 月 1 日 起实施 1 范 围 本 标 准 规 定 了 高 温 作 业 环 境 热 强 度 大 小 的 分 级 和 高 温 作 业 人 员 允 许 持 续 接触 热 时 间 与 休 息 时 间 限 值 。 本 标 准 适 用 于 对 高 温 作 业 实 施 职 业 安 全 卫 生 分 级 管 理 。允 许 持 续 接 触 热 时 间限 值 适 用 于 一 般 室 内 高 温 作 业 。 2 规 范 性 引 用 文 件 下 列 文 件 中 的 条 款 通 过 本 标 准 的 引 用 而 成 为 本 标 准 的 条 款 。凡 是 注 日 期 的 引用 文 件 , 其 随 后 所 有 的 修 改 单 ( 不 包 括 勘 误 的 内 容 ) 或 修 订 版 均 不 适 用 于 本 标 准 ,然 而 , 鼓 励 根 据 本 标 准 达 成 协 议 的 各 方 研 究 是 否 可 使 用 这 些 文 件 的 最 新 版 本 。凡是 不 注 日 期 的 引 用 文 件 , 其 最 新 版 本 适 用 于 本 标 准 。 GB/T8170-1987 数 值 修 约 规 则 GB 3869 体 力 劳 动 强 度 分 级 3 术 语 及 定 义 下 列 术 语 和 定 义 适 用 于 本 标 准 。 3.1 生 产 性 热 源 productive hot source 在生 产 过 程中 能够产 生 和 散发热 量的 生 产 设备、产 品或 工件 等。 3.2 工作 场所 work place 劳 动 者进行职 业 活动 的 所 有 地点。 3.3 工作 地点 work site 作 业 人 员 进行生 产 操作 或 为 了 观察生 产 情况需要经常或 定 期 停留的 地点。若因生 产 劳 动 需要, 作 业 人 员 在车间 内 不 同地点进行操作 , 则 整个车间 可 称为 工作地点。 3.4 WBGT 指数 WBGT-index WBGT 指数 亦称为 湿球黑球温 度 , 是 综合评价人 体 接 触 作 业 环 境 热 负荷的 一个基本 参量, 单 位为 ℃。 3.5 高温作业 work in hot environment 在生产劳动过程中,其工作地点平均WBGT 指数等于或大于25℃的作业。 3.6 接触高温作业时间 the w...

1、当您付费下载文档后,您只拥有了使用权限,并不意味着购买了版权,文档只能用于自身使用,不得用于其他商业用途(如 [转卖]进行直接盈利或[编辑后售卖]进行间接盈利)。
2、本站所有内容均由合作方或网友上传,本站不对文档的完整性、权威性及其观点立场正确性做任何保证或承诺!文档内容仅供研究参考,付费前请自行鉴别。
3、如文档内容存在违规,或者侵犯商业秘密、侵犯著作权等,请点击“违规举报”。

碎片内容

GBT42002008高温作业分级

小辰5+ 关注
实名认证
内容提供者

出售各种资料和文档

确认删除?
VIP
微信客服
  • 扫码咨询
会员Q群
  • 会员专属群点击这里加入QQ群
客服邮箱
回到顶部