电脑桌面
添加小米粒文库到电脑桌面
安装后可以在桌面快捷访问

GBT64511995三相油浸式电力变压器技术参数和要求

GBT64511995三相油浸式电力变压器技术参数和要求_第1页
1/66
GBT64511995三相油浸式电力变压器技术参数和要求_第2页
2/66
GBT64511995三相油浸式电力变压器技术参数和要求_第3页
3/66
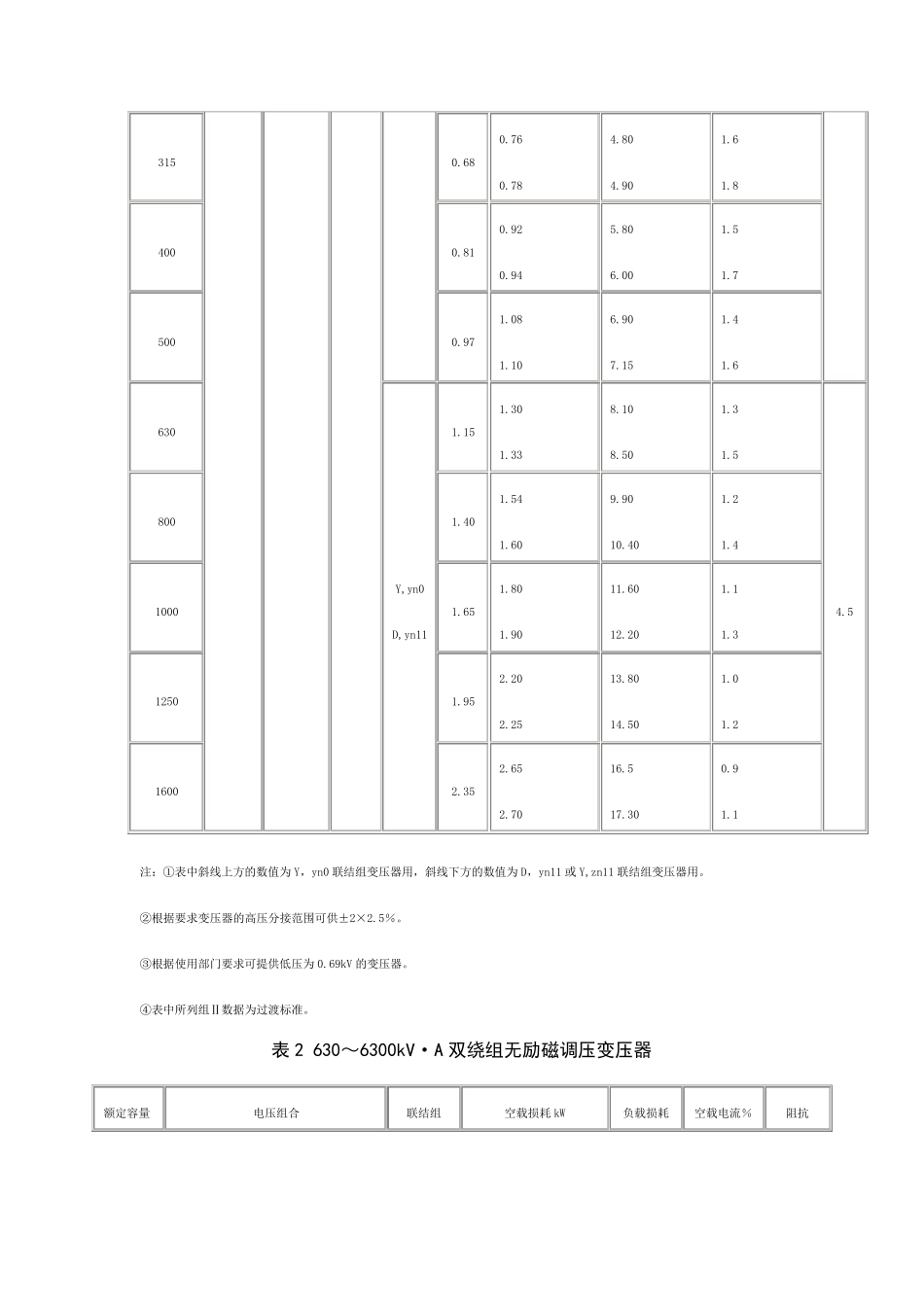
中华人民共和国国家标准 三相油浸式电力变压器技术参数和要求 GB/T 6451-1995 代替GB 6451.1~6451.5-86 Specification and technical requirements for three phase oil immersed pow er transformers 1 主题内容与适用范围 本标准规定了30~360000kV·A,6、10、35、63、110、220、330kV 级三相油浸式电力变压器的性能参数、技术要求、测试项目及标志、起吊、安装、运输和贮存。 本标准适用于电压等级为 6~330kV 级,额定容量为 30~360000kV·A,额定频率 50Hz 的三相油浸式电力变压器。 2 引用标准 下列标准所包含的条文,通过在本标准中引用而构成为本标准的条文。本标准出版时,所示版本均为有效。所有标准都会被修订,使用本标准的各方应探讨使用下列标准最新版本的可能性。 GB 1094.1~1094.5 85 电力变压器 GB 2900.15 82 电工名词术语 变压器 互感器 调压器 电抗器 GB 10237 88 电力变压器 绝缘水平和绝缘试验 外绝缘的空气间隙 GB 7595 87 运行中变压器油质量标准 第一篇 6、10kV 电压等级 3 性能参数 3.1 额定容量、电压组合、联结组标号及性能参数应符合表1~3 的规定。 表1 30~1600kV·A 双绕组无励磁调压变压器 额定容量kV·A 电压组合 联结组标号 空载损耗kW 负载损耗 kW 空载电流 % 阻抗电压% 高 压 kV 高压分接范围% 低 压 kV 组Ⅰ 组Ⅱ 30 6 6.3 10 10.5 11 ±5 0.4 Y,yn0 0.14 0.15 0.80 2.8 4 50 Y,yn0 D,yn11 Y,zn11 0.19 0.19 1.15 1.25 2.5 2.7 63 0.22 0.22 0.23 1.40 1.50 2.4 2.6 80 0.25 0.27 0.28 1.65 1.80 2.2 2.4 100 0.29 0.32 0.33 2.00 2.15 2.1 2.3 125 0.34 0.37 0.38 2.45 2.55 2.0 2.2 160 0.39 0.46 0.47 2.85 3.10 1.9 2.1 200 0.47 0.54 0.55 3.50 3.60 1.8 2.0 250 0.57 0.64 0.66 4.00 4.10 1.7 1.9 315 0.68 0.76 0.78 4.80 4.90 1.6 1.8 400 0.81 0.92 0.94 5.80 6.00 1.5 1.7 500 0.97 1.08 1.10 6.90 7.15 1.4 1.6 630 Y,yn0 D,yn11 1.15 1.30 1.33 8.10 8.50 1.3 1.5 4.5 800 1.40 1.54 1.60 9.90 10.40 1.2 1.4 1000 1.65 1.80 1.90 11.60 12.20 1.1 1.3 1250 1.95 2.20 2.25 13.80 14.50 1.0 1.2 1600 2.35 2.65 2.70 16.5 17.30 0.9 1.1 注...

1、当您付费下载文档后,您只拥有了使用权限,并不意味着购买了版权,文档只能用于自身使用,不得用于其他商业用途(如 [转卖]进行直接盈利或[编辑后售卖]进行间接盈利)。
2、本站所有内容均由合作方或网友上传,本站不对文档的完整性、权威性及其观点立场正确性做任何保证或承诺!文档内容仅供研究参考,付费前请自行鉴别。
3、如文档内容存在违规,或者侵犯商业秘密、侵犯著作权等,请点击“违规举报”。

碎片内容

GBT64511995三相油浸式电力变压器技术参数和要求

确认删除?
VIP
微信客服
  • 扫码咨询
会员Q群
  • 会员专属群点击这里加入QQ群
客服邮箱
回到顶部