电脑桌面
添加小米粒文库到电脑桌面
安装后可以在桌面快捷访问

GPS控制测量各种规范限差

GPS控制测量各种规范限差_第1页
1/11
GPS控制测量各种规范限差_第2页
2/11
GPS控制测量各种规范限差_第3页
3/11
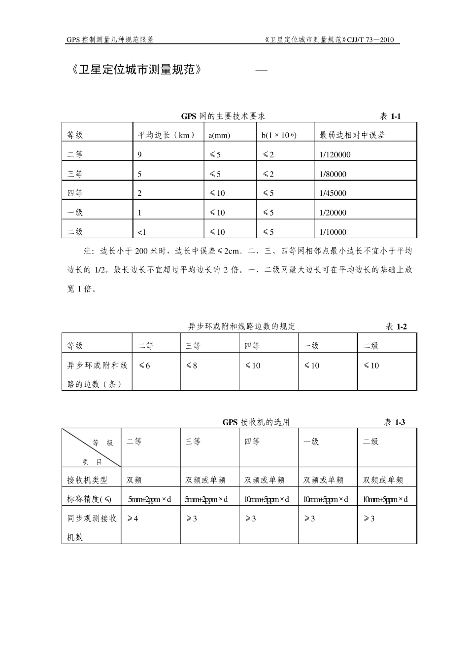
GPS 控制测量几种规范限差 《卫星定位城市测量规范》CJJ/T 73—2010 《卫星定位城市测量规范》CJJ/T 73—2010 GPS 网的主要技术要求 表1-1 等级 平均边长(km) a(mm) b(1×10-6) 最弱边相对中误差 二等 9 ≤5 ≤2 1/120000 三等 5 ≤5 ≤2 1/80000 四等 2 ≤10 ≤5 1/45000 一级 1 ≤10 ≤5 1/20000 二级 <1 ≤10 ≤5 1/10000 注:边长小于 200 米时,边长中误差≤2cm。二、三、四等网相邻点最小边长不宜小于平均边长的1/2,最长边长不宜超过平均边长的2 倍。一、二级网最大边长可在平均边长的基础上放宽 1 倍。 异步环或附和线路边数的规定 表1-2 等级 二等 三等 四等 一级 二级 异步环或附和线路的边数(条) ≤6 ≤8 ≤10 ≤10 ≤10 GPS 接收机的选用 表1-3 等 级 项 目 二等 三等 四等 一级 二级 接收机类型 双频 双频或单频 双频或单频 双频或单频 双频或单频 标称精度(≤) 5mm+2ppm×d 5mm+2ppm×d 10mm+5ppm×d 10mm+5ppm×d 10mm+5ppm×d 同步观测接收机数 ≥4 ≥3 ≥3 ≥3 ≥3 GPS 控制测量几种规范限差 《卫星定位城市测量规范》CJJ/T 73—2010 GPS 测量各等级作业的基本技术要求 表1-4 项目 等级 观测方法 二等 三等 四等 一级 二级 卫星高度角(°) 静态 ≥15 ≥15 ≥15 ≥15 ≥15 有效观测同类卫星数 静态 ≥4 ≥4 ≥4 ≥4 ≥4 平均重复设站数 静态 ≥2.0 ≥2.0 ≥1.6 ≥1.6 ≥1.6 时段长度(min) 静态 ≥90 ≥60 ≥45 ≥45 ≥45 数据采样间隔(s) 静态 10—30 10—30 10—30 10—30 10—30 PDOP 值 静态 <6 <6 <6 <6 <6 各项限差规定 σ())((22bda采用表1-1 加乘常数) 同步环闭合差限差 53x , 53y , 53z , 53 同步环只计算三边同步环,))((22bda,d 按照该等级平均边长计算, —环闭合差,222zyx 异步环闭合差限差 n2x , n2y , n2z , n32 n —独立环的边数,d 按照该等级平均边长计算,))((22bda, —环闭合差,222zyx 重复基线限差 复测基线的长度较差ds,同一基线不同时段较差应满足 23ds ( 按照实际边长计算) 三维无约束平差中,基线分量的改正数(XV,YV ,ZV )绝对值应满足下列要求 3VX ,3V...

1、当您付费下载文档后,您只拥有了使用权限,并不意味着购买了版权,文档只能用于自身使用,不得用于其他商业用途(如 [转卖]进行直接盈利或[编辑后售卖]进行间接盈利)。
2、本站所有内容均由合作方或网友上传,本站不对文档的完整性、权威性及其观点立场正确性做任何保证或承诺!文档内容仅供研究参考,付费前请自行鉴别。
3、如文档内容存在违规,或者侵犯商业秘密、侵犯著作权等,请点击“违规举报”。

碎片内容

GPS控制测量各种规范限差

确认删除?
VIP
微信客服
  • 扫码咨询
会员Q群
  • 会员专属群点击这里加入QQ群
客服邮箱
回到顶部