电脑桌面
添加小米粒文库到电脑桌面
安装后可以在桌面快捷访问

HT7550规格书VIP专享

HT7550规格书_第1页
1/18
HT7550规格书_第2页
2/18
HT7550规格书_第3页
3/18
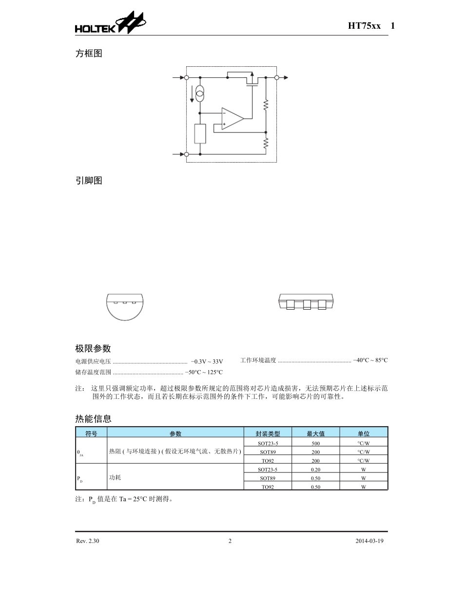
Rev. 2.3012014-03-19HT75xx-1100mA 低功耗 LDO特性• 低功耗• 低压降• 较低的温度系数• 高输入电压 ( 高达 30V)• 静态电流 2.5μ A• 大电流输出:100mA• 输出电压精度:±3%• 封装类型:TO92, SOT89 和 SOT23-5 应用领域• 电池供电设备• 通信设备• 音频/ 视频设备概述HT75xx-1 系列是一组CMOS技术实现的三端低功耗高电压稳压器。输出电流为 100mA 且允许的输入电压可高达 30V。具有几个固定的输出电压,范围从 2.1V 到 12.0V。CMOS 技术可确保其具有低压降和低静态电流的特性。尽管主要为固定电压调节器而设计,但这些 IC 可与外部元件结合来获得可变的电压和电流。选型表型号输出电压封装类型正印HT7521-12.1VTO92 SOT89 SOT23-575xx-1 ( 封装为 TO92) 75xx-1 ( 封装为 SOT89) 5xx1 ( 封装为 SOT23-5)HT7523-12.3VHT7525-12.5VHT7527-12.7VHT7530-13.0VHT7533-13.3VHT7536-13.6VHT7540-14.0VHT7544-14.4VHT7550-15.0VHT7560-16.0VHT7570-17.0VHT7580-18.0VHT7590-19.0VHT75A0-110.0VHT75C0-112.0V注:“xx”代表输出电压。Rev. 2.3022014-03-19HT75xx-1方框图引脚图极限参数电源供应电压 ................................................... −0.3V ~ 33V储存温度范围 ............................................... −50°C ~ 125°C工作环境温度 ................................................. −40°C ~ 85°C注: 这里只强调额定功率,超过极限参数所规定的范围将对芯片造成损害,无法预期芯片在上述标示范 围外的工作状态,而且若长期在标示范围外的条件下工作,可能影响芯片的可靠性。热能信息符号参数封装类型最大值单位θJA热阻( 与环境连接) ( 假设无环境气流、无散热片)SOT23-5500°C/WSOT89200°C/WTO92200°C/WPD功耗SOT23-50.20WSOT890.50WTO920.50W注:PD 值是在 Ta = 25°C 时测得。Rev. 2.3032014-03-19HT75xx-1引脚说明引脚序号引脚名称说明1GND地2VIN输入脚3VOUT输出脚电气特性HT7521-1, +2.1V 输出类型Ta=25°C符号参数测试条件最小典型最大单位条件VIN输入电压———30VVOUT输出电压VIN=VOUT+2V, IOUT=10mA2.0372.1002.163VIOUT输出电流VIN=VOUT+2V70100—mA∆ VOUT负载调节率VIN=VOUT+2V, 1mA ≤ IOUT ≤ 50mA—2560mVVDIFDropout 电压IOUT=1mA, ∆ VO=2%—30100mVISS静态电流无负载—2.54.0μA输入电压调节率VO+...

1、当您付费下载文档后,您只拥有了使用权限,并不意味着购买了版权,文档只能用于自身使用,不得用于其他商业用途(如 [转卖]进行直接盈利或[编辑后售卖]进行间接盈利)。
2、本站所有内容均由合作方或网友上传,本站不对文档的完整性、权威性及其观点立场正确性做任何保证或承诺!文档内容仅供研究参考,付费前请自行鉴别。
3、如文档内容存在违规,或者侵犯商业秘密、侵犯著作权等,请点击“违规举报”。

碎片内容

确认删除?
VIP
微信客服
  • 扫码咨询
会员Q群
  • 会员专属群点击这里加入QQ群
客服邮箱
回到顶部