电脑桌面
添加小米粒文库到电脑桌面
安装后可以在桌面快捷访问

IO扩展模块设计教程

IO扩展模块设计教程_第1页
1/8
IO扩展模块设计教程_第2页
2/8
IO扩展模块设计教程_第3页
3/8
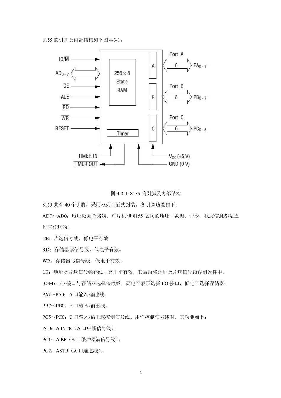
14 .3 I/O 扩展模块 4.3.1 设计目的及任务 1、设计任务:设计一个基于单片机的 I/O 扩展模块以及相应的外围电路。 2、 功能指标:扩展 I/O 数量大于 16 个,可以通过编程控制输入或者输出方向,电源为+5V 供电 3、 设计要求:所设计的 I/O 扩展模块应满足 EDP 实验仪系统设计要求,并能与整个系统有效结合。 以下是一个以 8155 I/O 扩展芯片为例的设计范例及其相应电路的讲解,仅供参考。 4.3.2 8155 I/O 扩展芯片的基本工作原理 1 、8155 内部结构 Intel 8155 芯片内包含有 256 个字节 RAM,2 个 8 位、1 个 6 位的可编程并行 I/O 口和 1个 14 位定时器/计数器。8155 可直接与 MCS-51 单片机连接不需要增加任何硬件逻辑。由于8155 既有 RAM 又具有 I/O 口,因而是 MCS-51 单片机系统中最常用的外围接口芯片之一, 28155 的引脚及内部结构如下图4-3-1: 图4-3-1: 8155 的引脚及内部结构 8155 共有40 个引脚,采用双列直插式封装。各引脚功能如下: AD7~AD0:地址数据总路线。单片机和8155 之间的地址、数据、命令、状态信息都是通过它传送的。 CE:片选信号线,低电平有效 RD:存储器读信号线,低电平有效。 W R:存储器写信号线,低电平有效。 LE:地址及片选信号锁存线,高电平有效,其后沿将地址及片选信号锁存到器件中。 IO/M:I/O 接口与存储器选择依赖线,高电平表示选择 I/O 接口,低电平选择存储器。 PA7~PA0:A 口输入/输出线。 PB7~PB0:B 口输入/输出线。 PC5~PC0:C 口输入/输出或控制信号线。用作控制信号线时,其功能如下: PC0:A INTR(A 口中断信号线)。 PC1:A BF(A 口缓冲器满信号线)。 PC2:ASTB(A 口选通线)。 3PC3:B INTR(B 口中断信号线)。 PC4:B BF(B 口缓冲器满信号线)。 PC5:BSTB(B 口选通线)。 TIMER IN:定时器/计时器输入端。 TIMER OUT:定时器/计数器输出端。 RESET:复位信号线。 VCC:+5V 电源。 VSS:地。 4 .3 .3 设计内容 1、试验仪 8155 模块接口定义 试验 8155 模块接口定义如图 4-3-2。 图 4-3-2:试验 8155 模块接口定义 注:上图中为 8155 模块的双 26 针插脚位置及定义。 8155I/O 扩展模块 VCC VCC SS11 SS22 SS33 SS44 SS55 SS66 D0 D1 D2 D3 D4 D5 D6 D7 RST ALE CE IO/M WR RD GND GND VCC VCC ZH ZG...

1、当您付费下载文档后,您只拥有了使用权限,并不意味着购买了版权,文档只能用于自身使用,不得用于其他商业用途(如 [转卖]进行直接盈利或[编辑后售卖]进行间接盈利)。
2、本站所有内容均由合作方或网友上传,本站不对文档的完整性、权威性及其观点立场正确性做任何保证或承诺!文档内容仅供研究参考,付费前请自行鉴别。
3、如文档内容存在违规,或者侵犯商业秘密、侵犯著作权等,请点击“违规举报”。

碎片内容

IO扩展模块设计教程

小辰+ 关注
实名认证
内容提供者

出售各种文档和资料

相关文档

确认删除?
VIP
微信客服
  • 扫码咨询
会员Q群
  • 会员专属群点击这里加入QQ群
客服邮箱
回到顶部