电脑桌面
添加小米粒文库到电脑桌面
安装后可以在桌面快捷访问

JGJ592011最新的安全检查表(内部资料)

JGJ592011最新的安全检查表(内部资料)_第1页
1/25
JGJ592011最新的安全检查表(内部资料)_第2页
2/25
JGJ592011最新的安全检查表(内部资料)_第3页
3/25
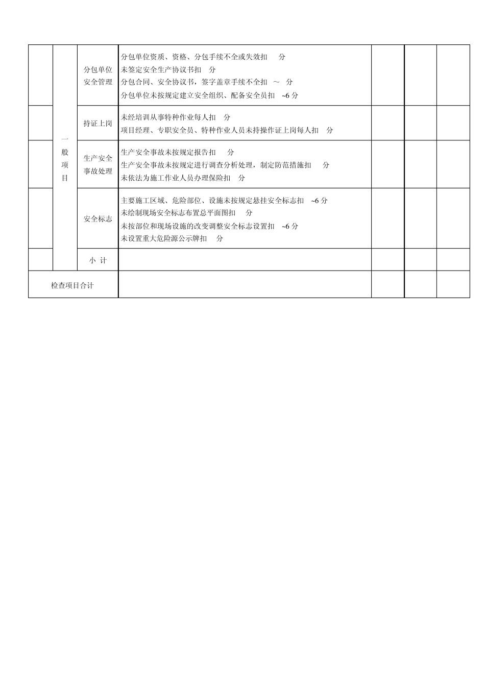
建筑施工安全检查评分汇总表 企业名称: 资质等级: 年 月 日 单位工程 (施工现场) 名 称 建筑 面积 (m2) 结构 类型 总计得 分(满 分分值 100分) 项 目 名 称 及 分 值 安全管理(满分10分) 文明施工(满分15分) 脚手架 (满分10分) 基坑工程(满分10分) 模板支架 (满分10分) 高处作业(满分10分) 施工用电(满分10分) 物料提升机与施工升降机(满分10分) 塔式起重机与起重吊装(满分10分) 施工机具(满分5分) 荷塘月色3#、11#楼 框 剪 评语: 检查单位 负责人 受检项目 项目经理 表 1 安全管理检查评分表 序号 检查项目 扣 分 标 准 应得 分数 扣减 分数 实得 分数 1 保 证 项 目 安全生产 责任制 未建立安全生产责任制扣10 分 安全生产责任制未经责任人签字确认扣3 分 未备有各工种安全技术操作规程扣2~10 分 未按规定配备专职安全员扣2~10 分 工程项目部承包合同中未明确安全生产考核指标扣5 分 未制定安全生产资金保障制度扣5 分 未编制安全资金使用计划及未按计划实施扣2~5 分 未制定安全生产管理目标(伤亡控制、安全达标、文明施工)扣5 分 未进行安全责任目标分解的扣5 分 未建立安全生产责任制、责任目标考核制度扣5 分 未按考核制度对管理人员定期考核扣2~5 分 10 2 施 工 组 织 设 计 施工组织设计中未制定安全措施扣10分 危险性较大的分部分项工程未编制安全专项施工方案,扣10分 未按规定对超过一定规模危险性较大的分部分项工程专项方案进行专家论证扣10分 施工组织设计、专项方案未经审批扣10分 安全技术措施、专项施工方案无针对性或缺少设计计算扣2~8分 未按施工组织设计、专项施工方案组织实施扣2~10分 10 3 安全技术 交 底 未进行书面安全技术交底扣10分 未按分部分项进行交底扣5分 交底内容不全面或针对性不强扣2~5分 交底未履行签字手续扣4分 10 4 安全检查 未建立安全检查制度扣10分 未留有安全检查记录扣5分 事故隐患的整改未做到定人、定时间、定措施扣2~6分 对重大事故隐患改通知书所列项目未按期整改和复查扣5~10 分 10 5 安全教育 未建立安全培训、教育制度扣10分 施工人员入场未进行三级安全教育和考核扣5分 未明确具体安全教育内容扣2~8分 变换工种时或采用新技术、新设备、新工艺、新材料施工未进行安全教育扣5分 施工管理人员、专职安全员未按规定进行...

1、当您付费下载文档后,您只拥有了使用权限,并不意味着购买了版权,文档只能用于自身使用,不得用于其他商业用途(如 [转卖]进行直接盈利或[编辑后售卖]进行间接盈利)。
2、本站所有内容均由合作方或网友上传,本站不对文档的完整性、权威性及其观点立场正确性做任何保证或承诺!文档内容仅供研究参考,付费前请自行鉴别。
3、如文档内容存在违规,或者侵犯商业秘密、侵犯著作权等,请点击“违规举报”。

碎片内容

JGJ592011最新的安全检查表(内部资料)

您可能关注的文档

确认删除?
VIP
微信客服
  • 扫码咨询
会员Q群
  • 会员专属群点击这里加入QQ群
客服邮箱
回到顶部