电脑桌面
添加小米粒文库到电脑桌面
安装后可以在桌面快捷访问

KT42冷凝器装配指导书1B24981200040

KT42冷凝器装配指导书1B24981200040_第1页
1/10
KT42冷凝器装配指导书1B24981200040_第2页
2/10
KT42冷凝器装配指导书1B24981200040_第3页
3/10
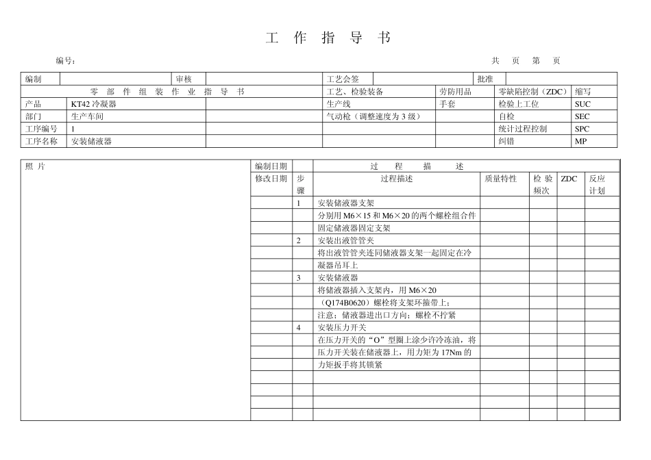
工 作 指 导 书 编号: 共 页 第 页 照 片 编制日期 过 程 描 述 修改日期 步骤 过程描述 质量特性 检验频次 ZDC 反应 计划 1 安装储液器支架 分别用M6×15 和 M6×20 的两个螺栓组合件 固定储液器固定支架 2 安装出液管管夹 将出液管管夹连同储液器支架一起固定在冷 凝器吊耳上 3 安装储液器 将储液器插入支架内,用M6×20 (Q174B0620)螺栓将支架环箍带上; 注意;储液器进出口方向;螺栓不拧紧 4 安装压力开关 在压力开关的“O”型圈上涂少许冷冻油,将 压力开关装在储液器上,用力矩为 17Nm 的 力矩扳手将其锁紧 编制 审核 工艺会签 批准 零 部 件 组 装 作 业 指 导 书 工艺、检验装备 劳防用品 零缺陷控制(ZDC) 缩写 产品 KT42 冷凝器 生产线 手套 检验上工位 SUC 部门 生产车间 气动枪(调整速度为 3 级) 自检 SEC 工序编号 1 统计过程控制 SPC 工序名称 安装储液器 纠错 MP 工 作 指 导 书 编号: 共 页 第 页 照 片 编制日期 过 程 描 述 修改日期 步骤 过程描述 质量特性 检验频次 ZDC 反应 计划 1 将储液器与冷储管装配 在储液器的“O”型圈上涂抹少许冷冻油,用 手将冷储管镦头顺利插入储液器接头并用手 , 拧紧。 2 锁紧储液器的螺栓 用气动扳手将固定储液器的螺栓锁紧,螺栓 端部距冷凝器表面 5m m 。 3 锁紧冷储管与储液器装配接头 用力矩为 19Nm 的扭力扳手将冷储管与储液 器接头螺母锁紧。 4 安装冷凝器支架 2 将支架固定在冷凝器吊耳上,用 2 个 M6 法兰 螺母拧紧。 编制 审核 工艺会签 批准 零 部 件 组 装 作 业 指 导 书 工艺、检验装备 劳防用品 零缺陷控制(ZDC) 缩写 产品 KT42 冷凝器 生产线 手套 检验上工位 SUC 部门 生产车间 气动枪(调整速度为 3 级) 自检 SEC 工序编号 2 统计过程控制 SPC 工序名称 固定储液器及冷凝器支架 2 纠错 MP 工 作 指 导 书 编号: 共 页 第 页 照 片 编制日期 过 程 描 述 修改日期 步骤 过程描述 质量特性 检验频次 ZDC 反应 计划 1 冷凝器中充入30 ㎏/c ㎡压力氮气(▲)将冷 凝器放入水检池中观察有无气泡逸出 检漏水应清洁不浑浊 光线充足 检漏时间为 3min(▲) 2 将水检合格冷凝器放在周转车上,不合格冷 凝器贴上红色不合格标签放在不合格...

1、当您付费下载文档后,您只拥有了使用权限,并不意味着购买了版权,文档只能用于自身使用,不得用于其他商业用途(如 [转卖]进行直接盈利或[编辑后售卖]进行间接盈利)。
2、本站所有内容均由合作方或网友上传,本站不对文档的完整性、权威性及其观点立场正确性做任何保证或承诺!文档内容仅供研究参考,付费前请自行鉴别。
3、如文档内容存在违规,或者侵犯商业秘密、侵犯著作权等,请点击“违规举报”。

碎片内容

KT42冷凝器装配指导书1B24981200040

确认删除?
VIP
微信客服
  • 扫码咨询
会员Q群
  • 会员专属群点击这里加入QQ群
客服邮箱
回到顶部