电脑桌面
添加小米粒文库到电脑桌面
安装后可以在桌面快捷访问

KYN28产品说明及选型手册

KYN28产品说明及选型手册_第1页
1/16
KYN28产品说明及选型手册_第2页
2/16
KYN28产品说明及选型手册_第3页
3/16
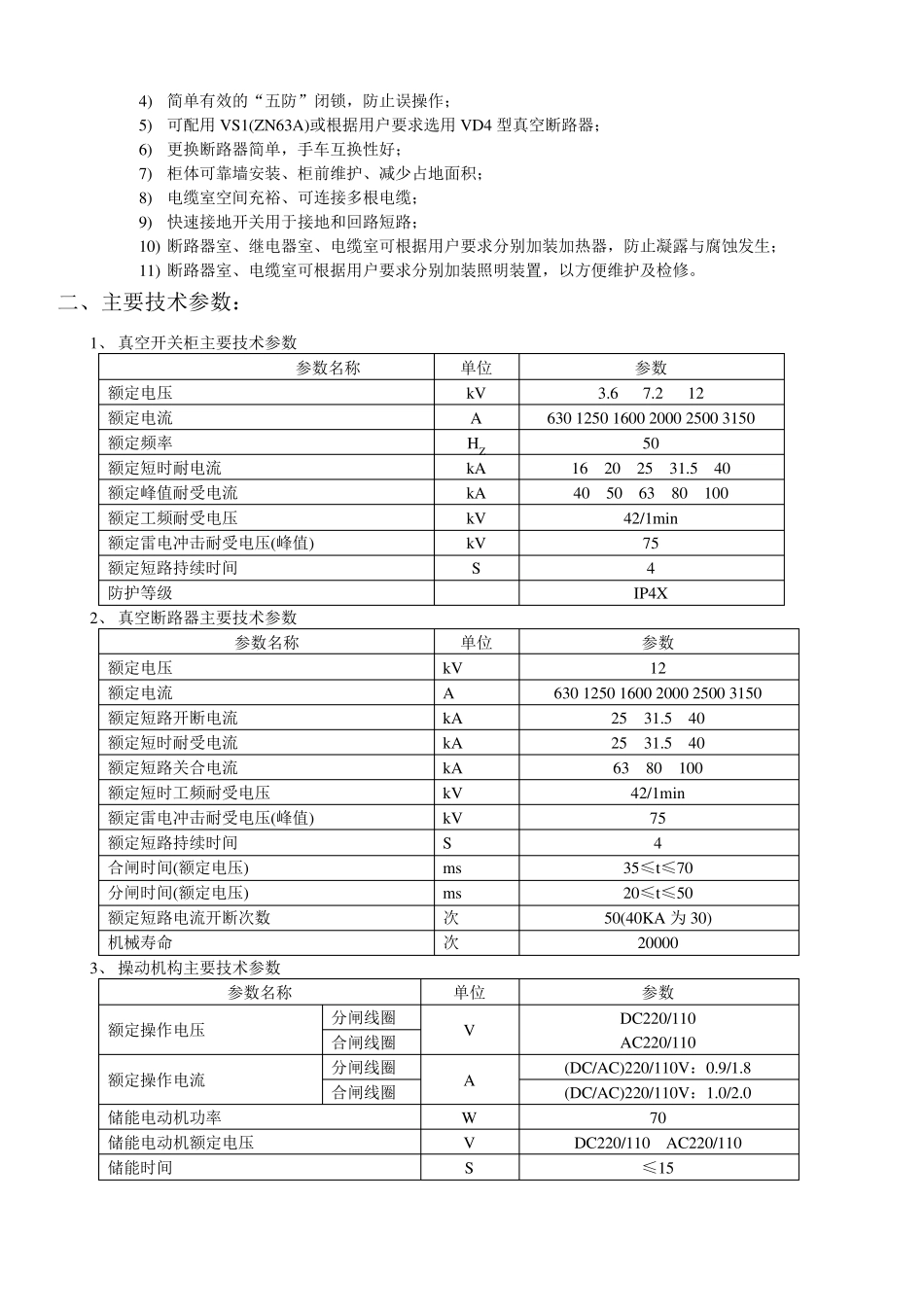
KYN28-12(Z)(GZS1)型铠装移开式交流金属封闭开关柜 一、概述 KYN28-12(Z)(GZS1)型铠装移开式交流金属封闭开关柜系额定电压3.6~12KV三相交流50HZ的户内成套配电装置。用于发电厂送电、电业系统和工矿企业变电所受电、配电,还可以用于频繁启动高压电动机等。 本开关柜能满足GB3906、DL404、IEC-298 等标准的要求,并且具有防止误操作断路器、防止带负荷推拉手车、防止带电关合接地开关、防止接地开关在接地位置时送电和防止误入带电间隔等“五防”功能。 1、 使用环境条件: 海拔高度:不超过1000m; 环境温度:上限+40℃,下限-10℃; 相对湿度:日平均值不大于95%,月平均值不大于90%; 饱和蒸汽压:日平均值不大于2.2×10-3MPa,月平均值不大于1.8×10-3 MPa; 地震烈度:不超过8 度; 无火灾、爆炸危险、严重污染、化学腐蚀及剧烈震动的场所。 2、 主要特点: 1) 柜体结构采用敷铝锌板经多重折弯组装而成; 2) 所有的操作均在柜门关闭状态下进行; 3) 防护等级高,可防止杂物和虫害侵入; 4) 简单有效的“五防”闭锁,防止误操作; 5) 可配用 VS1(ZN63A)或根据用户要求选用 VD4 型真空断路器; 6) 更换断路器简单,手车互换性好; 7) 柜体可靠墙安装、柜前维护、减少占地面积; 8) 电缆室空间充裕、可连接多根电缆; 9) 快速接地开关用于接地和回路短路; 10) 断路器室、继电器室、电缆室可根据用户要求分别加装加热器,防止凝露与腐蚀发生; 11) 断路器室、电缆室可根据用户要求分别加装照明装置,以方便维护及检修。 二、主要技术参数: 1、 真空开关柜主要技术参数 参数名称 单位 参数 额定电压 kV 3.6 7.2 12 额定电流 A 630 1250 1600 2000 2500 3150 额定频率 HZ 50 额定短时耐电流 kA 16 20 25 31.5 40 额定峰值耐受电流 kA 40 50 63 80 100 额定工频耐受电压 kV 42/1min 额定雷电冲击耐受电压(峰值) kV 75 额定短路持续时间 S 4 防护等级 IP4X 2、 真空断路器主要技术参数 参数名称 单位 参数 额定电压 kV 12 额定电流 A 630 1250 1600 2000 2500 3150 额定短路开断电流 kA 25 31.5 40 额定短时耐受电流 kA 25 31.5 40 额定短路关合电流 kA 63 80 100 额定短时工频耐受电压 kV 42/1min 额定雷电冲击耐受电压(峰值) kV 75 额定短路持续时间 S 4 合闸时间(额定电压) ms 35≤t≤70 分闸时间(额定电...

1、当您付费下载文档后,您只拥有了使用权限,并不意味着购买了版权,文档只能用于自身使用,不得用于其他商业用途(如 [转卖]进行直接盈利或[编辑后售卖]进行间接盈利)。
2、本站所有内容均由合作方或网友上传,本站不对文档的完整性、权威性及其观点立场正确性做任何保证或承诺!文档内容仅供研究参考,付费前请自行鉴别。
3、如文档内容存在违规,或者侵犯商业秘密、侵犯著作权等,请点击“违规举报”。

碎片内容

KYN28产品说明及选型手册

您可能关注的文档

确认删除?
VIP
微信客服
  • 扫码咨询
会员Q群
  • 会员专属群点击这里加入QQ群
客服邮箱
回到顶部