电脑桌面
添加小米粒文库到电脑桌面
安装后可以在桌面快捷访问

KYN61操作规程VIP专享

KYN61操作规程_第1页
1/7
KYN61操作规程_第2页
2/7
KYN61操作规程_第3页
3/7
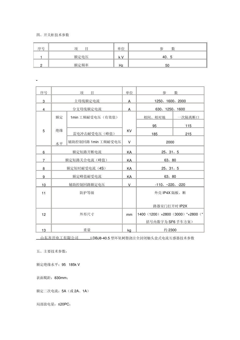
KYN61-40.5 型铠装移开式交流金属封闭开关设备概述 一、概述 配移开式ZN85-40.5(3AV3)型真空断路器或SF 型和FP 系列六氟化硫断路器 KYN61-40.5 型铠装移开式交流金属封闭开关设备(以下简称开关柜)适用于三相交流50Hz、40.5 kV 单母线及单母线分段电力系列,主要应用于发电厂、变电所及工矿企业、高层建筑的变配电中作为接受和分配电能之用,并对电路实行控制,保护和监测,满足IEC60298、GB3906、DL404 等标准的要求,并具备完善的“五防”功能。 二、使用条件 海拔高度:不超过2000 米; 环境温度:上限为+40℃;下限为-15℃; 相对湿度:日平均值不大于95%,月平均值不大于90%; 地震烈度:不超过8 度; 没有火灾爆炸危险,没有剧烈震动及化学腐蚀等严重污秽的场所。 三、产品特点 1、采用热缩绝缘材料及环氧涂覆绝缘工艺,优化电极形状,柜体结构紧凑,缩小占地面积; 2、开关柜柜体选用优质冷扎钢板或敷铝锌板经数控钣金加工成形后,通过高强度螺栓螺母和铆螺母连接而成,构件表面采用喷塑或镀锌工艺; 3、可配用国产 ZN85-40.5(3AV3)真空断路器和法国施耐德 SF1、SF2 型及阿尔斯通 FP 系列六氟化硫断路器,以满足不同用户的需求; 4、开关柜各功能小室均采用金属板封隔,并设有独立的压力释放通道; 5、断路器,接地开关等操作均可在开关柜门关闭情况下进行,即可实现关门操作; 6、开关柜的结构适应性强,主结线方案可以达到 198 种以上,能满足不同用户的需要; 7、手车,断路器,接地开关和后柜门之间设有防止误操作的机械联锁装置,“五防”功能齐全,安全可靠。 四、开关柜技术参数 序号 项 目 单位 参 数 1 额定电压 k V 40.5 2 额定频率 Hz 50 山东齐开电工有限公司 LDBJ8-40.5 型环氧树脂浇注全封闭触头盒式电流互感器技术参数 五、主要技术参数: 额定绝缘水平:95 185k V 表面爬距:830mm; 额定二次电流:5A(或 2A、1A) 局部放电量:≤20PC; 序号 项 目 单位 参 数 3 主母线额定电流 A 1250,1600,2000 4 分支母线额定电流 A 630,1250,1600 5 额定 绝缘 水平 1min 工频耐受电压(有效值) KV 相间、相对地 一次隔离断口 95 115 雷电冲击耐受电压(峰值) 185 215 辅助控制回路 1min 工频耐受电压 V 2000 6 额定短路开断电流 KA 25,31,5 7 额定短路关合电流(峰值) KA 63,80 8 额定短时耐受电流...

1、当您付费下载文档后,您只拥有了使用权限,并不意味着购买了版权,文档只能用于自身使用,不得用于其他商业用途(如 [转卖]进行直接盈利或[编辑后售卖]进行间接盈利)。
2、本站所有内容均由合作方或网友上传,本站不对文档的完整性、权威性及其观点立场正确性做任何保证或承诺!文档内容仅供研究参考,付费前请自行鉴别。
3、如文档内容存在违规,或者侵犯商业秘密、侵犯著作权等,请点击“违规举报”。

碎片内容

KYN61操作规程

确认删除?
VIP
微信客服
  • 扫码咨询
会员Q群
  • 会员专属群点击这里加入QQ群
客服邮箱
回到顶部