电脑桌面
添加小米粒文库到电脑桌面
安装后可以在桌面快捷访问

KZ1钢筋手工算量题目答案

KZ1钢筋手工算量题目答案_第1页
1/8
KZ1钢筋手工算量题目答案_第2页
2/8
KZ1钢筋手工算量题目答案_第3页
3/8
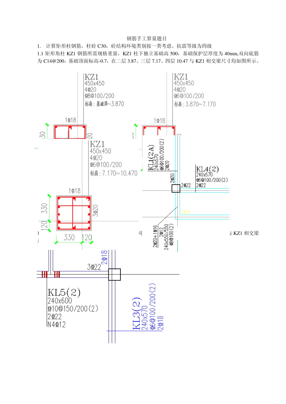
钢筋手工算量题目 1. 计算矩形柱钢筋,柱砼C30,砼结构环境类别按一类考虑。抗震等级为四级 1.1 矩形角柱KZ1 钢筋所需规格重量,KZ1 柱下独立基础高500,基础保护层厚度为40m m ,双向底筋为C14@200,基础顶面标高-0.7,在二层3.87、三层7.17、四层10.47 与 KZ1 相交梁尺寸均如图所示。 1.2 矩形边柱KZ1 钢筋所需规格重量,柱截面同,在二层3.87、三层7.17、四层10.47 与 KZ1 相交梁尺寸均如图所示。 一、基础插筋计算(-0.70标高) 1、纵筋计算 判断柱插筋伸入基础内的长度 已知:基础高度hj=500mm,基础保护层厚度为40mm,双向底筋为14@200 纵向钢筋进入基础内的长度h1=500-40-2*14=432mm<纵筋锚固长度LaE=35d=35*20=700mm (查11G101-3P59或11G101-1P53) 所以:纵筋在基础内的弯折长度a取值见11G101-3 P59图一 (若h1≤laE 则a取值见11G101-3 P59图二 a=15d) 即弯折长度a取15d 1 8 基础插筋长度=Hn1/3+h1+a (见11G101-1 P57 =1/3(3870+700-570)+432+15×18 =1333+432+270 =2035mm 钢筋的根数 n=2根 总长度=2×2035=4070mm=4.07m 2 0 基础插筋长度=Hn1/3+h1+a (见11G101-1 P57 =1/3(3870+700-570)+432+15×20 =1333+432+300 =2065mm 钢筋的根数 n=6根 总长度=6×2065=12390mm=12.39m 2、箍筋计算 见11G101-1 P61(若有地下室见P58) 柱保护层厚度c=20mm ⑴箍筋直径8 大箍筋长度=〔(B-2c)+(H-2c)〕×2-4ds+2×13.6d =〔(450-2×20)×4-4×8+2×13.6×8 =410×4-4*8+2*13.6*8 =1826mm 基础内的个数=(hj-c-2d-100)/500+1≥2 =(500-40-2×14-100)/500+1 =0.66+1 =1.66 取 2根 11G101-3 P59图一、二 总长度=2×1826=3652mm=3.652m 二、首层钢筋计算(-0.70~3.870标高) 1、1 8 纵筋长度=首层层高-本层底部非连接区长度+上一层非连接区长度 =(3870+700)-3970/3+max(Hn2/6,柱长边,500)(见 11G101-1 P57 ) =4570-1333+max(2730/6=450,450,500) =4570-1333+500 =3737mm 根数 N=2根 总长度=2×3737=7474mm=7.474m 2 0纵筋长度=首层层高-本层底部非连接区长度+上一层非连接区长度 =(3870+700)-3970/3+max(Hn2/6,柱长边,500) =4570-1333+max(2730/6=450,450,500) =3737mm 根数N=6根 总长度=6×3737=22422mm=22.422m 2、8 箍筋计算 ⑴大箍筋长度同插筋=1826mm 箍筋个数=柱下部非连接长度/加密区间距+1+柱上部非连接区...

1、当您付费下载文档后,您只拥有了使用权限,并不意味着购买了版权,文档只能用于自身使用,不得用于其他商业用途(如 [转卖]进行直接盈利或[编辑后售卖]进行间接盈利)。
2、本站所有内容均由合作方或网友上传,本站不对文档的完整性、权威性及其观点立场正确性做任何保证或承诺!文档内容仅供研究参考,付费前请自行鉴别。
3、如文档内容存在违规,或者侵犯商业秘密、侵犯著作权等,请点击“违规举报”。

碎片内容

KZ1钢筋手工算量题目答案

确认删除?
VIP
微信客服
  • 扫码咨询
会员Q群
  • 会员专属群点击这里加入QQ群
客服邮箱
回到顶部