电脑桌面
添加小米粒文库到电脑桌面
安装后可以在桌面快捷访问

《机械设计基础》试卷及答案

《机械设计基础》试卷及答案_第1页
1/7
《机械设计基础》试卷及答案_第2页
2/7
《机械设计基础》试卷及答案_第3页
3/7
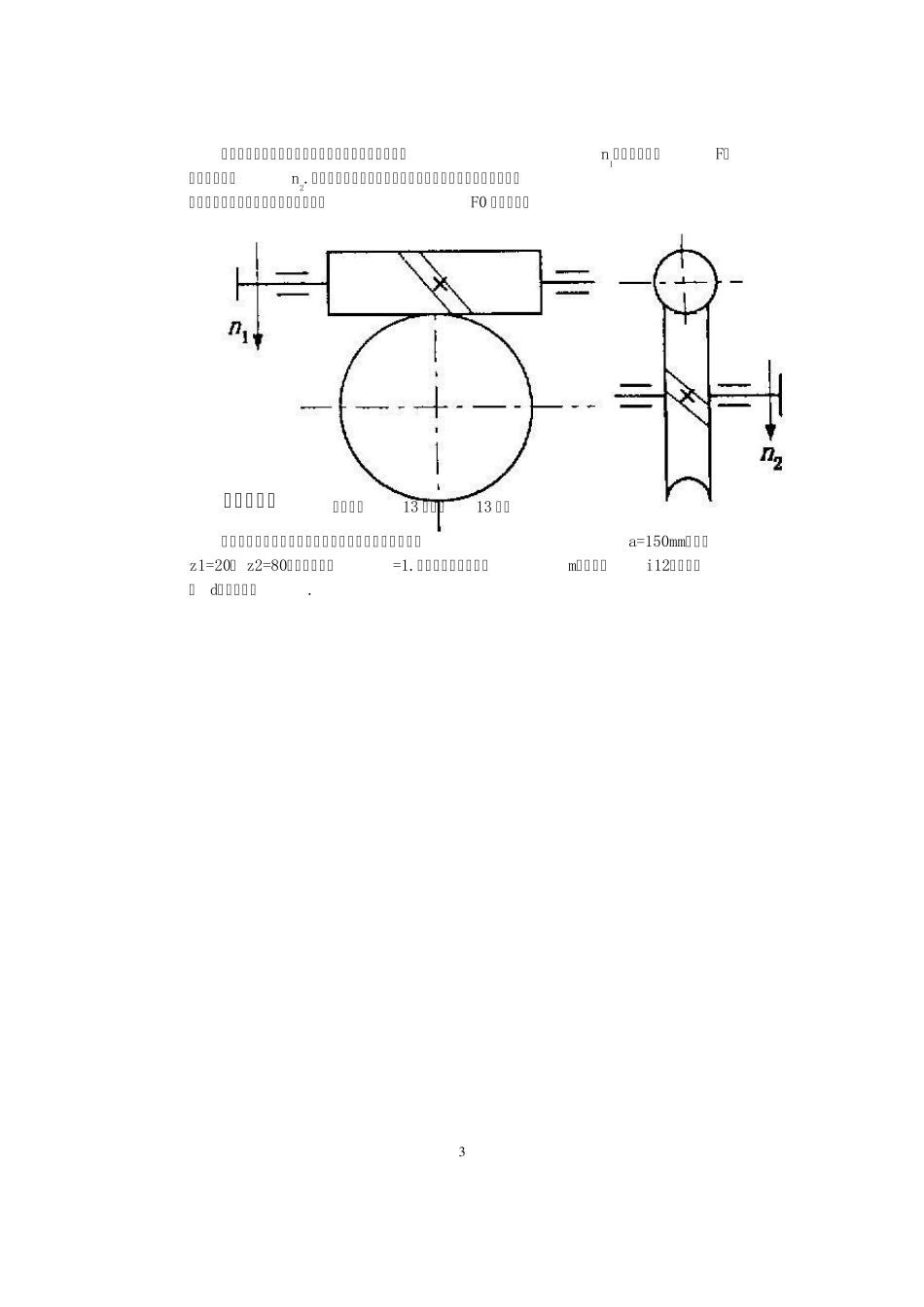
1 试卷代号:C186 陕西广播电视大学成人教育学院2008-2009 学年第二学期期末考试 机械设计基础(9 0 分钟)试题 2009 年 6 月 一、填空题(每题2 分,共20 分) 1. 正是由于( )现象,使带传动的传动比不准确。 2. 蜗杆传动的主要缺点是齿面间的( )很大,因此导致传动的( )较低、温升较高。 3. 以凸轮轮廓最小向径为半径所作的圆称为( )。 4. 凸轮轮廓上某点的( )方向与从动件( )方向之间的夹角,叫压力角。 5. 在直齿圆柱齿轮传动的接触疲劳强度计算中,以 ( ) 为计算点,把一对轮齿的啮合简化为两个( )相接触的模型。 6. 按键齿齿廓曲线的不同,花键分为( )花键和( )花键。 7. 请写出两种螺纹联接中常用的防松方法:( )和( )。 8. 开式齿轮传动的主要失效形式是:( )和( )。 9. 径向滑动轴承的条件性计算主要是限制( )和( )不超过许用值。 10.一对渐开线直齿圆柱齿轮正确啮合的条件是:( )和( )分别相等。 二、判断题(正确的在括号内画“√”,错误的画“×”。按题号写在答题纸上。每小题1 分,共10 分) 1.十字滑块联轴器中的所有元件都是刚性元件,因此属于刚性联轴器。( ) 2. 相啮合的蜗杆和蜗轮的螺旋角必须大小相等,旋向相反。 ( ) 3. 由于链传动不需要张紧力,故作用在轴上的载荷较小。 ( ) 4. 从动件的运动规律是受凸轮轮廓曲线控制的,所以,凸轮的实际工作要求,一定要按凸轮现有轮廓曲线制定。 ( ) 5. 正 是 由 于 过 载 时 产 生 弹 性 滑 动 , 故 带 传 动 对 传 动 系 统 具 有 保 护 作 用 。( ) 6. 机械零件的计算分为设计计算和校核计算,两种计算的目的都是为了防止机械零件在正常使用期限内发生失效。 ( ) 7. 棘轮的转角大小是可以调节的。 ( ) 2 8. 点或线接触的运动副称为低副。 ( ) 9. 曲柄的极位夹角θ越大,机构的急回特性系数K 也越大,机构的急回特性也越显著。 ( ) 10. 槽轮机构的主动件是槽轮。 ( ) 三、选择题(每题2 分,共20 分) 1. 对于直齿圆柱齿轮传动,其齿根弯曲疲劳强度主要取决于( ) A. 中心距和齿宽 B. 中心距和模数 C. 中心距和齿数 D. 模数和齿宽。 2.对于向心滑动轴承,( )轴承具有结构简单,成本低廉的特点; A.整体式 B. 剖分式 C. 调心式 D. 调隙式 3. 对于平面连杆机...

1、当您付费下载文档后,您只拥有了使用权限,并不意味着购买了版权,文档只能用于自身使用,不得用于其他商业用途(如 [转卖]进行直接盈利或[编辑后售卖]进行间接盈利)。
2、本站所有内容均由合作方或网友上传,本站不对文档的完整性、权威性及其观点立场正确性做任何保证或承诺!文档内容仅供研究参考,付费前请自行鉴别。
3、如文档内容存在违规,或者侵犯商业秘密、侵犯著作权等,请点击“违规举报”。

碎片内容

《机械设计基础》试卷及答案

确认删除?
VIP
微信客服
  • 扫码咨询
会员Q群
  • 会员专属群点击这里加入QQ群
客服邮箱
回到顶部