电脑桌面
添加小米粒文库到电脑桌面
安装后可以在桌面快捷访问

悬挑卸料平台标准化做法

悬挑卸料平台标准化做法_第1页
1/6
悬挑卸料平台标准化做法_第2页
2/6
悬挑卸料平台标准化做法_第3页
3/6
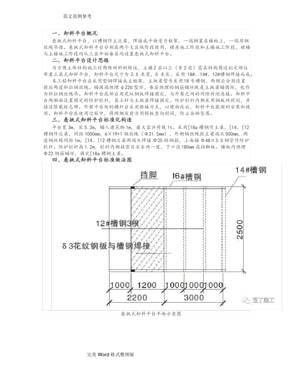
范文范例参考一、卸料平台概况悬挑式卸料平台,以槽钢作主次梁,焊接成平面受力框架,一端搁置在楼板上,一端用钢丝绳吊挂。悬挑式卸料平台分别在两个大区域阶段使用,裙房施工阶段和主楼施工阶段,裙楼与主楼施工阶段均从三层开始每层均设置悬挑式卸料平台。二、卸料平台设计思路为方便主体结构施工时周转材料的转运,主楼 2 层以上(含 2 层)需在结构周边拟定部位布置工具式卸料平台,卸料平台尺寸为 2.5 米宽,5 米长,采用 18#、14#、12#槽钢焊接而成。本工程卸料平台应采用型钢焊接成主框架,主挑梁型号采用18 号槽钢,两侧应分别设置前后两道斜拉钢丝绳。锚固端预埋 ф22U 型环,每层预埋的钢筋锚环既是主挑梁锚固环,也作为斜拉钢丝绳吊。卸料平台底部应用花纹钢板焊接固定,与外架之间的间隙封闭连接。卸料平台两侧面设置固定的防护栏杆,其立杆与主挑梁焊接固定。防护栏杆内侧采用钢板网封闭,并挂设限载标志牌。外架平台处的横杆应采用搭接方式,以便拆改后,卸料平台能顺利安装和使用。卸料平台在使用过程中,将两侧及前方用模板竖向封闭,防止杂物坠落。三、悬挑式卸料平台标准化构造平台宽 3m,长 5.2m,锚入建筑物 1m,最大容许荷载 1t。采用[18a 槽钢作主梁,[14、[12槽钢作次梁,间距 1000mm,6×19+1 钢丝绳(Φ21.5mm),外侧钢丝绳距主梁端头500mm,两道钢丝绳间距 1m。[14、[12 槽钢次梁两端头焊接 Φ25 短钢筋,上面插 Φ48×3.5 钢管作防护栏杆。防护栏杆高 1.2m,栏杆内侧挂密目安全网一道,下口设 180mm 高挡脚板。楼板内预埋Φ22 钢筋锚环,固定[18a 槽钢主梁。四、悬挑式卸料平台标准做法图悬挑式卸料平台平面示意图完美 Word 格式整理版范文范例参考悬挑式卸料平台侧立面示意图U 型环预埋示意图完美 Word 格式整理版范文范例参考效果图完美 Word 格式整理版范文范例参考五、悬挑式卸料平台安装、移位、拆除本工程所采用悬挑式卸料平台为工具式的,安装移位拆除方便,周转率高。卸料平台的安装、移位、拆除均采用塔吊并辅以人工配合。为方便吊装并保证高空作业的安全,事先在工具式悬挑卸料平台两侧 20#槽钢主梁边焊接平台吊装环。安装前必须准确预埋U 型压环钢筋,安装时确保主梁准确插入预埋压环钢筋,并及时采用木楔楔紧卸料平台,以确保卸料平台定位,紧接着安装好斜拉绳,斜拉绳安装必须保证其处于绷紧状态,待斜拉绳安装完毕后,方可接解除塔吊吊装钢丝绳。卸料平台移位操...

1、当您付费下载文档后,您只拥有了使用权限,并不意味着购买了版权,文档只能用于自身使用,不得用于其他商业用途(如 [转卖]进行直接盈利或[编辑后售卖]进行间接盈利)。
2、本站所有内容均由合作方或网友上传,本站不对文档的完整性、权威性及其观点立场正确性做任何保证或承诺!文档内容仅供研究参考,付费前请自行鉴别。
3、如文档内容存在违规,或者侵犯商业秘密、侵犯著作权等,请点击“违规举报”。

碎片内容

悬挑卸料平台标准化做法

您可能关注的文档

确认删除?
VIP
微信客服
  • 扫码咨询
会员Q群
  • 会员专属群点击这里加入QQ群
客服邮箱
回到顶部