电脑桌面
添加小米粒文库到电脑桌面
安装后可以在桌面快捷访问

放坡开挖及土钉支护作业指导书

放坡开挖及土钉支护作业指导书_第1页
1/11
放坡开挖及土钉支护作业指导书_第2页
2/11
放坡开挖及土钉支护作业指导书_第3页
3/11
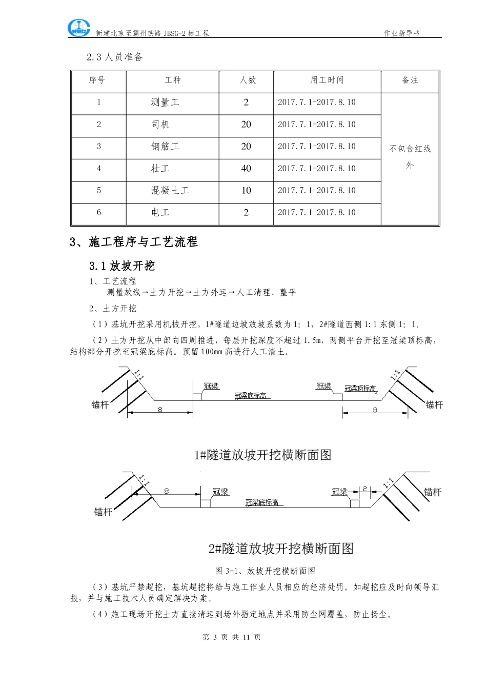
新建北京至霸州铁路 JBSG-2 标工程作业指导书目录1、适用范围 ...................................................................................................................................................22、 作业准备 .................................................................................................................................................23、施工程序与工艺流程................................................................................................................................34、质量保证措施 ...........................................................................................................................................65、防洪应急措施 ...........................................................................................................................................77、安全保证措施 ...........................................................................................................................................98、文明施工与环水保..................................................................................................................................10第 1 页 共 11 页新建北京至霸州铁路 JBSG-2 标工程作业指导书放坡开挖及土钉支护作业指导书1、适用范围本方案适用 1#隧道 DK40+700-DK42+840、2#隧道 DK44+961- DK46+092 放坡开挖及土钉支护施工。2、作业准备2.1 材料准备序号123材料名称钢筋钢筋钢筋规格HRB400 22HRB400 16HPB300 8数量269.844.4156.1单位ttt备注4钢管卡扣卡扣脚手板Φ48.0×3.6mm,每根 6m 长转卡十字卡0.2*4m根 18005001000500个个块5672.2 工机具准备序号12345678 9名称挖机装载机土方车单位台台台台台台台台台数量6618 41044410规格PC220空气压缩机锚杆机/洛阳铲水泥砂浆注浆泵混凝土喷射机砂浆搅拌机电焊机第 2 页 共 11 页12m³直径 1001.4m-2m5B1m³18/A新建北京至霸州铁路 JBSG-2 标工程作业指导书2.3 人员准备序号123456工种人数用工时间2017.7.1-2017.8.102017.7.1-2017.8.102017.7.1-2017.8.102017.7.1-2017.8.102017.7.1-2017.8.102017.7.1-2017.8.10不包含红线外备注测量工司机钢筋工壮工混凝土工电工22...

1、当您付费下载文档后,您只拥有了使用权限,并不意味着购买了版权,文档只能用于自身使用,不得用于其他商业用途(如 [转卖]进行直接盈利或[编辑后售卖]进行间接盈利)。
2、本站所有内容均由合作方或网友上传,本站不对文档的完整性、权威性及其观点立场正确性做任何保证或承诺!文档内容仅供研究参考,付费前请自行鉴别。
3、如文档内容存在违规,或者侵犯商业秘密、侵犯著作权等,请点击“违规举报”。

碎片内容

放坡开挖及土钉支护作业指导书

您可能关注的文档

爱的疯狂+ 关注
实名认证
内容提供者

该用户很懒,什么也没介绍

确认删除?
VIP
微信客服
  • 扫码咨询
会员Q群
  • 会员专属群点击这里加入QQ群
客服邮箱
回到顶部