电脑桌面
添加小米粒文库到电脑桌面
安装后可以在桌面快捷访问

《苏州市区建设工程创建文明工地检查评分表》(试行版)201038

《苏州市区建设工程创建文明工地检查评分表》(试行版)201038_第1页
1/13
《苏州市区建设工程创建文明工地检查评分表》(试行版)201038_第2页
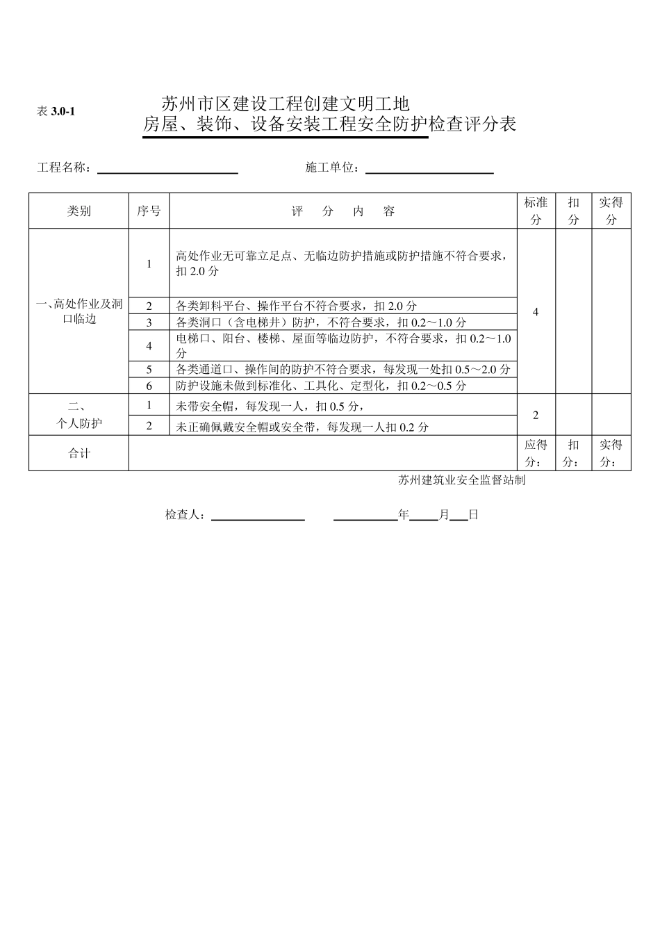
2/13
《苏州市区建设工程创建文明工地检查评分表》(试行版)201038_第3页
3/13
表1 .0 苏州市区建设工程 创建文明工地检查评分汇总表 工程名称 建筑面积 工程造价 工程地点 结构类型 建设单位 形象进度 施工单位 项目经理 监理单位 总监姓名 得分 安全管理资料 专项工程安全防护 主要分部分项 建筑起重机械 临时用电及 施工机具 文明施工及 平安创建 应得分 实得分 得分率=应得分实得分×100% 现场主要存在问题: 现场检查组组长签字 施工单位负责人签字: 现场检查组成员签字 监理单位负责人签字: 现场检查时间 苏州建筑业安全监督站制 注:专项工程安全防护用表,对于房屋、装饰、设备安装工程,用表3 .0 -1 ;对于道路工程,用表3 .0 -2 ;对于桥梁(含高架),用表3 .0 -3 ;对于轨道工程盾构施工,用表3 .0 -4 。 表2 .0 苏州市区建设工程创建文明工地 安 全 管 理 资 料 检 查 评 分 表 程 名 称 : 施 工 单 位 : 类 别 序 号 评 分 内 容 标 准 分 扣 分 实 得 分 安 全 管 理 1 *建 设 项 目 无 施 工 许 可 证 , 否 决 10 2 *总 、 分 包 施 工 单 位 无 有 效 的 安 全 生 产 许 可 证 , 或 无 有 效 的 安 全 协 议 ,或 总 包 单 位 安 全 生 产 领 导 小 组 中 无 分 包 单 位 成 员 , 或 项 目 部B、 C 类 人员 考 核 证 书 无 证 , 无 效 , 无 年 度 培 训 , 否 决 3 *超 过 一 定 规 模 的 危 险 性 较 大 的 分 部 分 项 工 程 专 项 施 工 方 案 未 经 专 家 论证 或 专 家 论 证 程 序 不 符 合 要 求 , 或 危 险 性 较 大 的 分 部 分 项 工 程 无 专 项 施工 方 案 , 否 决 4 *各 类 起 重 机 械 未 按 规 定 办 理 产 权 登 记 手 续 或 未 经 检 测 合 格 就 使 用 , 否决 5 *无 应 急 救 援 预 案 , 否 决 ; 6 *未 按 规 定 对 民 工 进 行 岗 前 培 训 或 培 训 不 符 合 要 求 , 否 决 ; 7 项 目 经 理 不 在 现 场 、 安 全 职 责 不 落 实 , 扣 1.0 分 8 专 职 安 全 员 配 备 数量不 符 规 定 或 专 职 安 全 员 未 实 行 上级委派制, 扣1.5分 9 无 班组 定 期安 全 活动记 录, ...

1、当您付费下载文档后,您只拥有了使用权限,并不意味着购买了版权,文档只能用于自身使用,不得用于其他商业用途(如 [转卖]进行直接盈利或[编辑后售卖]进行间接盈利)。
2、本站所有内容均由合作方或网友上传,本站不对文档的完整性、权威性及其观点立场正确性做任何保证或承诺!文档内容仅供研究参考,付费前请自行鉴别。
3、如文档内容存在违规,或者侵犯商业秘密、侵犯著作权等,请点击“违规举报”。

碎片内容

《苏州市区建设工程创建文明工地检查评分表》(试行版)201038

确认删除?
VIP
微信客服
  • 扫码咨询
会员Q群
  • 会员专属群点击这里加入QQ群
客服邮箱
回到顶部