电脑桌面
添加小米粒文库到电脑桌面
安装后可以在桌面快捷访问

政道路给排水专项施工方案

政道路给排水专项施工方案_第1页
1/33
政道路给排水专项施工方案_第2页
2/33
政道路给排水专项施工方案_第3页
3/33
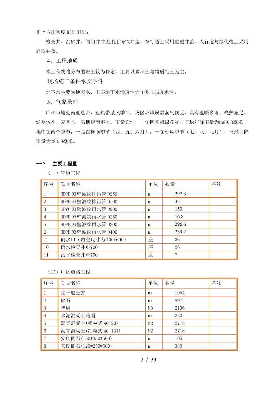
第一节 工程概况一、 工程概况1、工程位置:本工程位于广州市萝岗区云埔工业园观达路22 号,属 GSK 系列数控产业化基地建设工程(三期)-电子车间 新产品车间。2、工程规模:(1)、排水管道工程:本工程排水管道工程分雨水、污水两种,其室内生活污水由管道收集后排入化粪池后排入厂区污水管网;雨水直接排入厂区雨水管网;最后再排水观达路市政排水管网中。排水管道工程量约 880m。(2)、厂区道路工程:采用沥青道路,工程量初步统计450m,路面宽平均约为 8.8m。3、工程内容1)雨、污水管道工程雨水、屋面雨水排入道路上的雨水集水井通过 D200UPVC 双壁波纹管与雨水干管接通,D250 以上雨水干管采用 HDPE 双壁波纹雨水管,环刚度 8KN/M ,承插连接内加密封圈;HDPE 双壁波纹雨、污水管道基础:采用土弧基础,且土弧基础范围的腋角部位采用中粗砂回填密实,对于一般土质,当地基承载力特征值 fak≥80kpa 时,基底铺厚度为 100mm 的中粗砂基础层。当地基承载力特征值 55 kpa≤fak≤80kpa 或槽底处在地下水位之下,先铺200mm 厚砂砾基础层再铺 50厚中粗砂。管基支承 2a+30°范围内的管底腋角采用中砂或粗砂填塞密实。2检查井、沉泥井采用铸铁井盖,并标有雨、污字样;检查井接道路边雨水口的管道采用 200mm管径即可。当为雨水检查井与污水检查井采用砖砌落底井窖,落底300mm。管沟回填范围为管基础底到管顶以上 500mm,管基需回填中粗砂压实度不小于 90%;管基有效支承角范围回填中粗砂压实度不小于 95%;管道两侧分层回填密实,压实度不小于95%;管顶 500mm 且不小于一倍管径以内采用中粗砂、石粉,最大粒径小于 40mm 的砂砾回填,压实度不小于 90%(管顶1 / 33正上方压实度 83%-87%);检查井、沉砂井、阀门井井盖采用铸铁井盖。车行道上采用重型井盖,人行道与绿化带上采用轻型井盖。4、工程地质本工程线路分布的岩土较为稳定,主要以素填土与粉质粘土为主。现场施工条件水文条件地下水主要为地表水,土层地下水渗透性为 B 类(弱透水性)5、气象条件广州市地处南亚热带,亚热带系风季节,场区环境属湿润气候区,具有温暖多雨、光热充足、温差较小、夏季长、霜期短而不冷,雨量充沛,一年四季树绿花红。平均年降雨量为1699.8毫米,集中在两个季节,一是在梅雨季节(四、五、六月),一在台风季节(七、八、九月),日最大降雨量为284.9毫米。二、 主要工程量(一)管道工程序号项目名称12345671011(二...

1、当您付费下载文档后,您只拥有了使用权限,并不意味着购买了版权,文档只能用于自身使用,不得用于其他商业用途(如 [转卖]进行直接盈利或[编辑后售卖]进行间接盈利)。
2、本站所有内容均由合作方或网友上传,本站不对文档的完整性、权威性及其观点立场正确性做任何保证或承诺!文档内容仅供研究参考,付费前请自行鉴别。
3、如文档内容存在违规,或者侵犯商业秘密、侵犯著作权等,请点击“违规举报”。

碎片内容

政道路给排水专项施工方案

文库当当响+ 关注
实名认证
内容提供者

该用户很懒,什么也没介绍

相关文档

确认删除?
VIP
微信客服
  • 扫码咨询
会员Q群
  • 会员专属群点击这里加入QQ群
客服邮箱
回到顶部