电脑桌面
添加小米粒文库到电脑桌面
安装后可以在桌面快捷访问

斜屋面瓦安装施工方案

斜屋面瓦安装施工方案_第1页
1/9
斜屋面瓦安装施工方案_第2页
2/9
斜屋面瓦安装施工方案_第3页
3/9
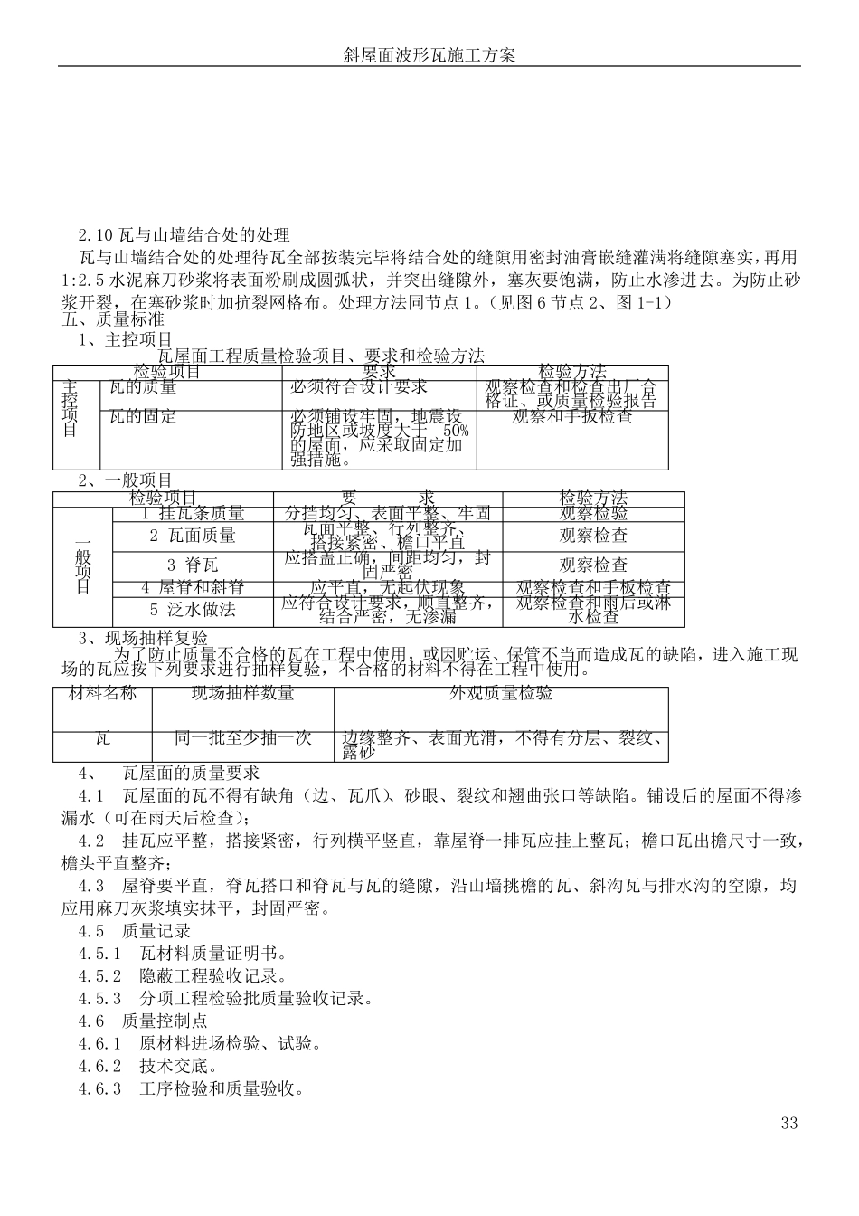
斜屋面波形瓦施工方案屋面瓦安装施工方案综合楼工程现已具备进行屋面瓦施工的条件,为确保屋面瓦工程的施工质量达到优良标准的要求,现根据设计要求及施工现场的具体情况制定如下施工方案。望有关施工班组在施工中认真执行。一、工程概况楼工程;工程建设地点:利辛县港口路;属于框剪结构;地上 12 层;地下 1 层;建筑高度:46.2m ;总建筑面积:13783.5 平方米;屋面为斜屋面,瓦材屋面,防水等级为 II 级,合理使用年限为 15 年。本工程由 投资建设,中国人民解放军总后建筑设计研究院武汉分院设计,建筑设计研究院地质勘察,安徽省建科建设监理公司监理, 集团组织施工;由担任项目经理,担任技术负责人。二、编制依据1.楼工程施工图纸2. 图集皖 2001J2023. 屋面工程技术规范4. 建筑施工手册三、材料及机具要求 1、原材料:屋面大瓦(琉璃瓦)、脊瓦、沟瓦、水泥钉、挂瓦条(沥青防腐处理)、水泥、砂…瓦材进场必须有产品合格证明,确保原材料均为合格产品。 2、施工工具:搅拌机、手推车、小型切割机、胶皮管、墨斗、靠尺、线板、铁抹子、锤子、小扫把…三、施工准备情况 1、先将屋面外围防护架子及屋面上部操作架子搭设好,在确保安全的情况下才允许施工。 2、各种材料进场,挂瓦条下部找平层施工、验收完毕。 3、屋面施工应选择晴好天气,阴雨天,大风天气不宜施工,以保证屋面工程施工质量和施工安全。、4、人员准备4.1瓦屋面工程施工前配备专业施工工长,负责屋面工程施工任务的划分,人员安排以及现场安全文明管理工作。4.2施工质量检查和验收程序班组自检→专业工长、质检员组织班组进行互检→项目经理部组织工序交接检→报监理工程师或建设单位项目专业技术负责人验收、认可→下道工序施工。四、施工操作工艺本工程屋面为斜坡屋面、屋面坡度为 45°,角度教陡,考虑安全及施工质量的采用挂瓦条来固定瓦材结合水泥砂浆卧瓦施工。1、施工顺序找平层施工→沿屋面长度方向排尺寸(平行屋面压顶方向按瓦实际铺设长度)→弹挂瓦条控制线→根据控制线钉设挂瓦条→挂瓦条槽内铺砂浆→上瓦铺设→钉固定瓦材→细部处理。2、施工方法:2.1基层清理屋面工程施工前首先要对基层进行处理,必须将结构层表面的突起物、水泥砂浆等异物铲除剔平,并将基层上的尘土杂物彻底清扫干净,对阴角、管道根、排水口等部位更应认真清扫到位。2.2 水泥砂浆找平层11斜屋面波形瓦施工方案找平层采用 1:3 水泥砂浆,30 厚,找平层砂浆采用...

1、当您付费下载文档后,您只拥有了使用权限,并不意味着购买了版权,文档只能用于自身使用,不得用于其他商业用途(如 [转卖]进行直接盈利或[编辑后售卖]进行间接盈利)。
2、本站所有内容均由合作方或网友上传,本站不对文档的完整性、权威性及其观点立场正确性做任何保证或承诺!文档内容仅供研究参考,付费前请自行鉴别。
3、如文档内容存在违规,或者侵犯商业秘密、侵犯著作权等,请点击“违规举报”。

碎片内容

斜屋面瓦安装施工方案

您可能关注的文档

确认删除?
VIP
微信客服
  • 扫码咨询
会员Q群
  • 会员专属群点击这里加入QQ群
客服邮箱
回到顶部