电脑桌面
添加小米粒文库到电脑桌面
安装后可以在桌面快捷访问

一级圆柱斜齿轮减速器设计说明书

一级圆柱斜齿轮减速器设计说明书_第1页
1/16
一级圆柱斜齿轮减速器设计说明书_第2页
2/16
一级圆柱斜齿轮减速器设计说明书_第3页
3/16
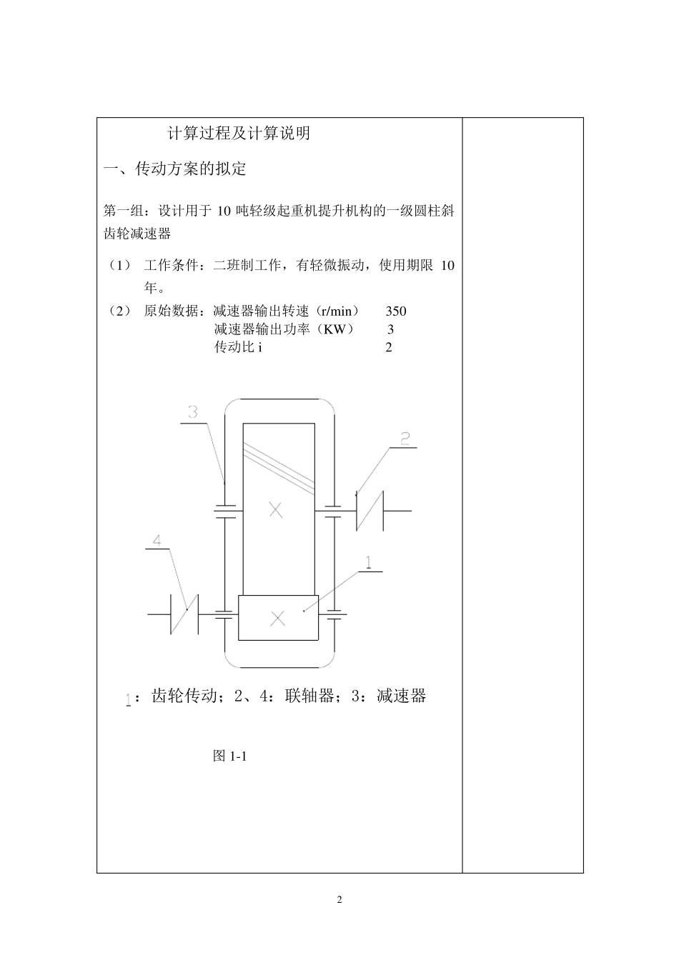
1 机械设计课程设计计算说明书 一、传动方案的拟定…………….………………………………2 二、电动机的选择………………………………………..…..….3 三、运动参数及动力参数计…………….………………………3 四、传动零件的设计计算……………………………….……....4 五、联轴器的选择及校和计算…………………………….…....8 六、轴的设计计算………………………...……………………..8 七、滚动轴承的选择及校核计算………………………….…...1 2 八、减速箱的附件选择………..………………………………..1 4 九、润滑及密封……………………………………………...….1 5 参考文献………..………………………………………………..1 6 2 计算过程及计算说明 一、传动方案的拟定 第一组:设计用于 10 吨轻级起重机提升机构的一级圆柱斜齿轮减速器 (1) 工作条件:二班制工作,有轻微振动,使用期限 10年。 (2) 原始数据:减速器输出转速(r/min) 350 减速器输出功率(KW) 3 传动比 i 2 :齿轮传动;2、4:联轴器;3:减速器 图 1-1 3 二、电动机的选择 1、电动机类型的选择:Y 系列三相异步电动机 2、电动机功率选择: (1)传动装置的总效率: η总=η22×η1×η23 =0.982×0.97×0.992 =0.92 (其中联轴器效率η1=0.99,轴承效率η2=0.98 齿轮极度 8 级,效率η3=0.97) (2)电机所需的工作功率: P工作= Pw /η总 =3/0.92 =3.26KW 3、确定电动机转速: n=i×n=2×350=700r/min 综合考虑电动机和传动装置尺寸、重量、价格和减速器的传动比,则选n 电=750r/min。 4、确定电动机型号 根据以上选用的电动机类型,所需的额定功率及同步转速,选定电动机型号为 Y160M1-8。 其主要性能:额定功率:4KW,满载转速 720r/min,额定转矩 2.0。质量 120kg。 三、运动参数及动力参数计算 1、计算各轴转速 nI=n 电机=720 r/min nII=nI=720 r/min nIII=nII/i 齿轮=720/2=360 r/min 2、 计算各轴的功率 PI=P工作=4 KW PII=PI×η1×η2=4×0.99×0.98=3.88 KW η总=0.92 P工作=3.26KW n 电=750r/min nI=720 r/min nII=720 r/min nIII=360 r/min PI=4 KW PII=3.88 KW 4 PIII=PII×η2×η3=3.88×0.98×0.97=3.689KW 3、 计算各轴扭矩 TI=9.55×106PI/nI=9.55×106×4/720=53056 N·mm TII=9.55×106PII/nII=9.55×106×3.88/720 =51464...

1、当您付费下载文档后,您只拥有了使用权限,并不意味着购买了版权,文档只能用于自身使用,不得用于其他商业用途(如 [转卖]进行直接盈利或[编辑后售卖]进行间接盈利)。
2、本站所有内容均由合作方或网友上传,本站不对文档的完整性、权威性及其观点立场正确性做任何保证或承诺!文档内容仅供研究参考,付费前请自行鉴别。
3、如文档内容存在违规,或者侵犯商业秘密、侵犯著作权等,请点击“违规举报”。

碎片内容

一级圆柱斜齿轮减速器设计说明书

确认删除?
VIP
微信客服
  • 扫码咨询
会员Q群
  • 会员专属群点击这里加入QQ群
客服邮箱
回到顶部