电脑桌面
添加小米粒文库到电脑桌面
安装后可以在桌面快捷访问

三一重工所有泵车型号及参数

三一重工所有泵车型号及参数_第1页
1/55
三一重工所有泵车型号及参数_第2页
2/55
三一重工所有泵车型号及参数_第3页
3/55
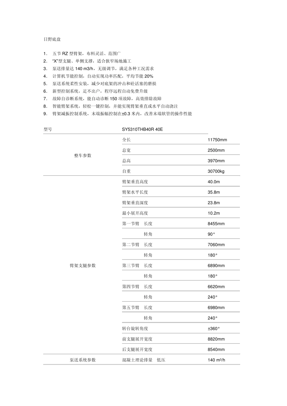
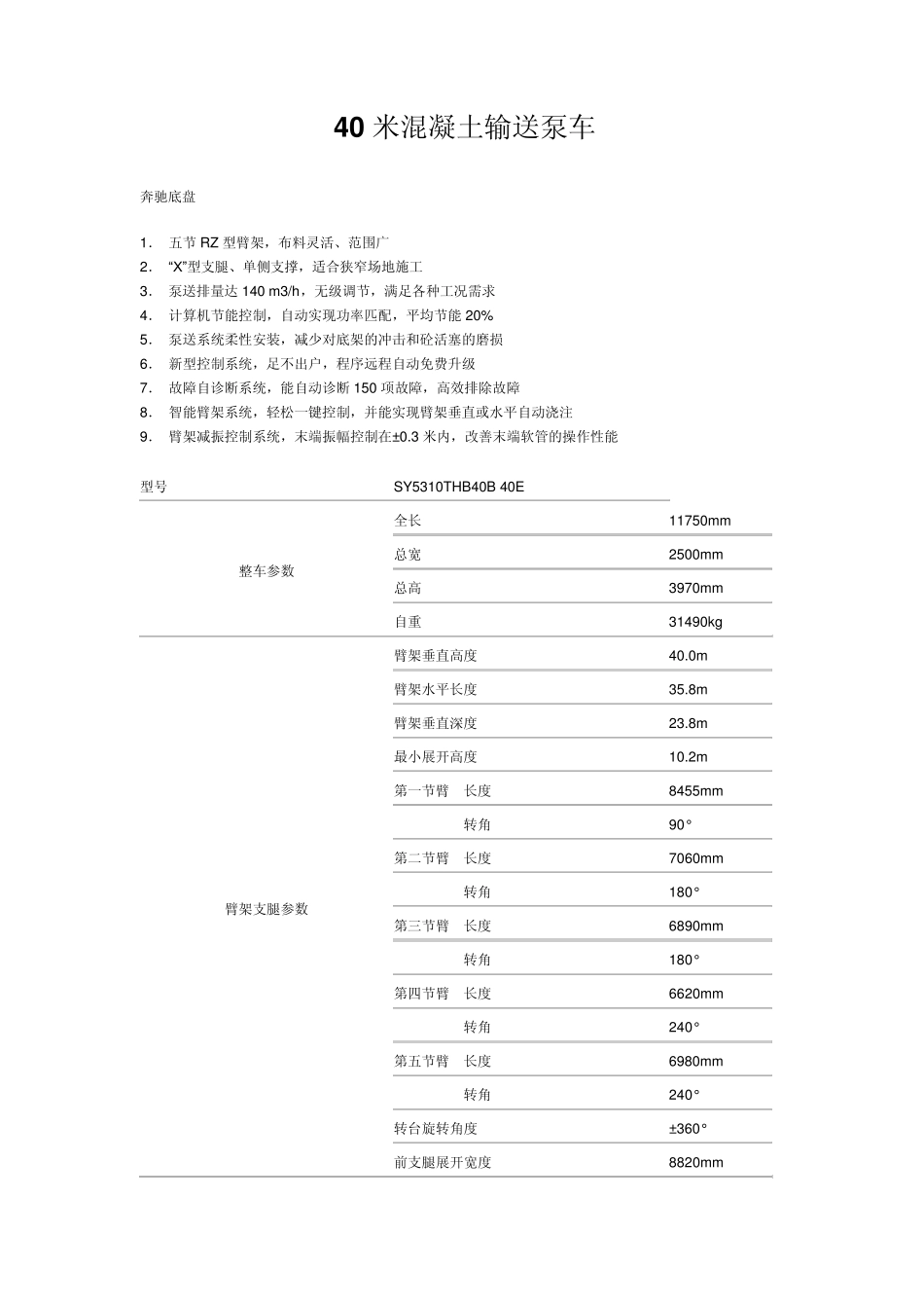
4 0 米混凝土输送泵车 奔驰底盘 1. 五节RZ 型臂架,布料灵活、范围广 2. “X”型支腿、单侧支撑,适合狭窄场地施工 3. 泵送排量达 140 m3/h,无级调节,满足各种工况需求 4. 计算机节能控制,自动实现功率匹配,平均节能 20% 5. 泵送系统柔性安装,减少对底架的冲击和砼活塞的磨损 6. 新型控制系统,足不出户,程序远程自动免费升级 7. 故障自诊断系统,能自动诊断 150 项故障,高效排除故障 8. 智能臂架系统,轻松一键控制,并能实现臂架垂直或水平自动浇注 9. 臂架减振控制系统,末端振幅控制在±0.3 米内,改善末端软管的操作性能 型号 SY5310THB40B 40E 整车参数 全长 11750mm 总宽 2500mm 总高 3970mm 自重 31490kg 臂架支腿参数 臂架垂直高度 40.0m 臂架水平长度 35.8m 臂架垂直深度 23.8m 最小展开高度 10.2m 第一节臂 长度 8455mm 转角 90° 第二节臂 长度 7060mm 转角 180° 第三节臂 长度 6890mm 转角 180° 第四节臂 长度 6620mm 转角 240° 第五节臂 长度 6980mm 转角 240° 转台旋转角度 ±360° 前支腿展开宽度 8820mm 后支腿展开宽度 8540mm 泵送系统参数 混凝土理论排量 低压 140 m3/h 高压 100 m3/h 理论泵送压力 低压 8.3 MPa 高压 12MPa 理论泵送次数 低压 22 次/分钟 高压 15.5 次/分钟 输送缸内径 260mm 输送缸行程 2000mm 液压系统 开式 系统油压 32MPa 油箱容积 900 L 水箱容积 600 L 输送管径 125mm 末端软管长度 3m 末端软管管径 125mm 底盘参数 底盘型号 BENZ Actros 3341 发动机型号 OM501LA.Ⅲ/17 发动机功率 300kW/1800rpm 排放标准 Eu ro Ⅲ 燃料箱容积 400 L 排量 11.946 L 最大速度 80km/h 制动距离 ≤10m/30km/h 日野底盘 1. 五节RZ 型臂架,布料灵活、范围广 2. “X”型支腿、单侧支撑,适合狭窄场地施工 3. 泵送排量达 140 m3/h,无级调节,满足各种工况需求 4. 计算机节能控制,自动实现功率匹配,平均节能 20% 5. 泵送系统柔性安装,减少对底架的冲击和砼活塞的磨损 6. 新型控制系统,足不出户,程序远程自动免费升级 7. 故障自诊断系统,能自动诊断 150 项故障,高效排除故障 8. 智能臂架系统,轻松一键控制,并能实现臂架垂直或水平自动浇注 9. 臂架减振控制系统,末端振幅控制在±0.3 米内,改善末端软...

1、当您付费下载文档后,您只拥有了使用权限,并不意味着购买了版权,文档只能用于自身使用,不得用于其他商业用途(如 [转卖]进行直接盈利或[编辑后售卖]进行间接盈利)。
2、本站所有内容均由合作方或网友上传,本站不对文档的完整性、权威性及其观点立场正确性做任何保证或承诺!文档内容仅供研究参考,付费前请自行鉴别。
3、如文档内容存在违规,或者侵犯商业秘密、侵犯著作权等,请点击“违规举报”。

碎片内容

三一重工所有泵车型号及参数

您可能关注的文档

确认删除?
VIP
微信客服
  • 扫码咨询
会员Q群
  • 会员专属群点击这里加入QQ群
客服邮箱
回到顶部