电脑桌面
添加小米粒文库到电脑桌面
安装后可以在桌面快捷访问

明挖隧道施工组织设计

明挖隧道施工组织设计_第1页
1/33
明挖隧道施工组织设计_第2页
2/33
明挖隧道施工组织设计_第3页
3/33
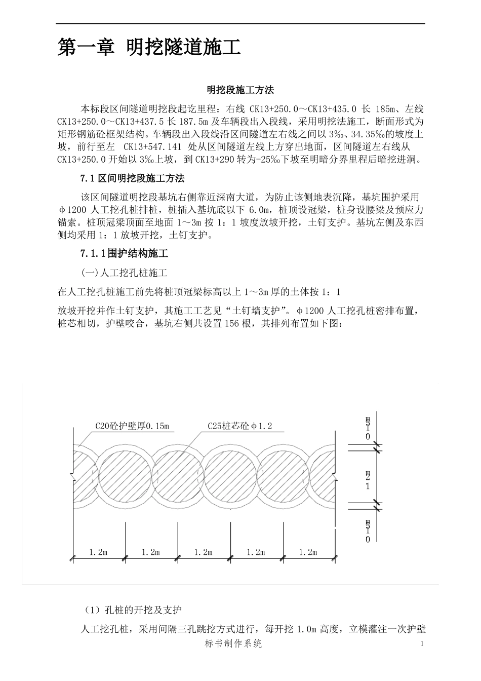
明挖隧道施工组织设计某施工单位2011 年 02 月 21 日第一章 明挖隧道施工明挖段施工方法本标段区间隧道明挖段起讫里程:右线 CK13+250.0~CK13+435.0 长 185m、左线CK13+250.0~CK13+437.5 长 187.5m 及车辆段出入段线,采用明挖法施工,断面形式为矩形钢筋砼框架结构。车辆段出入段线沿区间隧道左右线之间以 3‰、34.35‰的坡度上坡,前行至左CK13+547.141 处从区间隧道左线上方穿出地面,区间隧道左右线从CK13+250.0 开始以 3‰上坡,到 CK13+290 转为-25‰下坡至明暗分界里程后暗挖进洞。7.1 区间明挖段施工方法该区间隧道明挖段基坑右侧靠近深南大道,为防止该侧地表沉降,基坑围护采用φ1200 人工挖孔桩排桩,桩插入基坑底以下 6.0m,桩顶设冠梁,桩身设腰梁及预应力锚索。桩顶冠梁顶面至地面 1~3m 按 1:1 坡度放坡开挖,土钉支护。基坑左侧及东西侧均采用 1:1 放坡开挖,土钉支护。7.1.1围护结构施工(一)人工挖孔桩施工在人工挖孔桩施工前先将桩顶冠梁标高以上 1~3m 厚的土体按 1:1放坡开挖并作土钉支护,其施工工艺见“土钉墙支护”。φ1200 人工挖孔桩密排布置,桩芯相切,护壁咬合,基坑右侧共设置 156 根,其排列布置如下图:C20砼护壁厚0.15mC25桩芯砼φ1.21.2m1.2m1.2m1.2m1.2m(1)孔桩的开挖及支护人工挖孔桩,采用间隔三孔跳挖方式进行,每开挖 1.0m 高度,立模灌注一次护壁1标书制作系统0.15m1.2m0.15m砼,在砾质粘性土及砂质粘性土易塌壁地段,分段开挖高度控制在0.5~1.0m 范围内,采用插板法开挖。孔内出土采用小型电动卷扬机提升吊桶出土,护壁模板采用外八字型钢模板,拆上节立下节循环周转使用。根据地质资料,挖孔桩未入岩,成孔由人工配合风镐、铁铲开挖。(2)挖孔桩成孔的质量控制及允许偏差① 开挖前准确定位放样,并从桩中心位置向四周埋设护桩。当第一节桩孔挖好并安装护壁模板时,必须用桩心点来校正模板位置,并在第一节砼护壁上设十字控制点,每节护壁模板的安装必须用桩心点校正其位置,检查护壁厚度。② 挖孔桩施工允许偏差见下表:项次12345注:L 为挖孔桩桩长③桩孔开挖后应尽快灌注护壁砼,且必须当天一次性灌注完毕:灌注护壁砼时,采用插入式振捣器振捣,确保砼灌注密实。④护壁模板的拆除,应根据气温等情况而定,一般在 24h 后进行。⑤终孔时应清除护壁污泥、孔底的残碴、浮土、杂物和积水。检验合格后,应迅速封底、安装钢筋笼、灌注桩身砼。(3)挖孔桩...

1、当您付费下载文档后,您只拥有了使用权限,并不意味着购买了版权,文档只能用于自身使用,不得用于其他商业用途(如 [转卖]进行直接盈利或[编辑后售卖]进行间接盈利)。
2、本站所有内容均由合作方或网友上传,本站不对文档的完整性、权威性及其观点立场正确性做任何保证或承诺!文档内容仅供研究参考,付费前请自行鉴别。
3、如文档内容存在违规,或者侵犯商业秘密、侵犯著作权等,请点击“违规举报”。

碎片内容

明挖隧道施工组织设计

您可能关注的文档

确认删除?
VIP
微信客服
  • 扫码咨询
会员Q群
  • 会员专属群点击这里加入QQ群
客服邮箱
回到顶部