电脑桌面
添加小米粒文库到电脑桌面
安装后可以在桌面快捷访问

景观工程临时用电方案

景观工程临时用电方案_第1页
1/6
景观工程临时用电方案_第2页
2/6
景观工程临时用电方案_第3页
3/6
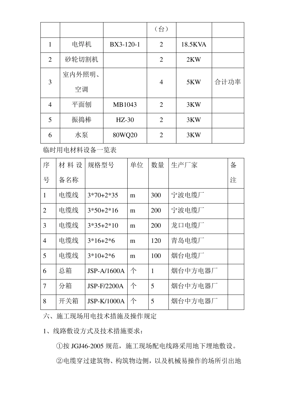
*********绿化景观工程临时用电专项施工方案临时用电施工方案一、工程概况**********化景观工程位于*********。总建设面积 56500 平方米,其中绿化面积 50500 平方米,铺装面积约 6000 平方米。本工程要求工期为 7 个月。二、编制依据l、施工组织设计2、JGJ46-2005《施工现场临时用电安全技术规范》3、《电工手册》4、JGJ 59-1999《建筑施工安全检查标准》5、《建筑施工手册》三、现场勘测牟平滨海东路道路绿化景观工程位于烟台市牟平区滨海东路。经现场勘探,施工现场无高压线。四、电源进线、总配电盘、分配电盘的装设与线路走向施工现场电源线进线由市政电网引入。根据用电规范规定,本工程采用 TN-T 系统,实行三级配电两级保护,施工现场设符合标准的总配电盘一个,型号为 JSP-Z/1 型,分电盘 5 个,型号为 JSP-K/I总配电盘,施工用电线的布置严格按照《施工现场临时用电安全技术规范》规定。五、施工用主要机械电器设备见下表所示序号设备名称型号规格数量功率备注(台)123空调456平面刨振捣棒水泵MB1043HZ-3080WQ202223KW3KW3KW电焊机砂轮切割机室内外照明、45KW合计功率BX3-120-12218.5KVA2KW临时用电材料设备一览表序号12345678材 料 设 规格型号备名称电缆线电缆线电缆线电缆线电缆线总箱分箱开关箱3*70+2*353*50+2*163*35+2*103*16+2*63*10+2*6mmmmm300200200120100155宁波电缆厂宁波电缆厂龙口电缆厂青岛电缆厂烟台电缆厂烟台中方电器厂烟台中方电器厂烟台中方电器厂单位数量生产厂家备注JSP-A/1600A 个JSP-F/2200A个JSP-K/1000A 个六、施工现场用电技术措施及操作规定1、线路敷设方式及技术措施要求:①按 JGJ46-2005 规范,施工现场配电线路采用地下埋地敷设。②电缆穿过建筑物、构筑物边侧,以及机械易操作的场所引出地面 2m 的高度至地下 0. 2m 加设防护套管,埋地深度为700mm,并且埋地敷设电缆线上的电缆接头,设在地面上的接线盒内,接线盒防水、防尘、防机械伤害,接头用锡焊焊牢,缠防水胶带绝缘胶布,以防机械伤害,并远离易爆易燃物品场所。③对高层处配电线路,把电缆敷设在墙面上。每层楼设一处固定点,水平敷设宜沿墙面门口固定,最大弧距地面大于1800mm,主电流敷设不低于 2500mm。2、配电系统没置:①采用 TN-S 系统;三组配电两级保护,三相五线制。②为便于施工现场的配电线路安全技术管理,配电箱分级设置,即总配电箱下设分配电箱,再下设开关箱,并关箱以下应是用电设备,分配...

1、当您付费下载文档后,您只拥有了使用权限,并不意味着购买了版权,文档只能用于自身使用,不得用于其他商业用途(如 [转卖]进行直接盈利或[编辑后售卖]进行间接盈利)。
2、本站所有内容均由合作方或网友上传,本站不对文档的完整性、权威性及其观点立场正确性做任何保证或承诺!文档内容仅供研究参考,付费前请自行鉴别。
3、如文档内容存在违规,或者侵犯商业秘密、侵犯著作权等,请点击“违规举报”。

碎片内容

景观工程临时用电方案

爱的疯狂+ 关注
实名认证
内容提供者

该用户很懒,什么也没介绍

确认删除?
VIP
微信客服
  • 扫码咨询
会员Q群
  • 会员专属群点击这里加入QQ群
客服邮箱
回到顶部