电脑桌面
添加小米粒文库到电脑桌面
安装后可以在桌面快捷访问

除盐水及工业废水处理车间施工方案

除盐水及工业废水处理车间施工方案_第1页
1/23
除盐水及工业废水处理车间施工方案_第2页
2/23
除盐水及工业废水处理车间施工方案_第3页
3/23
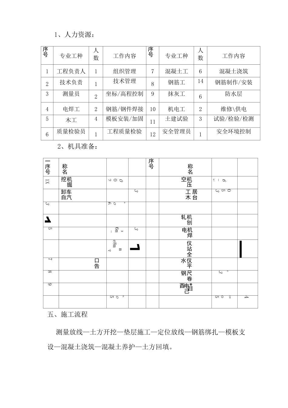
除盐及工业废水处理车间施工方案(一)废水处理车间施工措施一、工程概况除盐水及工业废水处理主要由废水贮存池、澄清水池、浓缩池、中和池、除盐水箱、及部分沟道等组成。±0.000 米相当于绝对标高 8.800米。二、相关图纸除盐水及工业废水处理车间结构图《F312S-T060102A》。三、施工准备1、技术准备a 施工图纸会审。b 施工方案编制批准。c 原材料复试合格。d 质量检验计划审核批准。2、现场准备a 现场道路、场地平整畅通。b 施工水、电源布置到位。c 钢筋、水泥、砂石材料储备充足。d 各种周转性材料准备。四、资源准备1、人力资源:序号专业工种人数工作内容序号专业工种人数工作内容1工程负责人1组织管理7混凝土工6混凝土浇筑2技术负责1技术管理8钢筋工14钢筋制作/安装3测量员2坐标/高程控制9抹灰工6防水层4电焊工2钢筋/钢件焊接10机电工2维修\供电5木工4模板安装/加固11土建试验3试验/检验/检测6质量检验员1工程质量检验12安全管理员1安全环境控制2、机具准备:一序号称名序号称名1X机掘挖OO2机压空6-V车汽卸自3居台工木O53©3/ho61机刨轧536m-V3机焊电me8m31仪站全丄7口告仪平水8尺卷钢o39*目电己酉0Lo5owo54五、施工流程测量放线—土方开挖—垫层施工—定位放线—钢筋绑扎—模板支设—混凝土浇筑—混凝土养护—土方回填。47CXK吕山I六、施工措施1、基础部分工业废水处理车间长 40.5 米,宽 13.2 米,高 9 米,上部为框架结构,下部由 27 个独立基础柱组成。基础分两次浇注,第一次浇注至-1.800 米,第二次浇注至-0.050 米。上部结构分两次浇注,第一次浇注至+5.000 米,第二次浇注至+9.000 米。独立基础砼:C35,保护层为 40mm;地梁和柱 C30,保护层为 30mm;楼层梁 C30,保护层为 25mm;板 C30,保护层为 15mm。1.1 土方开挖土方开挖采用机械开挖,人工清底,开挖时每边留设 1 米工作面。开挖放坡可根据现场开挖土质而变化,基础挖深为 2.9 米,不得超挖,坡度不得偏陡。待基础施工完砼达到强度要求后,即可进行土方回填。心 DDC垫层砼为 C15 素砼,垫层施工时要控制垫层尺寸,不能过大,也不能过小,每边大出基础控制在 0.1 米~0.15 米范围内,在垫层砼浇筑前,对基地要进行防白蚁处理。在垫层砼浇注完成后,及时安排人员收面养护。1.3 基础放线由专业测量人员通过已知控制点放出基础中线,技术人员通过基础中线放出基础边线。1.4 钢筋工程钢筋在钢筋加工车间制作,现场绑扎。钢筋下料时应充分考虑到绑...

1、当您付费下载文档后,您只拥有了使用权限,并不意味着购买了版权,文档只能用于自身使用,不得用于其他商业用途(如 [转卖]进行直接盈利或[编辑后售卖]进行间接盈利)。
2、本站所有内容均由合作方或网友上传,本站不对文档的完整性、权威性及其观点立场正确性做任何保证或承诺!文档内容仅供研究参考,付费前请自行鉴别。
3、如文档内容存在违规,或者侵犯商业秘密、侵犯著作权等,请点击“违规举报”。

碎片内容

除盐水及工业废水处理车间施工方案

wxg+ 关注
实名认证
内容提供者

该用户很懒,什么也没介绍

确认删除?
VIP
微信客服
  • 扫码咨询
会员Q群
  • 会员专属群点击这里加入QQ群
客服邮箱
回到顶部