电脑桌面
添加小米粒文库到电脑桌面
安装后可以在桌面快捷访问

专用机床上有一夹紧进给液压系统说明书

专用机床上有一夹紧进给液压系统说明书_第1页
1/29
专用机床上有一夹紧进给液压系统说明书_第2页
2/29
专用机床上有一夹紧进给液压系统说明书_第3页
3/29
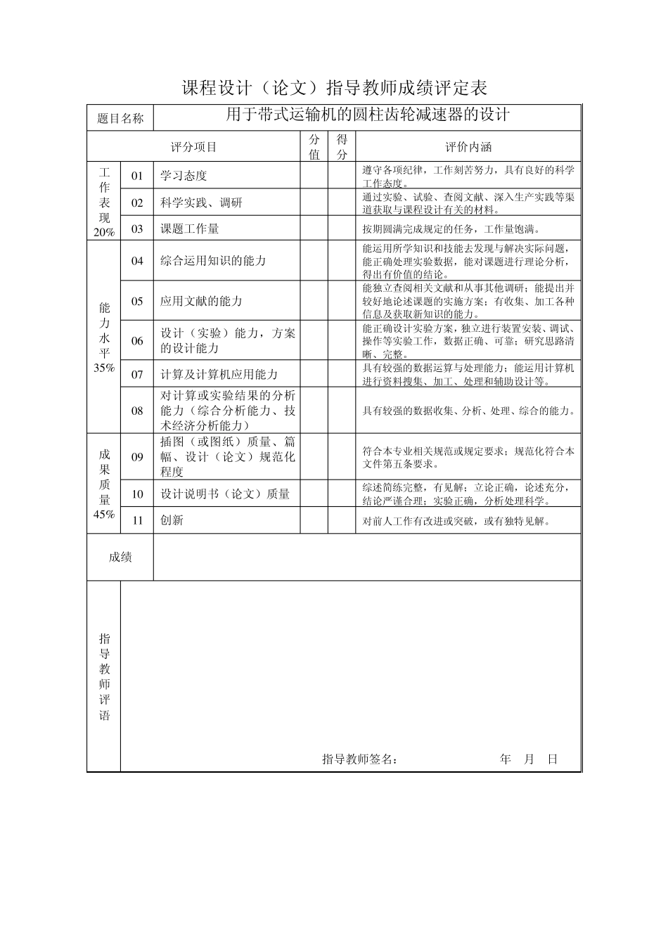
攀 枝 花 学 院 学生课程设计说明书 题 目: 专用机床液压系统设计 学生姓名: 陶真旭 学 号:200710601089 所在院(系): 机电工程学院 专 业: 机械设计制造及自动化 班 级: 07 级机制一班 指 导 教 师: 谭兴强 职称: 副教授 二 0一 0年六月二十六日 攀枝花学院教务处制 攀枝花学院本科学生课程设计任务书 题 目 夹紧进给液压系统设计 1 、课程设计的目的 1. 让学生学会运用液压知道解决一些简单的液压设计 2. 学会理解并能熟练运用液压知识 2 、课程设计的内容和要求(包括原始数据、技术要求、工作要求等) 在某专用机床上有一夹紧进给液压系统,完成工件的先夹紧、后进给任务,工作原理如下: 夹紧油缸: 快进 慢进 达到夹紧力后启动进给油缸工作 进给油缸: 快进 慢进 到达进给终点 快速退回 夹紧油缸快速退回。 工况参数: 夹紧缸快进速度: 0.065m/s;夹紧缸慢进速度: 6mm/s;最大夹紧力:50 KN; 进给油缸快进速度: 0.16m/s;进给油缸慢进速度:0.016m/s;最大切削力: 130KN; 要求:1、升降速度可调,升降平稳、同步 2、设计计算液压系统 3、画出原理图: 选择液压元件 4、画出集成块图 3 、主要参考文献 [1] 王积伟.章宏甲.黄谊.液压传动第 2版.机械工业出版社 . [2] 张利平.液压传动与控制.西北工业出版社. [3] 马玉贵.马治武.新编液压使用与维修技术大全.中国建材工业出版社. [4] 成大先.机械设计手册.化学工程出版社. 4 、课程设计工作进度计划 内容 学时 明确主机对液压系统的要求,进行工作过程分析 2 初步确定液压系统的参数,进行工况分析和负载图的编制 1 4 确定液压系统的方案,拟定液压系统图 4 确定液压系统零件的类型,并选择相应的液压元件,确定辅助装置 4 液压系统的性能运算 4 集成块的结构设计和制图及编制技术文件 1 2 合计 1 周 指导教师(签字) 日期 年 月 日 教研室意见: 年 月 日 学生(签字): 接受任务时间: 年 月 日 注:任务书由指导教师填写。 课程设计(论文)指导教师成绩评定表 题目名称 用于带式运输机的圆柱齿轮减速器的设计 评分项目 分值 得分 评价内涵 工作 表现 20% 01 学习态度 6 遵守各项纪律,工作刻苦努力,具有良好的科学工作态度。 02 科学实践、调研 7 通过实验、试验、查阅文献、深入生产实践等渠道获取与课程设计有关的...

1、当您付费下载文档后,您只拥有了使用权限,并不意味着购买了版权,文档只能用于自身使用,不得用于其他商业用途(如 [转卖]进行直接盈利或[编辑后售卖]进行间接盈利)。
2、本站所有内容均由合作方或网友上传,本站不对文档的完整性、权威性及其观点立场正确性做任何保证或承诺!文档内容仅供研究参考,付费前请自行鉴别。
3、如文档内容存在违规,或者侵犯商业秘密、侵犯著作权等,请点击“违规举报”。

碎片内容

专用机床上有一夹紧进给液压系统说明书

您可能关注的文档

小辰4+ 关注
实名认证
内容提供者

出售各种资料和文档

确认删除?
VIP
微信客服
  • 扫码咨询
会员Q群
  • 会员专属群点击这里加入QQ群
客服邮箱
回到顶部