电脑桌面
添加小米粒文库到电脑桌面
安装后可以在桌面快捷访问

溢洪道露顶式平面钢闸门

溢洪道露顶式平面钢闸门_第1页
1/27
溢洪道露顶式平面钢闸门_第2页
2/27
溢洪道露顶式平面钢闸门_第3页
3/27
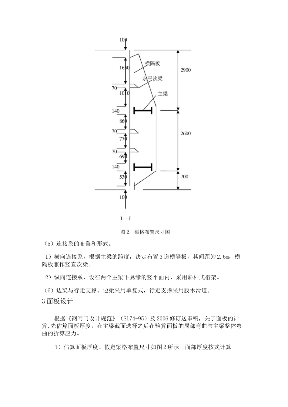
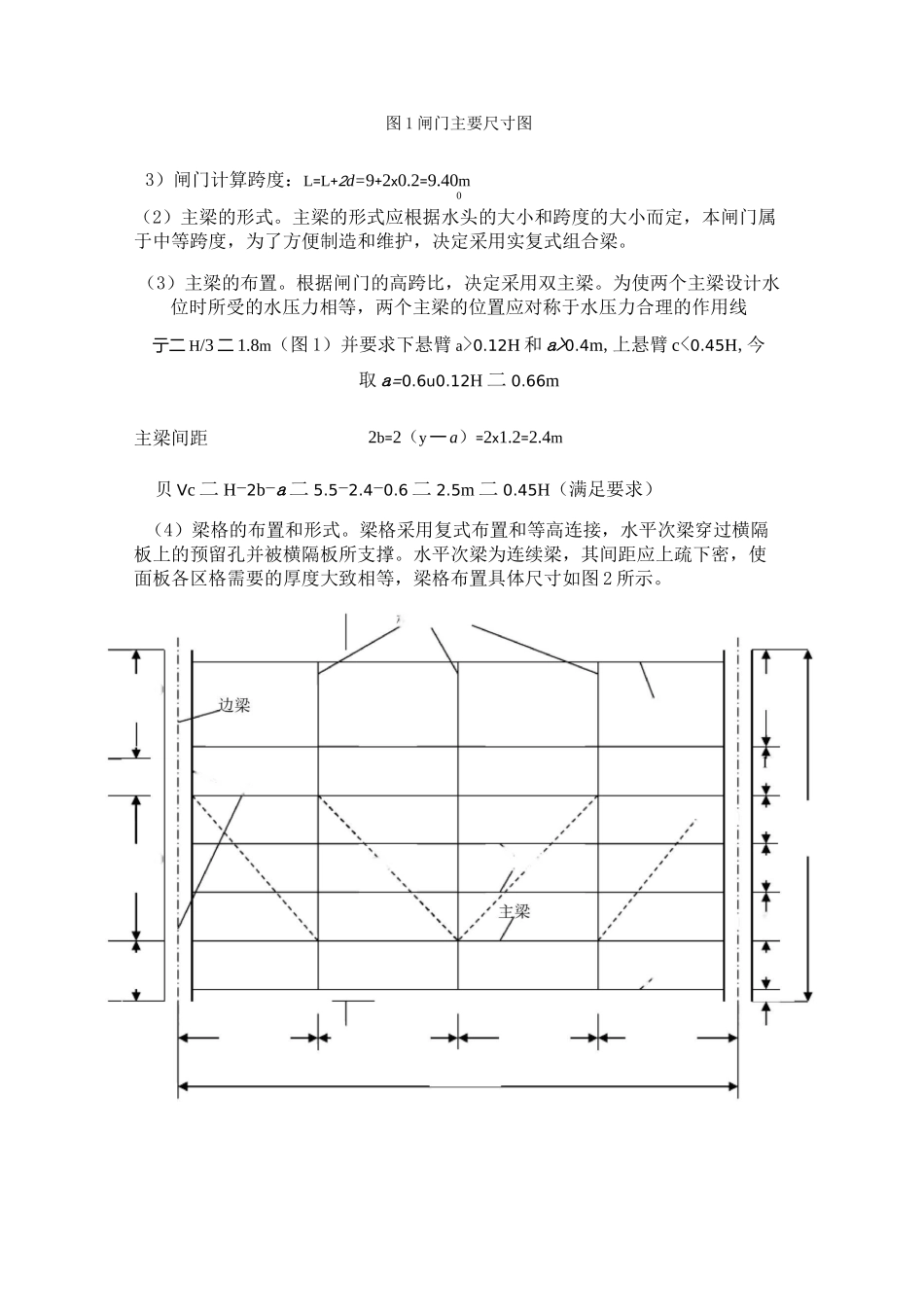
L 二d 二溢洪道露顶式平面钢闸门1 基本资料闸门形式:溢洪道露顶式平面钢闸门;孔口净宽:9.00m;设计水头:5.50m;结构材料:Q235 钢;焊条:E43;止水橡皮:侧止水用 P 形橡皮;行走支承:采用胶木滑道,压合胶木为 MCS-2;混凝土强度等级:C20。2 闸门结构的形式及布置(1)闸门尺寸的确定(图 1)。1)闸门高度:考虑风浪所产生的水位超高为 m,故闸门高度二 5.5+0.2 二 5.7m2)闸门的荷载跨度为两侧止水的间距:L=9m;1L 二横向隔II13I乂胶木滑块IIIVV”底梁10260水平次梁84I810顶172主I95067060260220水平次104070260260I222600图 1 闸门主要尺寸图3)闸门计算跨度:L=L+2d=9+2x0.2=9.40m0(2)主梁的形式。主梁的形式应根据水头的大小和跨度的大小而定,本闸门属于中等跨度,为了方便制造和维护,决定采用实复式组合梁。(3)主梁的布置。根据闸门的高跨比,决定采用双主梁。为使两个主梁设计水位时所受的水压力相等,两个主梁的位置应对称于水压力合理的作用线亍二 H/3 二 1.8m(图 1)并要求下悬臂 a>0.12H 和 a>0.4m,上悬臂 c<0.45H,今取 a=0.6u0.12H 二 0.66m主梁间距2b=2(y 一 a)=2x1.2=2.4m贝 Vc 二 H-2b-a 二 5.5-2.4-0.6 二 2.5m 二 0.45H(满足要求)(4)梁格的布置和形式。梁格采用复式布置和等高连接,水平次梁穿过横隔板上的预留孔并被横隔板所支撑。水平次梁为连续梁,其间距应上疏下密,使面板各区格需要的厚度大致相等,梁格布置具体尺寸如图 2 所示。(5)连接系的布置和形式。1)横向连接系,根据主梁的跨度,决定布置 3 道横隔板,其间距为 2.6m,横隔板兼作竖直次梁。2)纵向连接系,设在两个主梁下翼缘的竖平面内,采用斜杆式桁架。(6)边梁与行走支撑。边梁采用单复式,行走支撑采用胶木滑道。3 面板设计根据《钢闸门设计规范》(SL74-95)及 2006 修订送审稿,关于面板的计算,先估算面板厚度,在主梁截面选择之后在验算面板的局部弯曲与主梁整体弯曲的折算应力。1)估算面板厚度。假定梁格布置尺寸如图 2 所示。面部厚度按式计算t=a,:-^_0.9aQ]当 b/a<3时,a二 1・5,则・=•岛=0.0叽帀当 b/a'3时,a=】・4,则 t=■船=0.07炳现列表进行计算。面板厚度的估算区格a(mm)b(mm)b/akp(N/mm2)4kpt(mm)I165025901.570.5840.0070.0647.18n101025902.570.5000.0210.1027.01皿86025903.010.5000.0310.1257.50IV77025903.370.5000.0400.1427.65V69025903.750.5000.0480....

1、当您付费下载文档后,您只拥有了使用权限,并不意味着购买了版权,文档只能用于自身使用,不得用于其他商业用途(如 [转卖]进行直接盈利或[编辑后售卖]进行间接盈利)。
2、本站所有内容均由合作方或网友上传,本站不对文档的完整性、权威性及其观点立场正确性做任何保证或承诺!文档内容仅供研究参考,付费前请自行鉴别。
3、如文档内容存在违规,或者侵犯商业秘密、侵犯著作权等,请点击“违规举报”。

碎片内容

溢洪道露顶式平面钢闸门

您可能关注的文档

wxg+ 关注
实名认证
内容提供者

该用户很懒,什么也没介绍

相关文档

确认删除?
VIP
微信客服
  • 扫码咨询
会员Q群
  • 会员专属群点击这里加入QQ群
客服邮箱
回到顶部