电脑桌面
添加小米粒文库到电脑桌面
安装后可以在桌面快捷访问

中国籍船舶开航前安全自查清单(2017新版)

中国籍船舶开航前安全自查清单(2017新版)_第1页
1/6
中国籍船舶开航前安全自查清单(2017新版)_第2页
2/6
中国籍船舶开航前安全自查清单(2017新版)_第3页
3/6
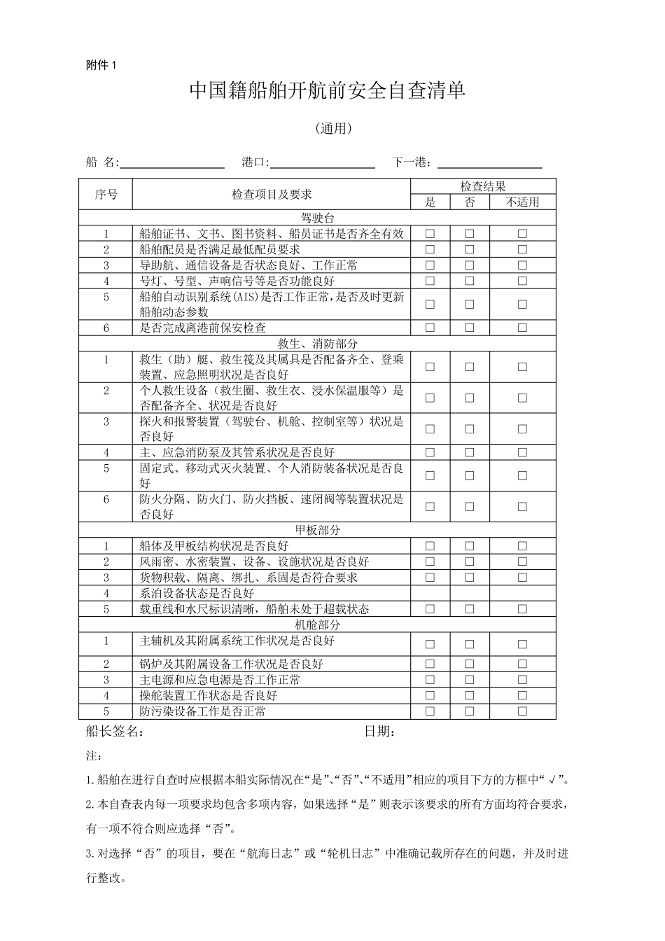
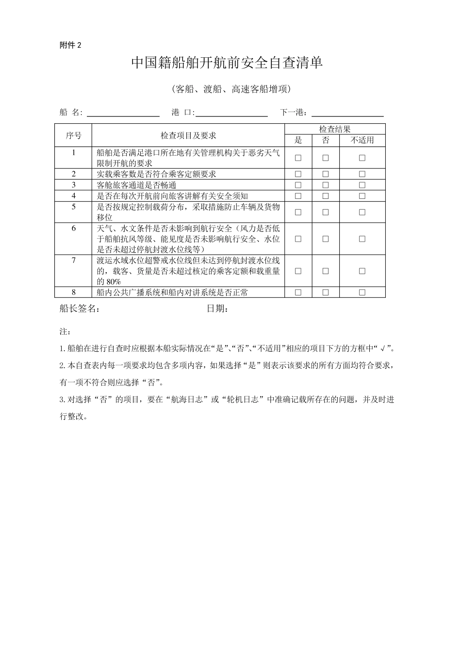
附件1 中 国 籍 船 舶 开 航 前 安 全 自 查 清 单 (通 用 ) 船 名 : 港 口 : 下 一 港 : 序 号 检 查 项 目 及 要 求 检 查 结 果 是 否 不 适 用 驾 驶 台 1 船 舶 证 书 、 文 书 、 图 书 资 料 、 船 员 证 书 是 否 齐 全 有 效 □ □ □ 2 船 舶 配 员 是 否 满 足 最 低 配 员 要 求 □ □ □ 3 导 助 航 、 通 信 设 备 是 否 状 态 良 好 、 工 作 正 常 □ □ □ 4 号 灯 、 号 型 、 声 响 信 号 等 是 否 功 能 良 好 □ □ □ 5 船 舶 自 动 识 别 系 统 (AIS)是 否 工 作 正 常 ,是 否 及 时 更 新船 舶 动 态 参 数 □ □ □ 6 是 否 完 成 离 港 前 保 安 检 查 □ □ □ 救 生 、 消 防 部 分 1 救 生 ( 助 ) 艇 、 救 生 筏 及 其 属 具 是 否 配 备 齐 全 、 登 乘装 置 、 应 急 照 明 状 况 是 否 良 好 □ □ □ 2 个 人 救 生 设 备 ( 救 生 圈 、 救 生 衣 、 浸 水 保 温 服 等 ) 是否 配 备 齐 全 、 状 况 是 否 良 好 □ □ □ 3 探 火 和 报 警 装 置 ( 驾 驶 台 、 机 舱 、 控制室等 ) 状 况 是否 良 好 □ □ □ 4 主、 应 急 消 防 泵及 其 管系 状 况 是 否 良 好 □ □ □ 5 固定式、 移动 式灭火 装 置 、 个 人 消 防 装 备 状 况 是 否 良好 □ □ □ 6 防 火 分 隔、 防 火 门、 防 火 挡板、 速闭阀等 装 置 状 况 是否 良 好 □ □ □ 甲板部 分 1 船 体及 甲板结 构状 况 是 否 良 好 □ □ □ 2 风雨密、 水 密装 置 、 设 备 、 设 施状 况 是 否 良 好 □ □ □ 3 货物积载、 隔离 、 绑扎、 系 固是 否 符合要 求 □ □ □ 4 系 泊设 备 状 态 是 否 良 好 5 载重线和 水 尺标识 清 晰, 船 舶 未处于超载状 态 □ □ □ 机 舱 部 分 1 主辅机 及 其 附属 系 统 工 作 状 况 是 否 良 好 □ □ □ 2 锅炉及 其 附属 设 备 工 作 状 况 是 否 良 好 □ □ □ 3 主电源和 应 急 电源是 否...

1、当您付费下载文档后,您只拥有了使用权限,并不意味着购买了版权,文档只能用于自身使用,不得用于其他商业用途(如 [转卖]进行直接盈利或[编辑后售卖]进行间接盈利)。
2、本站所有内容均由合作方或网友上传,本站不对文档的完整性、权威性及其观点立场正确性做任何保证或承诺!文档内容仅供研究参考,付费前请自行鉴别。
3、如文档内容存在违规,或者侵犯商业秘密、侵犯著作权等,请点击“违规举报”。

碎片内容

中国籍船舶开航前安全自查清单(2017新版)

您可能关注的文档

确认删除?
VIP
微信客服
  • 扫码咨询
会员Q群
  • 会员专属群点击这里加入QQ群
客服邮箱
回到顶部