电脑桌面
添加小米粒文库到电脑桌面
安装后可以在桌面快捷访问

传动轴加工工艺过程卡片

传动轴加工工艺过程卡片_第1页
1/20
传动轴加工工艺过程卡片_第2页
2/20
传动轴加工工艺过程卡片_第3页
3/20
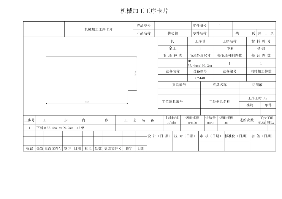
轴工艺过程卡 第三小组 班级:机制1 6 -1 班 组长:彭志伟 成员:彭志伟 明健伟 邓佳辉 邓尧 刘磊 刘含新 时间:2 0 1 7 .9 .2 9 - 2 0 1 7 .1 0 .1 0 机械加工工艺过程卡片 产品型号 零件图号 产品名称 传动轴 零件名称 材料牌号 45 钢 毛坯外形尺寸 199.3mmר 55.4mm 每件毛坯可制件数 1 每台件数 1 工序号 工序名称 工序内容 车间 附图 设备 工艺装备 加工示意图 1 下料 Φ55.4mm x 199.3mm ,45 钢 金工 2 铣端面 右铣端面3.3mm,钻中心孔; 金工 C6140 90°外圆车刀、游标卡尺、顶尖、中心钻 3 粗车 车φ55.4mm→φ43.8mm; 车Φ43.8mm→φ41.8mm; 车φ41.8mm→φ37.8mm; 车φ37.8mm→φ31.8mm 金工 C6140 90°外圆车刀、游标卡尺、顶尖 4 半精车 车φ43.8mm→φ42.4mm; 车φ41.8mm→φ40.4mm; 车φ37.8mm→φ36.4mm; 车φ31.8mm→φ30.4mm 金工 C6140 90°外圆车刀、游标卡尺、顶尖 粗车 调头,车φ55.4mm→φ53.4mm; 车φ45.8mm→φ41.8mm 金工 C6140 90°外圆车刀、游标卡尺、顶尖 半精车 车φ41.8mm→φ40.4mm; 车φ53.4mm→φ52mm 金工 C6140 90°外圆车刀、游标卡尺、顶尖 8 倒角 倒两端及φ52mm 上左端的角 1.5x45°,其余圆角使用滚压方法倒角 金工 C6140 45°左偏刀、顶尖 铣键槽 沟槽 2x0.3mm 金工 X6132 直柄键槽铣刀、游标卡尺 热处理 正火 金工 粗磨 磨φ42.4mm→φ42.15mm; 磨φ40.4mm→φ40.15mm; 磨φ36.4mm→φ36.15mm; 磨φ30.4mm→φ30.15mm 金工 M1432 砂轮、顶尖、千分尺 精磨 磨Φ42.15mm→φ42mm; 磨Φ40.15mm→φ40mm; 磨φ36.15mm→φ36mm; 磨φ30.15mm→φ30mm 金工 M1432 砂轮、顶尖、千分尺 11 热处理 调质处理,硬度为 217-225HBS 金工 16 检验 质检室 游标卡尺、千分尺 17 钳工 去毛刺、清洗 金工 锉刀 18 入库 涂防锈油 机械加工工序卡片 机械加工工序卡片 产品型号 零件图号 1 产品名称 传动轴 零件名称 共 页 第 1 页 间 工序号 工序名称 材 料 牌 号 金工 1 下料 45 钢 毛 坯 种 类 毛坯外形尺寸 每毛坯可制件数 每 台 件 数 Φ55.4mmx199.3mm 1 1 设备名称 设备型号 设备编号 同时加工件数 C 6140 1 夹具编号 夹具名称 切削液 工位器具编号 工位器具名称 工序工时 /s 准终 ...

1、当您付费下载文档后,您只拥有了使用权限,并不意味着购买了版权,文档只能用于自身使用,不得用于其他商业用途(如 [转卖]进行直接盈利或[编辑后售卖]进行间接盈利)。
2、本站所有内容均由合作方或网友上传,本站不对文档的完整性、权威性及其观点立场正确性做任何保证或承诺!文档内容仅供研究参考,付费前请自行鉴别。
3、如文档内容存在违规,或者侵犯商业秘密、侵犯著作权等,请点击“违规举报”。

碎片内容

传动轴加工工艺过程卡片

确认删除?
VIP
微信客服
  • 扫码咨询
会员Q群
  • 会员专属群点击这里加入QQ群
客服邮箱
回到顶部