电脑桌面
添加小米粒文库到电脑桌面
安装后可以在桌面快捷访问

住宅工程质量通病防治技术措施二十条

住宅工程质量通病防治技术措施二十条_第1页
1/17
住宅工程质量通病防治技术措施二十条_第2页
2/17
住宅工程质量通病防治技术措施二十条_第3页
3/17
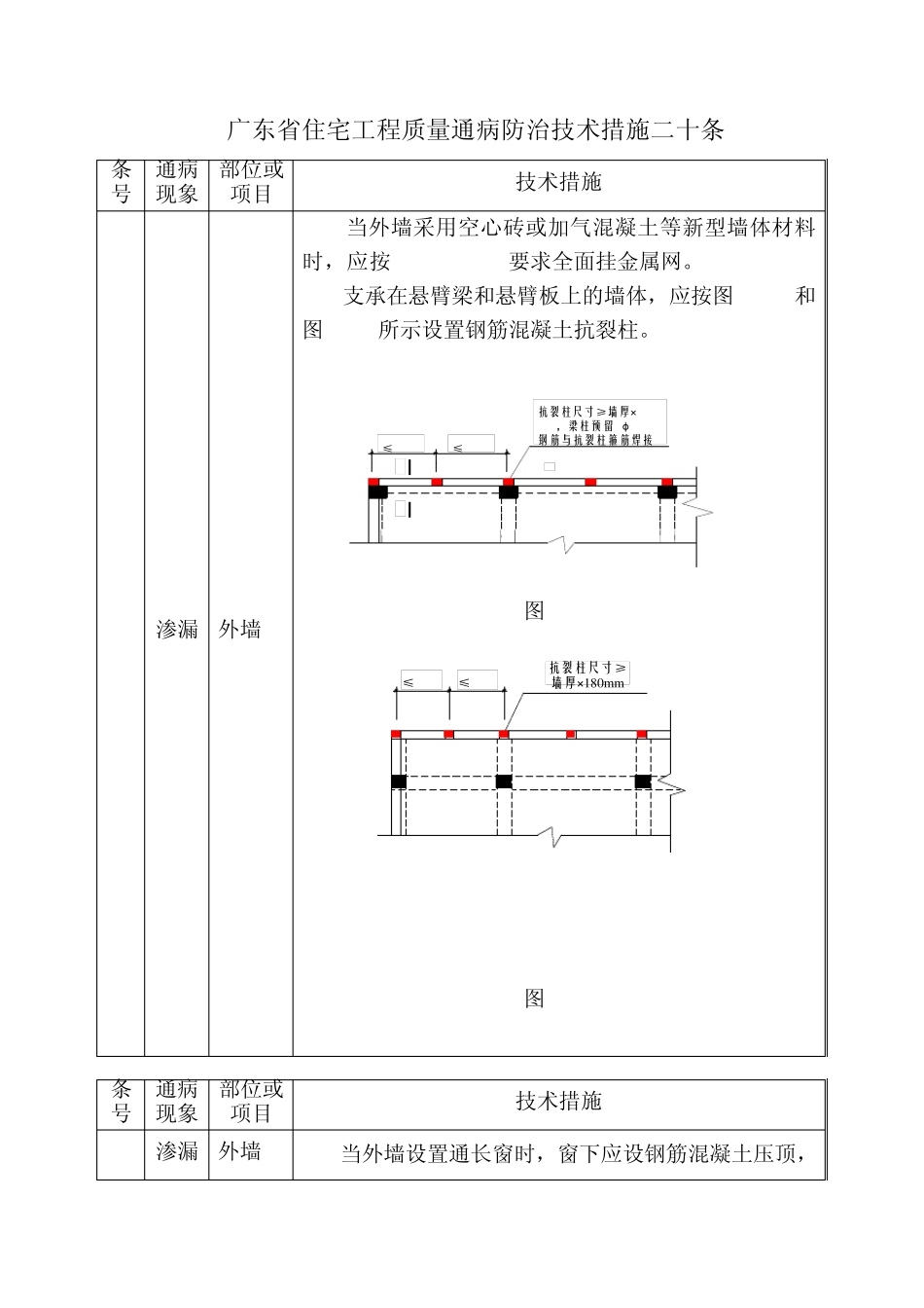
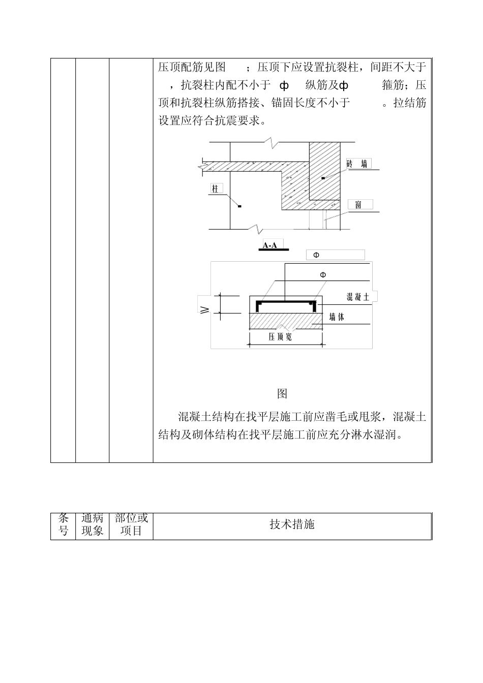
广东省住宅工程质量通病防治技术措施二十条 条 号 通病 现象 部位或 项目 技术措施 1 渗漏 外墙 1.1当外墙采用空心砖或加气混凝土等新型墙体材料时,应按DBJ15-9-97要求全面挂金属网。 1.2支承在悬臂梁和悬臂板上的墙体,应按图 1.1a和图 1.1b所示设置钢筋混凝土抗裂柱。 图 1.1a 图 1.1b 条 号 通病 现象 部位或 项目 技术措施 1 渗漏 外墙 1.3当外墙设置通长窗时,窗下应设钢筋混凝土压顶,抗裂柱尺寸≥墙厚×180m m≤3000≤3000抗裂柱尺寸≥墙厚×≤3000180mm,梁柱预留2φ6@200钢筋与抗裂柱箍筋焊接≤3000AA压顶配筋见图1.2;压顶下应设置抗裂柱,间距不大于3m,抗裂柱内配不小于4ф 12纵筋及ф 6@200箍筋;压顶和抗裂柱纵筋搭接、锚固长度不小于500mm。拉结筋设置应符合抗震要求。 图1.2 1.4混凝土结构在找平层施工前应凿毛或甩浆,混凝土结构及砌体结构在找平层施工前应充分淋水湿润。 条 号 通病 现象 部位或 项目 技术措施 柱砖墙A -A墙体Φ 6@200≥1202Φ 12C20混凝土压顶宽窗1 渗漏 外墙 1.5外墙从基体表面开始至饰面层应留分隔缝,间隔宜为3×3m,可预留或后切,金属网、找平层、防水层、饰面层应在相同位置留缝,缝宽不宜大于 10mm,也不宜小于5mm,切缝后宜采用空气压缩机具吹除缝内粉沫,嵌填高弹性耐侯胶。 1.6找平层水泥砂浆宜掺防水剂、抗裂剂、减水剂等外加剂。 1.7找平层每层抹灰厚度不大于 10mm,抹灰厚度≥35mm时应有挂网等防裂防空鼓措施。 1.8防水层宜用聚合物水泥砂浆。 1.9当建筑长度超过规范设缝要求(以下简称超长建筑)时,设计及施工应制订专门的抗裂措施,外墙面宜采用高弹性涂料。 2 漏裂 屋面 2.1砌体女儿墙,砌体强度等级应大于 Mu10,砂浆强度等级不低于 M10,应按图 1.1a要求设置钢筋混凝土构造柱、按图 1.2要求设置钢筋混凝土压顶。 2.2天沟或女儿墙应按 DBJ15-19-97规定留设溢水孔。 2.3屋面工程宜采用图 2.1防水保温隔热构造;宜采用现场发泡的硬泡聚氨酯、聚苯乙烯板等导热系数λ ≤0.05w/(m.k)的高效保温隔热材料;不宜采用水泥膨胀珍珠岩、水泥膨胀蛭石等水溶性保温隔热材料;架空隔热层净高宜大于 180mm,屋面宽度大于 10m时应设通风层脊;架空层至女儿墙边宽度不小于 250mm,也不大于 300mm;当未设保温层时,架空隔热层仅适用于长度不大于 35m的建筑;当建筑长度超过规范设缝要求时应增强屋面保温隔热功能,不得采用无保温...

1、当您付费下载文档后,您只拥有了使用权限,并不意味着购买了版权,文档只能用于自身使用,不得用于其他商业用途(如 [转卖]进行直接盈利或[编辑后售卖]进行间接盈利)。
2、本站所有内容均由合作方或网友上传,本站不对文档的完整性、权威性及其观点立场正确性做任何保证或承诺!文档内容仅供研究参考,付费前请自行鉴别。
3、如文档内容存在违规,或者侵犯商业秘密、侵犯著作权等,请点击“违规举报”。

碎片内容

住宅工程质量通病防治技术措施二十条

您可能关注的文档

小辰6+ 关注
实名认证
内容提供者

出售各种资料和文档

确认删除?
VIP
微信客服
  • 扫码咨询
会员Q群
  • 会员专属群点击这里加入QQ群
客服邮箱
回到顶部