电脑桌面
添加小米粒文库到电脑桌面
安装后可以在桌面快捷访问

停车场管理系统施工方案(智能化弱电集成系统项目)

停车场管理系统施工方案(智能化弱电集成系统项目)_第1页
1/6
停车场管理系统施工方案(智能化弱电集成系统项目)_第2页
2/6
停车场管理系统施工方案(智能化弱电集成系统项目)_第3页
3/6
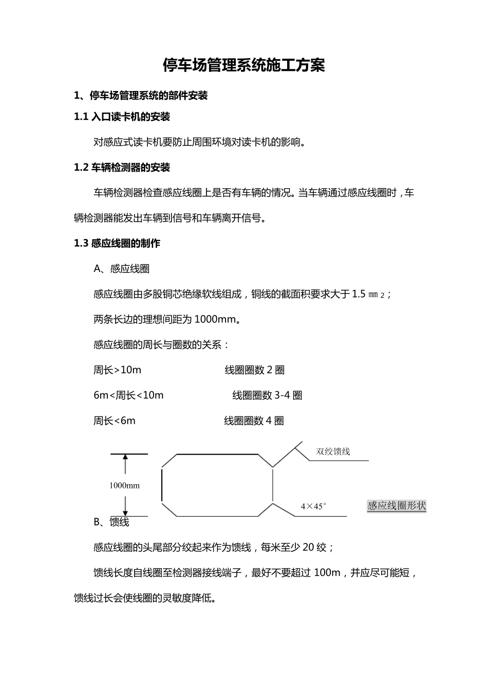
停 车 场 管 理 系 统 施 工 方 案 1、停 车 场 管 理 系 统 的部件安装 1.1 入口读卡机的安装 对 感 应 式 读 卡 机 要 防 止 周 围 环 境 对 读 卡 机 的 影 响 。 1.2 车 辆检测器的安装 车 辆 检 测 器 检 查 感 应 线 圈 上 是 否 有 车 辆 的 情 况 。 当 车 辆 通 过 感 应 线 圈 时 , 车辆 检 测 器 能 发 出 车 辆 到 信 号 和 车 辆 离 开 信 号 。 1.3 感应线圈的制作 A、感 应 线 圈 感 应 线 圈 由多股铜芯绝缘软线 组成, 铜线 的 截面积要 求大于 1.5 ㎜2; 两条长边的 理想间距为 1000mm。 感 应 线 圈 的 周 长与圈 数的 关系: 周 长>10m 线 圈 圈 数 2 圈 6m<周 长<10m 线 圈 圈 数 3-4 圈 周 长<6m 线 圈 圈 数 4 圈 B、馈线 感 应 线 圈 的 头尾部分绞起来作为馈线 , 每米至少 20 绞; 馈线 长度自线 圈 至检 测 器 接线 端子, 最好不要 超过100m, 并应 尽可能 短,馈线 过 长会使线 圈 的 灵敏度降低。 4×45° 双绞馈线 1000m m 感应线圈形状 C、感 应 线 圈 的 埋 设 感 应 线 圈 应 埋 在 车 道 的 中 间 ,距 车 道 边 300mm,将 长 边 对 准 车 辆 运 行 方 向 ,并 尽 可 能 防 止 周 围 的 电 磁 场 干 扰 ; 线 圈 槽 应 足 够 大 于 线 圈 尺 寸 , 以 免 放 入 线 圈 时 影 响 线 圈 的 几 何 形 状 和 尺 寸 ; 线 圈 的 四 个 角 应 切 成 45˙, 以 减 少 槽 壁 对 线 圈 的 损 坏 , 线 圈 在 槽 内 放 设 应 层叠 敷 设 。 槽 宽 : 4mm; 槽 深 : 30~ 50mm; 槽 底 部150mm以 内 无 金 属 物 。 线 圈 槽 应 使 用 黑 环 氧 树 脂 混 合 物 或 热 沥 青 树 脂 或 水 泥 进 行 封 填 。 封 填 应 在 调试 完 成 后 进 行 。 1.4 控 制 器 的 安 装 1.4.1 要 安 装 在 防 风 雨 的 地 方 。 1.4.2 控 制 柜 安 装 固 定 螺 栓 直 径 应 符 合 设 备 要 求 , 不 小 于M8, 固 定 牢 固 ,垂 直 误 差 不 大 于 3mm, 箱 体 小 于 500mm 时 不 大 于 ...

1、当您付费下载文档后,您只拥有了使用权限,并不意味着购买了版权,文档只能用于自身使用,不得用于其他商业用途(如 [转卖]进行直接盈利或[编辑后售卖]进行间接盈利)。
2、本站所有内容均由合作方或网友上传,本站不对文档的完整性、权威性及其观点立场正确性做任何保证或承诺!文档内容仅供研究参考,付费前请自行鉴别。
3、如文档内容存在违规,或者侵犯商业秘密、侵犯著作权等,请点击“违规举报”。

碎片内容

停车场管理系统施工方案(智能化弱电集成系统项目)

您可能关注的文档

确认删除?
VIP
微信客服
  • 扫码咨询
会员Q群
  • 会员专属群点击这里加入QQ群
客服邮箱
回到顶部