电脑桌面
添加小米粒文库到电脑桌面
安装后可以在桌面快捷访问

先张法预应力混凝土实心方桩

先张法预应力混凝土实心方桩_第1页
1/18
先张法预应力混凝土实心方桩_第2页
2/18
先张法预应力混凝土实心方桩_第3页
3/18
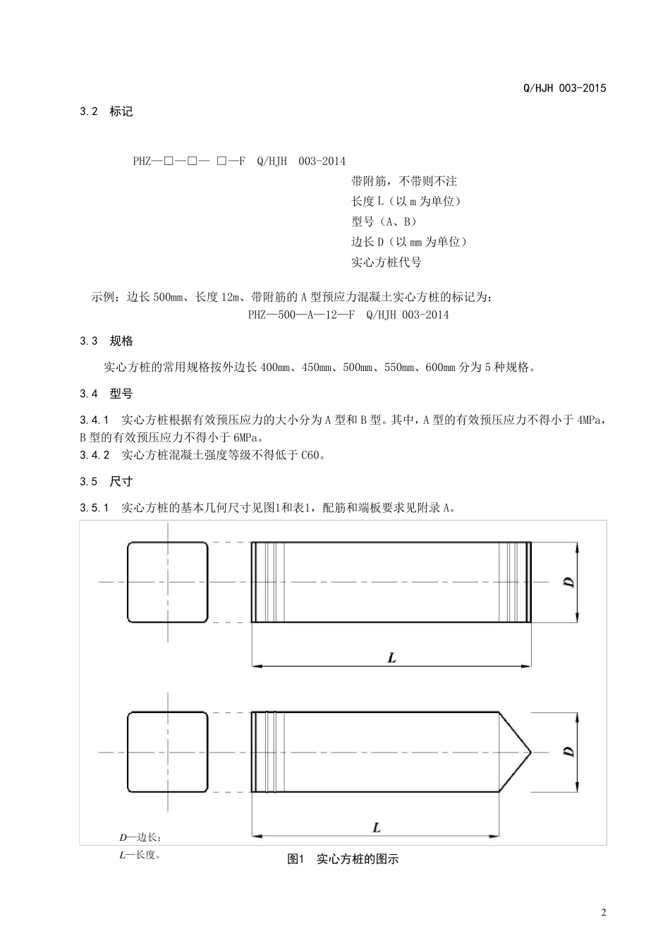
Q/HJH 003-2015 1 先张法预应力混凝土实心方桩 1 范围 本标准规定了先张法预应力混凝土实心方桩(以下简称实心方桩)的产品代号与标记、规格、型号、尺寸、原材料及构造、成品质量要求、检验方法、检验规则、标志、产品合格证、堆放、吊装和运输。 本标准适用于工业与民用建筑、铁道、公路、港口、水利等工程使用的实心方桩。 2 规范性引用文件 下列文件对于本标准的应用是必不可少的。凡是注日期的引用文件,仅注日期的版本适用于本文件。凡是不注日期的引用文件,其最新版本(包括所有的修改单)适用于本文件。 GB 175 通用硅酸盐水泥 GB/T 700 碳素结构钢 GB/T 701 低碳钢热轧圆盘条 GB/T 5223.3 预应力混凝土用钢棒 GB 8076 混凝土外加剂 GB/T 14684 建设用砂 GB/T 14685 建设用卵石、碎石 GB/T 18046 用于水泥和混凝土中的粒化高炉矿渣粉 GB/T 18736 高强高性能混凝土用矿物外加剂 GB 50007 建筑地基基础设计规范 GB 50010 混凝土结构设计规范 GB/T 50081 普通混凝土力学性能试验方法标准 GB 50164 混凝土质量控制标准 GBJ 107 混凝土强度检验评定标准 JC/T 540 混凝土制品用冷拔低碳钢丝 JC 934 预制钢筋混凝土方桩 JC/T 950 预应力高强混凝土管 桩用硅砂粉 JG 197 预应力混凝土空 心方桩 JGJ 63 混凝土用水标准 JGJ/T 283 自 密 实混凝土应用技 术 规程 JGJ 94 建筑桩基技 术 规范 JGJ 106 建筑基桩检测 技 术 规范 DB42/269 建筑地基基础检测 技 术 规范 3 产品代号与标记、规格、型号、尺寸 3.1 代号 实心方桩的代号为 PHZ。 Q/HJH 003-2015 2 3.2 标记 PHZ—□—□— □—F Q/HJH 003-2014 带附筋,不带则不注 长度 L(以 m 为单位) 型号(A、B) 边长 D(以 mm 为单位) 实心方桩代号 示例:边长 500mm、长度 12m、带附筋的 A 型预应力混凝土实心方桩的标记为: PHZ—500—A—12—F Q/HJH 003-2014 3.3 规格 实心方桩的常用规格按外边长 400mm、450mm、500mm、550mm、600mm 分为 5 种规格。 3.4 型号 3.4.1 实心方桩根据有效预压应力的大小分为 A 型和 B 型。其中,A 型的有效预压应力不得小于 4MPa,B 型的有效预压应力不得小于 6MPa。 3.4.2 实心方桩混凝土强度等级不得低于 C60。 3.5 尺寸 3.5.1 实心方桩的基本几何尺寸见图1和表1,配筋和端板要求见附录 A。 图1 ...

1、当您付费下载文档后,您只拥有了使用权限,并不意味着购买了版权,文档只能用于自身使用,不得用于其他商业用途(如 [转卖]进行直接盈利或[编辑后售卖]进行间接盈利)。
2、本站所有内容均由合作方或网友上传,本站不对文档的完整性、权威性及其观点立场正确性做任何保证或承诺!文档内容仅供研究参考,付费前请自行鉴别。
3、如文档内容存在违规,或者侵犯商业秘密、侵犯著作权等,请点击“违规举报”。

碎片内容

先张法预应力混凝土实心方桩

您可能关注的文档

确认删除?
VIP
微信客服
  • 扫码咨询
会员Q群
  • 会员专属群点击这里加入QQ群
客服邮箱
回到顶部