电脑桌面
添加小米粒文库到电脑桌面
安装后可以在桌面快捷访问

光伏支架计算书

光伏支架计算书_第1页
1/8
光伏支架计算书_第2页
2/8
光伏支架计算书_第3页
3/8
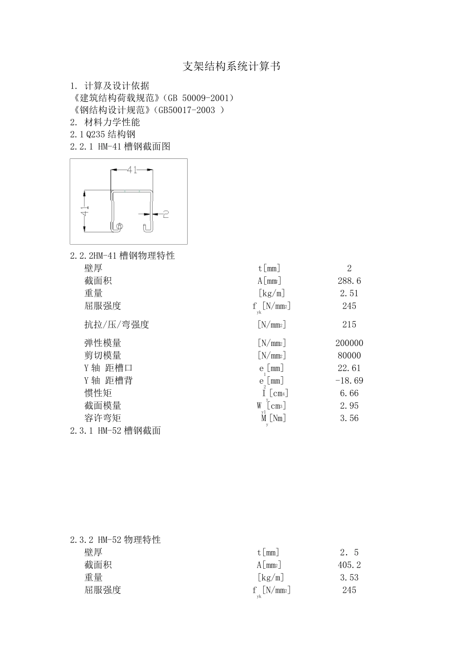
支架结构系统计算书 1. 计算及设计依据 《建筑结构荷载规范》(GB 50009-2001) 《钢结构设计规范》(GB50017-2003 ) 2. 材料力学性能 2.1 Q235 结构钢 2.2.1 HM-41 槽钢截面图 2.2.2HM-41 槽钢物理特性 壁厚 t[mm] 2 截面积 A[mm2] 288.6 重量 [kg/m] 2.51 屈服强度 fyk[N/mm2] 245 抗拉/压/弯强度 [N/mm2] 215 弹性模量 [N/mm2] 200000 剪切模量 [N/mm2] 80000 Y 轴 距槽口 e1[mm] 22.61 Y 轴 距槽背 e2[mm] -18.69 惯性矩 Iy[cm4] 6.66 截面模量 Wy1[cm3] 2.95 容许弯矩 My[Nm] 3.56 2.3.1 HM-52 槽钢截面 2.3.2 HM-52 物理特性 壁厚 t[mm] 2.5 截面积 A[mm2] 405.2 重量 [kg/m] 3.53 屈服强度 fyk[N/mm2] 245 抗拉/压/弯强度 [N/mm2] 215 弹性模量 [N/mm2] 200000 剪切模量 [N/mm2] 80000 Y 轴 距槽口 e1[mm] 26.00 Y 轴 距槽背 e2[mm] -26.00 惯性矩 Iy[cm4] 13.97 截面模量 Wy1[cm3] 5.37 容许弯矩 My[Nm] 5.37 3.设计参数 太阳能板支架为主次梁布置,次梁跨度2.1m,主梁跨度2.5m;柱高度0.675m,倾斜度15 度:次梁及柱采用表面热镀锌型材,本计算书依据2×9(电池板)阵列进行计算,计算简图见图 基本风压值:w0=0.55KN/m2 基本雪压值:S0=0.3KN/m2 电池板块(每块质量19.8kg,1640×990mm,)阵列 2 ×9 倾角:15° 结构设计使用年限:25 年 4.荷载 4.1 恒载 SGK= gk=19.8×10×cos15°/(1.640×0.99)=0.118KN/ m2 4.2 风荷载 垂直于建筑物表面上的风荷载标准值,应按下述公式计算: wk=z×s×z×w0 式中:wk—风荷载标准值(KN/m2); z—高度z 处的风振系数; s—风荷载体型系数; z—风压高度变化系数; w0—基本风压(KN/m2); 风振系数 z=1 体型系数 α=15° s1=-1.325 s2=-0.525 s3=1.325 s4=0.535 离地高度小于 30m 的C 类地区,z 取值 1 Wk(s1 )=1×-1.325×1×0.55=-0.72875KN/m2 Wk(s2 ) =1×0.525×1×0.55=-0.28875KN/m2 Wk(s3 ) =1×1.325×1×0.55=0.72875KN/m2 Wk(s4) =1×0.525×1×0.55=0.28875KN/m2 4.3 雪荷载 水平投影面上的雪荷载标准值,应按下式计算: Sk=rSo 体型系数r 取值 1(倾角 15°) 资料中给出基本雪压So 取值0.3KPa 得雪荷载值: Sk=1×0.3=0.3 KN/ m2 荷载组合 承载能力极限状态: 1)S1=1.2 恒+1.4*风(+)+0.7*1.4...

1、当您付费下载文档后,您只拥有了使用权限,并不意味着购买了版权,文档只能用于自身使用,不得用于其他商业用途(如 [转卖]进行直接盈利或[编辑后售卖]进行间接盈利)。
2、本站所有内容均由合作方或网友上传,本站不对文档的完整性、权威性及其观点立场正确性做任何保证或承诺!文档内容仅供研究参考,付费前请自行鉴别。
3、如文档内容存在违规,或者侵犯商业秘密、侵犯著作权等,请点击“违规举报”。

碎片内容

光伏支架计算书

您可能关注的文档

小辰2+ 关注
实名认证
内容提供者

出售各种资料和文档

确认删除?
VIP
微信客服
  • 扫码咨询
会员Q群
  • 会员专属群点击这里加入QQ群
客服邮箱
回到顶部