电脑桌面
添加小米粒文库到电脑桌面
安装后可以在桌面快捷访问

光伏支架载荷计算

光伏支架载荷计算_第1页
1/8
光伏支架载荷计算_第2页
2/8
光伏支架载荷计算_第3页
3/8
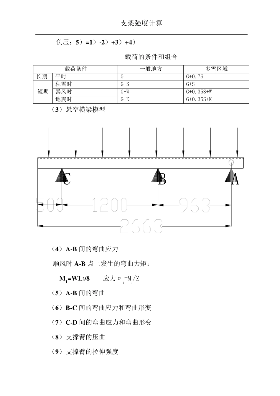
支架强度计算 支架强度计算 支架是安装从下端到上端高度为4m 以下的太阳能电池阵列时使用。计算因从支架前面吹来(顺风)的风压及从支架后面吹来(逆风)的风压引起的材料的弯曲强度和弯曲量,支撑臂的压曲(压缩)以及拉伸强度,安装螺栓的强度等,并确认强度。 (1) 结构材料 选取支架材料,确定截面二次力矩IM 和截面系数Z。 (2) 假象载荷 1) 固定荷重(G) 组件质量(包括边框)GM +框架自重GK1+其他GK2 固定载荷G=GM+ GK1+ GK2 2) 风压荷重(W) (加在组件上的风压力(WM)和加在支撑物上的风压力(WK)的总和)。 W=1/2×(CW×σ×V02×S)×a×I×J 3) 积雪载荷(S)。与组件面垂直的积雪荷重。 4) 地震载荷(K)。加在支撑物上的水平地震力 5) 总荷重(W) 正压:5)=1)+2)+3)+4) 支架强度计算 负压:5)=1)-2)+3)+4) 载荷的条件和组合 载荷条件 一般地方 多雪区域 长期 平时 G G+0.7S 短期 积雪时 G+S G+S 暴风时 G+W G+0.35S+W 地震时 G+K G+0.35S+K (3) 悬空横梁模型 BCA (4) A-B 间的弯曲应力 顺风时A-B 点上发生的弯曲力矩: M1=WL2/8 应力σ1=M1/Z (5) A-B 间的弯曲 (6) B-C 间的弯曲应力和弯曲形变 (7) C-D 间的弯曲应力和弯曲形变 (8) 支撑臂的压曲 (9) 支撑臂的拉伸强度 支架强度计算 (1 0 ) 安装螺栓的强度 支架强度计算 基础稳定性计算 1、风压载荷的计算 2、作用于基础的反作用力的计算 3、基础稳定性计算 当受到强风时,对于构造物基础要考虑以下问题: ①受横向风的影响,基础滑动或者跌倒 ②地基下沉(垂直力超过垂直支撑力) ③基础本身被破坏 ④吹进电池板背面的风使构造物浮起 ⑤吹过电池板下侧的风产生旋涡,引起气压变化,使电池板向地面吸引 对于③~⑤须采用流体解析等方法才能详细研究。研究风向只考虑危险侧的逆风状态 以下所示为各种稳定条件: a.对滑动的稳定 平时:安全率Fs≥1.5;地震及暴风时:安全率Fs≥1.2 b.对跌倒的稳定 平时:合力作用位置在底盘的中央 1/3 以内时 地震及暴风时:合力作用位置在底盘的中央 2/3 以内时 c.对垂直支撑力的稳定 平时:安全率Fs≥3;地震及暴风时:安全率Fs≥2 支架强度计算 附件1:△风荷载计算△ (1)设计时的风压载荷 W=Cw ×q×Aw (作用于阵列的风压载荷公式) 式中 W——风压荷重 Cw ——风力系数 q ——设...

1、当您付费下载文档后,您只拥有了使用权限,并不意味着购买了版权,文档只能用于自身使用,不得用于其他商业用途(如 [转卖]进行直接盈利或[编辑后售卖]进行间接盈利)。
2、本站所有内容均由合作方或网友上传,本站不对文档的完整性、权威性及其观点立场正确性做任何保证或承诺!文档内容仅供研究参考,付费前请自行鉴别。
3、如文档内容存在违规,或者侵犯商业秘密、侵犯著作权等,请点击“违规举报”。

碎片内容

光伏支架载荷计算

小辰4+ 关注
实名认证
内容提供者

出售各种资料和文档

确认删除?
VIP
微信客服
  • 扫码咨询
会员Q群
  • 会员专属群点击这里加入QQ群
客服邮箱
回到顶部