电脑桌面
添加小米粒文库到电脑桌面
安装后可以在桌面快捷访问

光伏施工质量控制重点

光伏施工质量控制重点_第1页
1/14
光伏施工质量控制重点_第2页
2/14
光伏施工质量控制重点_第3页
3/14
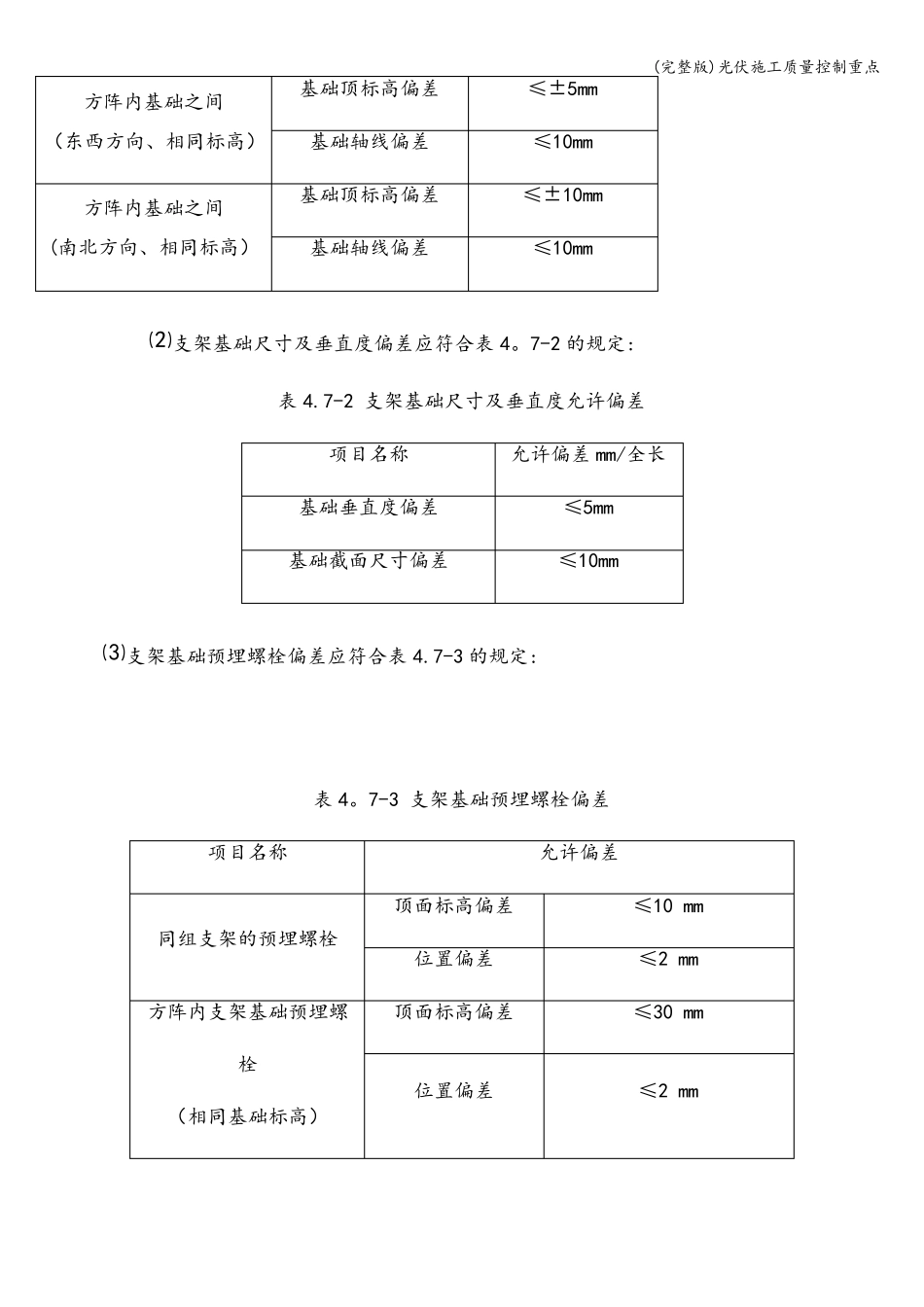
(完 整 版 )光 伏 施 工 质 量 控 制 重 点 太阳电池方阵光伏发电项目 施 工 质 量 控 制 重 点 太 阳 电 池 方 阵 光 伏 发 电 项 目 , 主 要 包 括 电 站 场 区 场 地 平 整 、 主 干 道 工 程 ; 支架 基 础 、 电 池 组 件 的 土 建 安 装 工 程 、 预 埋 件 、 接 地 系 统 (埋 入 部 分 ) 制 作 、 安 装 ;逆 变 器 、 箱 变 器 、 配 电 室 、 开 关 站 土 建 、 电 气 二 次 系 统 及 接 地 系 统 工 程 ; 会 线 、 支架 、 组 件 安 装 ; 电 站 接 地 及 避 雷 系 统 ; 给 水 、 消 防 、 报 警 系 统 等 。 为 了 提 高 施 工 质量 , 预 防 施 工 过 程 中 出 现 的 各 类 质 量 通 病 , 特 整 理 施 工 过 程 中 各 道 工 序 的 质 量 控 制重 点 如 下 : 一 、 支 架 基 础 ( 基 础 灌 注 桩 ) 1、 测 量 放 线 :进 场 前 首 先 进 行 场 地 测 量 ,定 位 各 个 坐 标 点 ,以 1MWP 方 阵 为 单 位 定 位场 地 标 高 ,为 以 后 减 少 各 光 伏 板 方 阵 落 差 打 好 基 础 ; 放 线 时 做好 标 记, 将本单 位 最高 点 及 最低点 的 坐 标 定 位 .质 量 控 制 重 点 主 要 是标 识清晰, 定 位 准确。 2、 桩 身开 槽:桩 身开 槽前 首 先 考察施 工 区 域的 土 质 状况, 确定 好 施 工 方 案,一 般含沙量 大土 质 松散的 土 质 采用二 次 成型方 式进 行 钻孔, 开 槽深度=桩 身高 度—桩 基 露出 地 表高 度, 机械钻孔成型后 采用人工 清孔方 式,清除坑底浮土 ,防 止成型后 桩 基 下沉。 质 量 控 制 重 点 主 要 是孔深符合图纸要 求, 坑底干 净无浮土 、 无异物, 孔壁无塌方 。 3、 钢筋笼绑扎: 按图纸技术要 求进 行 材料下 料及 制 作 , 质 量 控 制 重 点 主 要 是主 筋下 料尺寸及 箍筋间距在公差 范围内,箍筋绑扎牢固,主 筋分 布均匀, 主 筋两端平 齐。 4、 灌 注 桩 浇筑施 工 : 4.1、 在混凝土 浇筑前 应先 进 行 基 槽验收,轴线 、 基 坑尺寸、 基 底标 高 , 钢...

1、当您付费下载文档后,您只拥有了使用权限,并不意味着购买了版权,文档只能用于自身使用,不得用于其他商业用途(如 [转卖]进行直接盈利或[编辑后售卖]进行间接盈利)。
2、本站所有内容均由合作方或网友上传,本站不对文档的完整性、权威性及其观点立场正确性做任何保证或承诺!文档内容仅供研究参考,付费前请自行鉴别。
3、如文档内容存在违规,或者侵犯商业秘密、侵犯著作权等,请点击“违规举报”。

碎片内容

光伏施工质量控制重点

您可能关注的文档

确认删除?
VIP
微信客服
  • 扫码咨询
会员Q群
  • 会员专属群点击这里加入QQ群
客服邮箱
回到顶部