电脑桌面
添加小米粒文库到电脑桌面
安装后可以在桌面快捷访问

支架基础施工方案

支架基础施工方案_第1页
1/22
支架基础施工方案_第2页
2/22
支架基础施工方案_第3页
3/22
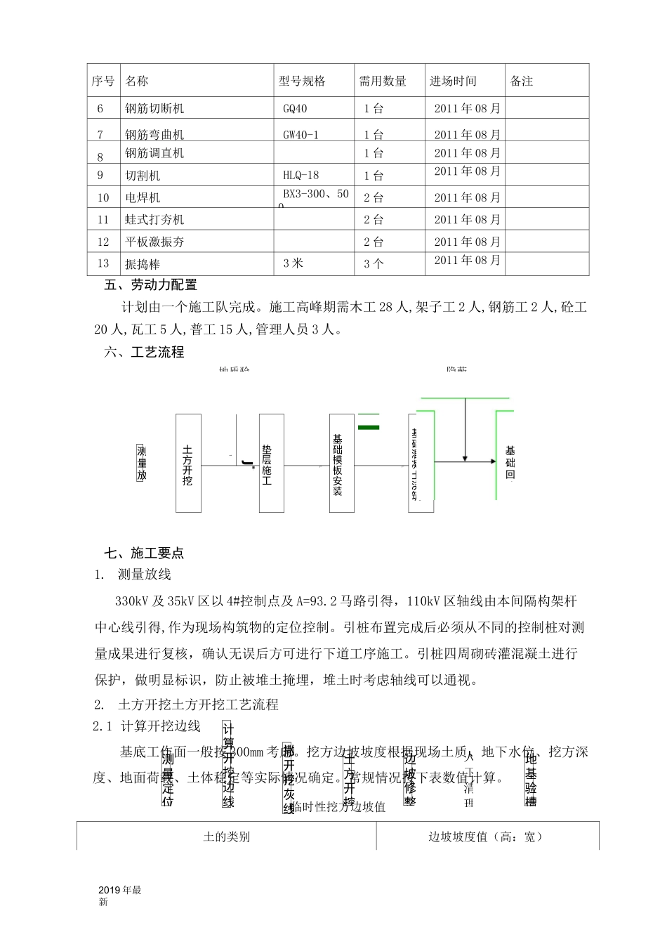
2019 年最新一、施工任务概述本工程屋外配电装置设备支架基础共计 80 基。330kV 设备支架基础共有 14 个,其中断路器 3 个,电压互感器 2 个,电流互感器 3 个,避雷器 3 个,隔离开关 3 个。110kV 设备支架基础共有 44 个,其中隔离开关 22 个,断路器 8 个,电流互感器 8 个,电压互感器 2 个,避雷器 4 个°35kV 设备支架基础共有 22 个,其中断路器 8 个,隔离开关 10 个,电流互感器 2 个,35kV 母线设备支架 2 个。二、编写依据1、《主变构架及基础》、《主变基础》、图纸会审纪要2、《国家电网公司施工项目部标准化工作手册》(330kV 变电工程分册)3、《枣园 330kV 变电站 3#主变扩建工程施工组织设计》4、《枣园 330kV 变电站 3#主变扩建工程安全文明施工实施细则》5、《输变电工程建设标准强制性条文实施管理规程》(Q/GDW248—2008)6、《110kV—1000kV 变电(换流)站土建工程施工质量验收及评定规程》(Q/GDW183—2008)7、《关于印发〈国家电网公司输变电工程质量通病防治工作要求及技术措施〉的通知》(基建质量〔2010〕19 号8、《关于印发〈国家电网公司电网建设项目档案管理办法(试行)〉的通知》(国家电网办〔2010〕250 号)9、《国家电网公司输变电工程安全文明施工标准(Q/GDW250-2009))10、国家电网公司有关制度、规定三、工期安排计划 2011 年 8 月 25 日开始施工,2011 年 9 月 25 日全部完成。四、机械与劳动力配置主要施工机具配置计划序号 名称型号规格需用数量进场时间备注1挖掘机PC-2001 台2011 年 08 月2装载机ZL50G1 台2011 年 08 月3搅拌机JZ5001 台2011 年 08 月4料斗车F152 辆2011 年 08 月5木工机械多功能1 台2011 年 08 月2019 年最新测量放线土方开挖1J垫层施工基础模板安装U基础混凝土浇筑■-LL测量定位计算开挖边线撒开挖灰线土方开挖边坡修整人工清理地基验槽序号 名称型号规格需用数量进场时间备注6钢筋切断机GQ401 台2011 年 08 月7钢筋弯曲机GW40-11 台2011 年 08 月8钢筋调直机1 台2011 年 08 月9切割机HLQ-181 台2011 年 08 月10电焊机BX3-300、5002 台2011 年 08 月11蛙式打夯机2 台2011 年 08 月12平板激振夯2 台2011 年 08 月13振捣棒3 米3 个2011 年 08 月五、劳动力配置计划由一个施工队完成。施工高峰期需木工 28 人,架子工 2 人,钢筋工 2 人,砼工20 人,瓦工 5 人,普...

1、当您付费下载文档后,您只拥有了使用权限,并不意味着购买了版权,文档只能用于自身使用,不得用于其他商业用途(如 [转卖]进行直接盈利或[编辑后售卖]进行间接盈利)。
2、本站所有内容均由合作方或网友上传,本站不对文档的完整性、权威性及其观点立场正确性做任何保证或承诺!文档内容仅供研究参考,付费前请自行鉴别。
3、如文档内容存在违规,或者侵犯商业秘密、侵犯著作权等,请点击“违规举报”。

碎片内容

支架基础施工方案

wxg+ 关注
实名认证
内容提供者

该用户很懒,什么也没介绍

确认删除?
VIP
微信客服
  • 扫码咨询
会员Q群
  • 会员专属群点击这里加入QQ群
客服邮箱
回到顶部